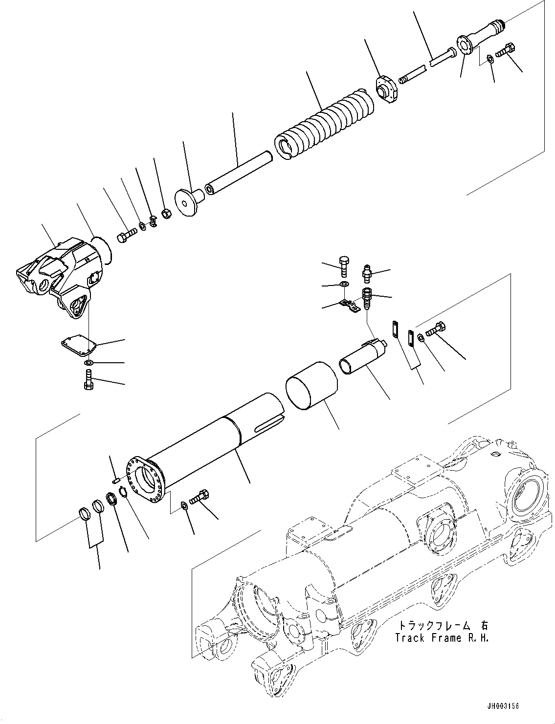
Запчасти Komatsu D375A-6 ГУСЕНИЧНАЯ РАМА, ПРУЖИНА, ПРАВ. (№-) ГУСЕНИЧНАЯ РАМА, С ЗАЩИТА ОПОРНЫХ КАТКОВ

Схема запчастей Komatsu D375A-6 - ГУСЕНИЧНАЯ РАМА, ПРУЖИНА, ПРАВ. (№-) ГУСЕНИЧНАЯ РАМА, С ЗАЩИТА ОПОРНЫХ КАТКОВ
27
28
29
34
33
23
22
32
30
31
21
20
19
18
17
16
15
14
13
26
25
24
12
11
10
9
8
7
6
5
4
3
2
1
FIT
1:1
100%

Артикул

Название

Примечание

Количество

1

195-30-64212

Spring

SN: 60001-60051

1шт.

2

195-30-64251

Spacer

SN: 60001-60051

1шт.

3

195-30-34220

Pilot

SN: 60001-60051

1шт.

4

195-30-51450

Pilot

SN: 60001-60051

1шт.

5

195-30-64241

Bolt

SN: 60001-60051

1шт.

6

198-30-14233

Nut

SN: 60001-60051

1шт.

7

198-30-14242

Plate

SN: 60001-60051

1шт.

8

01010-81230

Bolt

SN: 60001-60051

2шт.

9

01643-31232

Washer

SN: 60001-60051

2шт.

10

195-30-68990

Holder

SN: 60001-60051

1шт.

11

01010-81245

Bolt

SN: 60001-60051

6шт.

12

01643-31232

Washer

SN: 60001-60051

6шт.

|$12

195-30-02210

Case Assembly

SN: 60001-60051

1шт.

13

195-30-34121

Bushing

SN: 60001-60051

1шт.

14

Case

SN: 60001-60051

1шт.

15

195-78-21590

Plate

SN: 60001-60051

2шт.

16

01010-82050

Bolt

SN: 60001-60051

4шт.

17

01643-32060

Washer

SN: 60001-60051

4шт.

18

195-30-68820

Cylinder

SN: 60001-60051

1шт.

19

195-30-34380

Plate

SN: 60001-60051

1шт.

20

01010-81020

Bolt

SN: 60001-60051

2шт.

21

01643-31032

Washer

SN: 60001-60051

2шт.

22

07959-30000

Valve

SN: 60001-60051

1шт.

23

07020-00000

Fitting, Grease

SN: 60001-60051

1шт.

24

198-30-14270

Ring

SN: 60001-60051

2шт.

25

195-30-34420

Packing

SN: 60001-60051

1шт.

26

04064-01030

Ring, Snap, for Shaft Side

SN: 60001-60051

1шт.

27

195-30-68911

Yoke Assembly

SN: 60001-60051

1шт.

28

04020-01434

Pin, Dowel

SN: 60001-60051

1шт.

29

07000-15295

O-ring

SN: 60001-60051

1шт.

30

195-30-68941

Plate

SN: 60001-60051

1шт.

31

01010-62055

Bolt

SN: 60001-60051

4шт.

32

01643-32060

Washer

SN: 60001-60051

4шт.

33

195-30-34170

Bolt

SN: 60001-60051

18шт.

34

01643-32780

Washer

SN: 60001-60051

18шт.

Выбрано товаров: 0