Запчасти Komatsu D375A-6 РЫХЛИТЕЛЬ ПАЛЕЦ (№-) РЫХЛИТЕЛЬ ПАЛЕЦ

Схема запчастей Komatsu D375A-6 - РЫХЛИТЕЛЬ ПАЛЕЦ (№-) РЫХЛИТЕЛЬ ПАЛЕЦ
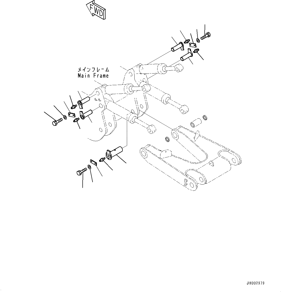
5
9
6
7
8
1
1
2
3
4
10
9
2
4
9
10
3
9
9
FIT
1:1
100%

Артикул

Название

Примечание

Количество

1

195-78-73170

Pin

SN: 60001-UP

2шт.

2

195-78-21171

Plate

SN: 60001-UP

2шт.

3

01010-82040

Bolt

SN: 60125-UP

4шт.

3

01010-62040

Bolt

SN: 60001-60124

4шт.

4

01643-32060

Washer

SN: 60001-UP

4шт.

5

195-78-71190

Pin

SN: 60001-UP

2шт.

6

195-78-21171

Plate

SN: 60001-UP

2шт.

7

01010-82040

Bolt

SN: 60125-UP

4шт.

7

01010-62040

Bolt

SN: 60001-60124

4шт.

8

01643-32060

Washer

SN: 60001-UP

4шт.

9

07020-00000

Fitting, Grease

SN: 60001-UP

6шт.

10

195-78-73170

Pin

SN: 60001-UP

2шт.

Выбрано товаров: 12