Запчасти Komatsu D375A-6 МАРКИРОВКА (№-) МАРКИРОВКА, АНГЛ., TEXT ТИП, EPA REGULATIONS TPEM ИЛИ CANADA EPA REGULATIONS TPEM

Схема запчастей Komatsu D375A-6 - МАРКИРОВКА (№-) МАРКИРОВКА, АНГЛ., TEXT ТИП, EPA REGULATIONS TPEM ИЛИ CANADA EPA REGULATIONS TPEM
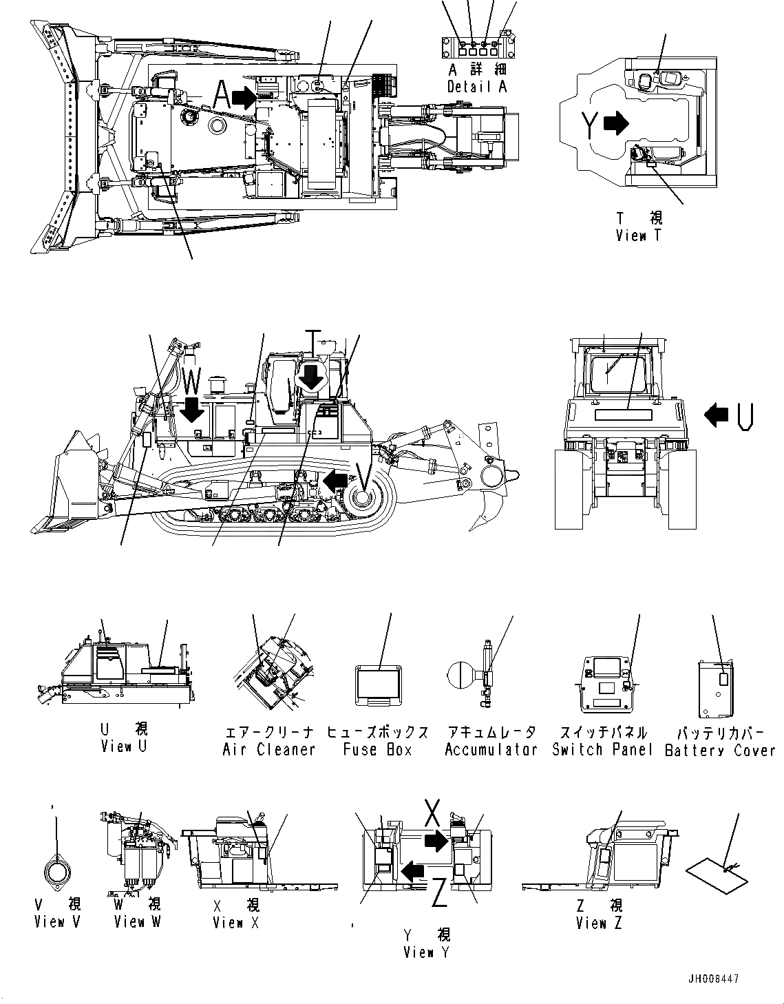
10
17
33
32
34
35
31
12
8
11
6
30
18
26
23
7
9
3
22
13
29
5
24
4
14
1
2
19
20
21
25
27
28
2
2
15
16
FIT
1:1
100%

Артикул

Название

Примечание

Количество

1

195-98-27410

Plate

SN: 60001-UP

1шт.

2

14X-98-11170

Plate, Operating, Lock

SN: 60001-UP

3шт.

3

195-98-27530

Plate

SN: 60001-UP

1шт.

4

17A-98-11180

Plate

SN: 60001-UP

1шт.

5

195-98-27560

Plate

SN: 60001-UP

1шт.

6

09690-P0710

Plate, Komatsu Logo

SN: 60001-UP

1шт.

7

09690-P0710

Plate, Komatsu Logo

SN: 60001-UP

1шт.

8

195-98-27551

Mark

SN: 60001-UP

1шт.

9

195-98-27541

Mark

SN: 60001-UP

1шт.

10

09669-0000E

Plate, Symbol, Fuel Filler

SN: 60001-UP

1шт.

11

20Y-00-41530

Plate, Symbol, Ecot3

SN: 60001-UP

1шт.

12

195-98-27690

Plate

SN: 60001-UP

1шт.

13

6245-81-9410

Plate, Fuel Priming Pump Switch

SN: 60001-UP

1шт.

14

09649-03012

Plate, Notice, Engine Shutdown

SN: 60001-UP

1шт.

15

195-98-22931

Plate

SN: 60001-UP

2шт.

16

01220-60408

Screw, Philips Head

SN: 60001-UP

6шт.

17

09653-03001

Plate, Warning, High Temperature

SN: 60001-UP

1шт.

18

09668-03001

Plate, Warning, Hot Water

SN: 60001-UP

1шт.

19

09654-33001

Plate, Warning, Before Leaving Seat

SN: 60001-UP

1шт.

20

09651-03001

Plate, Warning, Read Manual Before Operating

SN: 60001-UP

1шт.

21

09802-13000

Plate, Warning, Before Operating and Traveling

SN: 60001-UP

1шт.

22

09659-53000

Plate, Warning, Explosion Hazard

SN: 60001-UP

1шт.

23

09812-03000

Plate, Danger, Keep a Safe Distance

SN: 60001-UP

2шт.

24

09963-03001

Tag, Danger, Do Not Operate

SN: 60001-UP

1шт.

25

09808-03000

Plate, Warning, Battery Cables

SN: 60001-UP

1шт.

26

09667-03001

Plate, Caution, Rotating Object

SN: 60001-UP

2шт.

27

09602-15000

Plate, Name (Limited Supply)

SN: 60001-UP

1шт.

28

04418-13060

Screw

SN: 60001-UP

4шт.

29

09637-30163

Plate, Service Instruction, Air Cleaner

SN: 60001-UP

1шт.

30

6217-71-6470

Plate, Fuel Filter Replace

SN: 60001-UP

1шт.

31

09690-P1800

Plate, Komatsu Logo

SN: 60001-UP

1шт.

32

195-98-27710

Plate

SN: 60001-UP

1шт.

33

195-98-27720

Plate

SN: 60001-UP

1шт.

34

195-98-27730

Plate

SN: 60001-UP

1шт.

35

195-98-27740

Plate

SN: 60001-UP

1шт.

Выбрано товаров: 35