Запчасти Komatsu D375A-6 СИЛОВАЯ ПЕРЕДАЧА, ВСАСЫВАЮЩИЙ ПАТРУБОК (№-) СИЛОВАЯ ПЕРЕДАЧА, БЕЗ VHMS (VHMS)

Схема запчастей Komatsu D375A-6 - СИЛОВАЯ ПЕРЕДАЧА, ВСАСЫВАЮЩИЙ ПАТРУБОК (№-) СИЛОВАЯ ПЕРЕДАЧА, БЕЗ VHMS (VHMS)
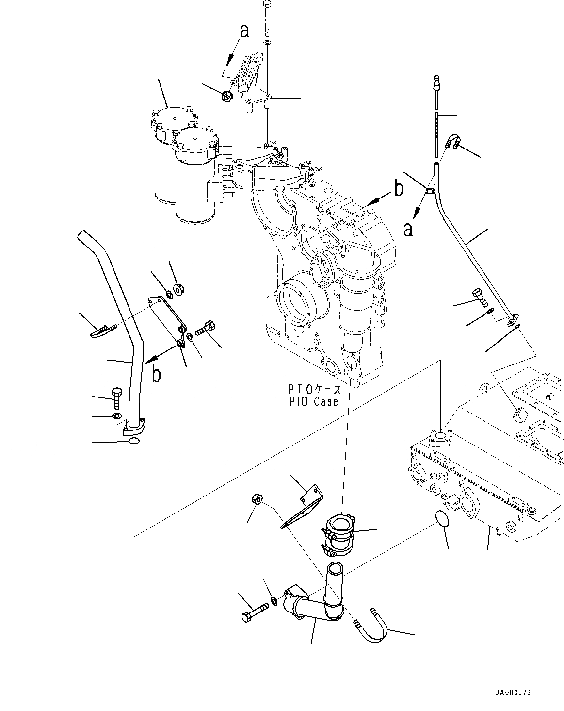
11
12
13
14
15
16
18
19
20
21
22
23
24
25
26
17
29
28
27
1
2
3
4
5
6
7
8
9
10
FIT
1:1
100%

Артикул

Название

Примечание

Количество

|$0

195-22-80000

Power Train Assembly

SN: 60001-UP

1шт.

1

195-49-73311

Tube

SN: 60001-UP

1шт.

2

07000-72060

O-ring

SN: 60001-UP

1шт.

3

01010-81250

Bolt

SN: 60001-UP

2шт.

4

01643-31232

Washer

SN: 60001-UP

2шт.

5

195-49-73411

Bracket

SN: 60001-UP

1шт.

6

01010-61665

Bolt

SN: 60001-UP

2шт.

7

01643-31645

Washer

SN: 60001-UP

2шт.

8

07283-36155

Clip

SN: 60001-UP

1шт.

9

01597-01009

Nut

SN: 60001-UP

2шт.

10

01643-31032

Washer

SN: 60001-UP

2шт.

11

195-49-72311

Tube

SN: 60001-UP

1шт.

12

07000-72016

O-ring

SN: 60001-UP

1шт.

13

01010-81230

Bolt

SN: 60001-UP

2шт.

14

01643-31232

Washer

SN: 60001-UP

2шт.

15

07283-31529

Clip, Pipe

SN: 60001-UP

1шт.

16

07283-51523

Seat

SN: 60001-UP

1шт.

17

01594-00807

Nut, Flanged

SN: 60001-UP

2шт.

18

195-49-31350

Gauge

SN: 60001-UP

1шт.

19

195-49-31432

Tube

SN: 60001-UP

1шт.

20

07000-72090

O-ring

SN: 60001-UP

1шт.

21

01010-81295

Bolt

SN: 60001-UP

2шт.

22

01643-31232

Washer

SN: 60001-UP

2шт.

23

195-49-51450

Bracket

SN: 60001-UP

1шт.

24

07283-38973

Clip, Pipe

SN: 60001-UP

1шт.

25

01595-01210

Nut, Flanged

SN: 60001-UP

2шт.

26

07332-03000

Coupling

SN: 60001-UP

1шт.

27

195-49-73320

Case

SN: UP

-1шт.

28

195-49-73331

Block

SN: UP

-1шт.

29

195-49-73341

Tank

SN: UP

-1шт.

Выбрано товаров: 30