Запчасти Komatsu D375A-6 ДВИГАТЕЛЬ ПРОВОДКА, ДВИГАТЕЛЬ ОСНОВН. ПРОВОДКА (№-) ДВИГАТЕЛЬ ПРОВОДКА, ПРОВОДКА, ЧАСТЬ NO. И MANUFACTURING DATE CODE

Схема запчастей Komatsu D375A-6 - ДВИГАТЕЛЬ ПРОВОДКА, ДВИГАТЕЛЬ ОСНОВН. ПРОВОДКА (№-) ДВИГАТЕЛЬ ПРОВОДКА, ПРОВОДКА, ЧАСТЬ NO. И MANUFACTURING DATE CODE
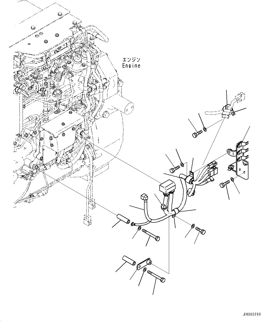
1
2
3
4
5
6
7
8
9
10
11
12
13
14
22
23
24
17
20
21
19
18
15
16
FIT
1:1
100%

Артикул

Название

Примечание

Количество

1

195-06-71831

Bracket

SN: 60001-UP

1шт.

2

01010-81225

Bolt

SN: 60001-UP

2шт.

3

01643-31232

Washer

SN: 60001-UP

2шт.

4

195-06-55621

Wiring Harness

SN: 60001-UP

1шт.

5

19M-06-31720

Resistor

SN: 60001-UP

1шт.

6

195-01-16420

Collar

SN: 60001-UP

1шт.

7

01011-81015

Bolt

SN: 60001-UP

1шт.

8

01643-31032

Washer

SN: 60001-UP

1шт.

9

04434-53412

Clip

SN: 60001-UP

1шт.

10

07095-20627

Cushion

SN: 60001-UP

1шт.

11

01010-81225

Bolt

SN: 60001-UP

1шт.

12

01643-31232

Washer

SN: 60001-UP

1шт.

13

04434-52112

Clip

SN: 60001-UP

1шт.

14

07095-20314

Cushion

SN: 60001-UP

1шт.

15

01010-81225

Bolt

SN: 60001-UP

1шт.

16

01643-31232

Washer

SN: 60001-UP

1шт.

17

195-06-71851

Bracket

SN: 60001-UP

1шт.

18

07095-20627

Cushion

SN: 60001-UP

1шт.

19

04434-53411

Clip

SN: 60001-UP

1шт.

20

01010-81025

Bolt

SN: 60001-UP

1шт.

21

01643-31032

Washer

SN: 60001-UP

1шт.

22

6130-12-4571

Spacer

SN: 60001-UP

1шт.

23

01010-81095

Bolt

SN: 60001-UP

1шт.

24

01643-31032

Washer

SN: 60001-UP

1шт.

Выбрано товаров: 24