Запчасти Komatsu D375A-6 БЫСТРОСЪЕМН. МЕХ-М ТРУБЫ, ДВИГАТЕЛЬ МАСЛОПРОВОДЯЩАЯ ЛИНИЯ (№-) БЫСТРОСЪЕМН. МЕХ-М ТРУБЫ, МАСЛ. И ХЛАДАГЕНТ БЫСТР. ЗАПРАВ., С ПОДДОН ДВИГ-ЛЯ И ПОДОГРЕВАТЕЛЬ ХЛАДАГЕНТА

Схема запчастей Komatsu D375A-6 - БЫСТРОСЪЕМН. МЕХ-М ТРУБЫ, ДВИГАТЕЛЬ МАСЛОПРОВОДЯЩАЯ ЛИНИЯ (№-) БЫСТРОСЪЕМН. МЕХ-М ТРУБЫ, МАСЛ. И ХЛАДАГЕНТ БЫСТР. ЗАПРАВ., С ПОДДОН ДВИГ-ЛЯ И ПОДОГРЕВАТЕЛЬ ХЛАДАГЕНТА
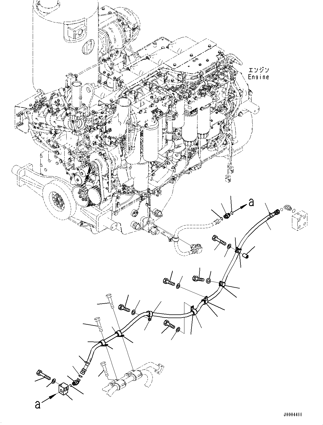
1
2
3
4
5
6
7
8
9
10
11
12
13
14
15
16
17
18
19
20
21
22
23
24
25
26
27
28
29
30
31
11
10
9
8
31
31
21
20
2
FIT
1:1
100%

Артикул

Название

Примечание

Количество

1

195-01-61421

Hose Assembly

SN: 60001-UP

1шт.

2

20Y-62-22820

Band, Blue

SN: 60001-UP

2шт.

3

04434-53412

Clip

SN: 60001-UP

1шт.

4

07095-20625

Cushion

SN: 60001-UP

1шт.

5

01010-81265

Bolt

SN: 60001-UP

1шт.

6

01643-31232

Washer

SN: 60001-UP

1шт.

7

205-03-71330

Collar

SN: 60001-UP

1шт.

8

04434-53412

Clip

SN: 60001-UP

2шт.

9

07095-20625

Cushion

SN: 60001-UP

2шт.

10

01010-81225

Bolt

SN: 60001-UP

2шт.

11

01643-31232

Washer

SN: 60001-UP

2шт.

12

04434-53412

Clip

SN: 60001-UP

1шт.

13

07095-20625

Cushion

SN: 60001-UP

1шт.

14

01010-81225

Bolt

SN: 60001-UP

1шт.

15

01643-31232

Washer

SN: 60001-UP

1шт.

16

04434-53412

Clip

SN: 60001-UP

1шт.

17

07095-20625

Cushion

SN: 60001-UP

1шт.

18

01010-81225

Bolt

SN: 60001-UP

1шт.

19

01643-31232

Washer

SN: 60001-UP

1шт.

20

04434-53412

Clip

SN: 60001-UP

2шт.

21

07095-20625

Cushion

SN: 60001-UP

2шт.

22

02783-10522

Elbow

SN: 60001-UP

1шт.

23

07002-12434

O-ring

SN: 60001-UP

1шт.

24

02896-11015

O-ring

SN: 60001-UP

1шт.

25

198-03-79281

Block

SN: 60001-UP

1шт.

26

01010-81295

Bolt

SN: 60001-UP

1шт.

27

01643-31232

Washer

SN: 60001-UP

1шт.

28

02781-00522

Union

SN: 60001-UP

1шт.

29

07002-12434

O-ring

SN: 60001-UP

1шт.

30

02896-11015

O-ring

SN: 60001-UP

1шт.

31

01010-81290

Bolt

SN: UP

-1шт.

Выбрано товаров: 31