Запчасти Komatsu D375A-6 КАПОТ, КРЕПЛЕНИЕ ШЛАНГОВ (№-) КАПОТ, С БОКОВ. КРЫШКАS ПЕРФОРИРОВАНН., MINING СПЕЦ-ЯIFICATION

Схема запчастей Komatsu D375A-6 - КАПОТ, КРЕПЛЕНИЕ ШЛАНГОВ (№-) КАПОТ, С БОКОВ. КРЫШКАS ПЕРФОРИРОВАНН., MINING СПЕЦ-ЯIFICATION
6
2
1
3
3
1
6
5
2
4
FIT
1:1
100%

Артикул

Название

Примечание

Количество

1

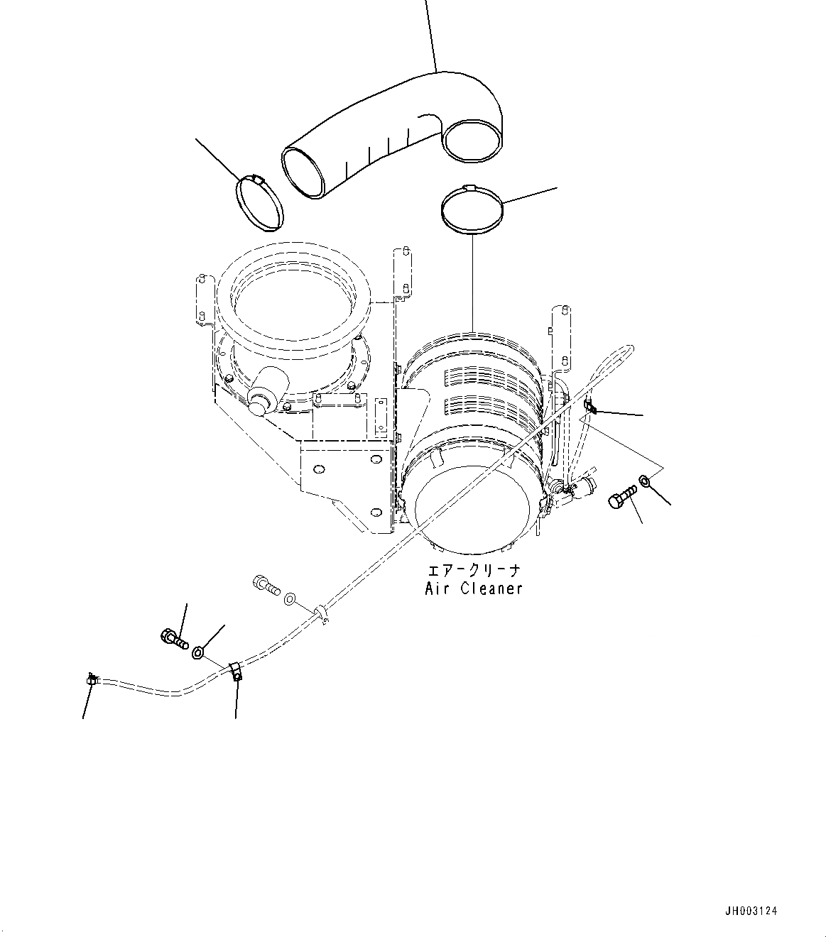
04434-51412

Clip

SN: 60001-UP

2шт.

2

01010-81230

Bolt

SN: 60001-UP

2шт.

3

01643-31232

Washer

SN: 60001-UP

2шт.

4

11Y-09-11130

Clamp

SN: 60001-UP

2шт.

5

195-01-41161

Hose

SN: 60001-UP

1шт.

6

07289-00170

Clamp, Hose

SN: 60001-UP

2шт.

Выбрано товаров: 6