Запчасти Komatsu D375A-6 КРЫЛО, УПРАВЛЯЮЩ. КЛАПАН КОМПОНЕНТЫ (/) (№-) КРЫЛО, ВЫСОК. ЕМК. АККУМУЛЯТОР, С VHMS, УРОВЕНЬ ДАТЧИК

Схема запчастей Komatsu D375A-6 - КРЫЛО, УПРАВЛЯЮЩ. КЛАПАН КОМПОНЕНТЫ (/) (№-) КРЫЛО, ВЫСОК. ЕМК. АККУМУЛЯТОР, С VHMS, УРОВЕНЬ ДАТЧИК
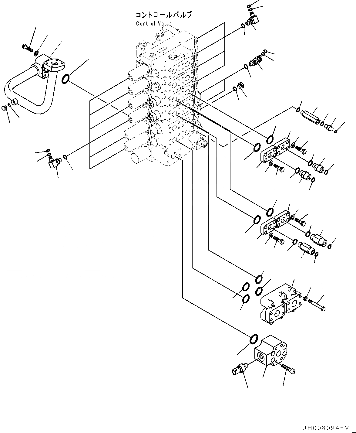
21
20
10
22
18
24
23
26
26
26
26
29
29
29
29
33
35
35
36
36
30
30
31
31
32
32
27
27
27
27
28
28
28
28
3
2
1
4
3
2
1
4
3
2
1
4
5
7
12
13
14
15
16
6
8
9
11
17
19
25
25
25
25
34
FIT
1:1
100%

Артикул

Название

Примечание

Количество

1

20Y-62-22271

Elbow

SN: 60001-UP

12шт.

2

201-60-11390

O-ring

SN: 60001-UP

1шт.

3

20Y-62-19560

O-ring

SN: 60001-UP

1шт.

4

07002-11423

O-ring

SN: 60001-UP

12шт.

5

20Y-62-27680

Adapter

SN: 60001-UP

1шт.

6

07002-11423

O-ring

SN: 60001-UP

1шт.

7

20Y-62-41910

Nipple

SN: 60001-UP

1шт.

8

07002-11423

O-ring

SN: 60001-UP

1шт.

9

02896-11008

O-ring

SN: 60001-UP

1шт.

10

07040-11409

Plug

SN: 60001-UP

1шт.

11

07002-11423

O-ring

SN: 60001-UP

1шт.

12

195-60-52521

Tube

SN: 60001-UP

1шт.

13

07000-13035

O-ring

SN: 60001-UP

1шт.

14

01010-81060

Bolt

SN: 60001-UP

4шт.

15

01643-31032

Washer

SN: 60001-UP

4шт.

16

07040-11007

Plug

SN: 60001-UP

1шт.

17

07002-11023

O-ring

SN: 60001-UP

1шт.

18

195-60-52551

Block

SN: 60001-UP

1шт.

19

07000-13038

O-ring

SN: 60001-UP

1шт.

20

01252-A1275

Bolt, Hexagon Socket Head

SN: 60001-UP

4шт.

21

7861-93-1652

Sensor, Pressure

SN: 60054-UP

1шт.

21

7861-93-1651

Sensor, Pressure

SN: 60008-60053

1шт.

21

7861-93-1650

Sensor, Pressure

SN: 60001-60007

1шт.

|$23

07002-61823

O-ring

SN: 60054-UP

1шт.

|$24

07002-11823

O-ring

SN: 60001-60053

1шт.

22

195-61-61971

Joint

SN: 60001-UP

1шт.

23

195-78-63210

Bolt

SN: 60001-UP

6шт.

24

01643-51032

Washer

SN: 60001-UP

6шт.

25

07000-13032

O-ring

SN: 60001-UP

4шт.

26

17M-61-43180

Plate

SN: 60001-UP

4шт.

27

07372-21035

Bolt

SN: 60001-UP

16шт.

28

01643-51032

Washer

SN: 60001-UP

16шт.

29

07000-13032

O-ring

SN: 60001-UP

4шт.

30

02781-00516

Union

SN: 60001-UP

2шт.

31

07002-12034

O-ring

SN: 60001-UP

2шт.

32

02896-11015

O-ring

SN: 60001-UP

2шт.

33

21W-62-43121

Nipple

SN: 60001-UP

1шт.

34

419-62-43120

Nipple

SN: 60001-UP

1шт.

35

07002-12034

O-ring

SN: 60001-UP

2шт.

36

02896-11015

O-ring

SN: 60001-UP

2шт.

Выбрано товаров: 40