Запчасти Komatsu SAA6D170E-5E ЭЛЕМЕНТЫ БЛОКА ЦИЛИНДРОВ, (/) (№7-) ЭЛЕМЕНТЫ БЛОКА ЦИЛИНДРОВ, ДЛЯ VHMS БЕЗ ORB И БЕЗ CGC, VHMS И ORB, ПОДДОН ДВИГ-ЛЯ И ПОДОГРЕВАТЕЛЬ ХЛАДАГЕНТА

Схема запчастей Komatsu SAA6D170E-5E - ЭЛЕМЕНТЫ БЛОКА ЦИЛИНДРОВ, (/) (№7-) ЭЛЕМЕНТЫ БЛОКА ЦИЛИНДРОВ, ДЛЯ VHMS БЕЗ ORB И БЕЗ CGC, VHMS И ORB, ПОДДОН ДВИГ-ЛЯ И ПОДОГРЕВАТЕЛЬ ХЛАДАГЕНТА
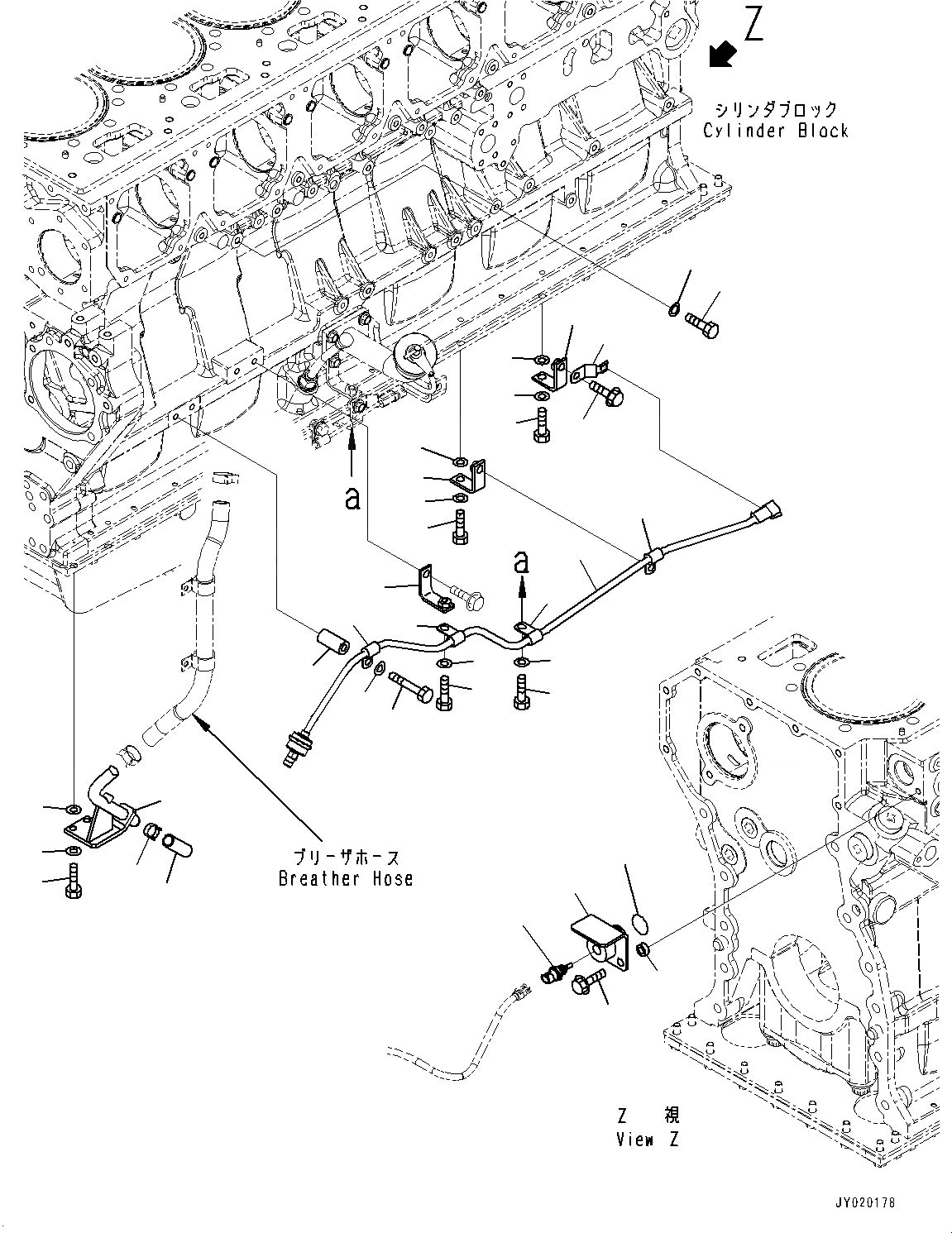
1
2
3
5
6
7
8
13
14
15
16
9
10
11
12
17
18
19
21
22
23
24
25
27
28
29
30
31
32
33
34
26
4
20
36
35
1
2
3
5
6
7
8
13
14
15
16
9
10
11
12
17
18
19
21
22
23
24
25
27
28
29
30
31
32
33
34
26
4
20
36
35
FIT
1:1
100%

Артикул

Название

Примечание

Количество

1

6218-81-4111

Sensor Assembly

SN: 511657-UP

1шт.

2

6245-21-6220

Tube

SN: 511657-UP

1шт.

3

01010-81050

Bolt

SN: 511657-UP

2шт.

4

01643-31032

Washer

SN: 511657-UP

2шт.

5

01643-31032

Washer

SN: 511657-UP

2шт.

6

600-051-2100

Clip

SN: 511674-UP

1шт.

6

600-051-2080

Clip

SN: 511657-511673

1шт.

7

01010-81020

Bolt

SN: 511657-UP

1шт.

8

01643-31032

Washer

SN: 511657-UP

1шт.

9

6934-71-5860

Bracket

SN: 511657-UP

1шт.

10

600-051-2100

Clip

SN: 511674-UP

1шт.

10

600-051-2080

Clip

SN: 511657-511673

1шт.

11

01010-81070

Bolt

SN: 511657-UP

1шт.

12

01643-31032

Washer

SN: 511657-UP

1шт.

13

6152-21-6590

Spacer

SN: 511657-UP

1шт.

14

600-051-2100

Clip

SN: 511674-UP

1шт.

14

600-051-2080

Clip

SN: 511657-511673

1шт.

15

01010-81020

Bolt

SN: 511657-UP

1шт.

16

01643-31032

Washer

SN: 511657-UP

1шт.

17

600-051-2100

Clip

SN: 511674-UP

1шт.

17

600-051-2080

Clip

SN: 511657-511673

1шт.

18

6934-71-5860

Bracket

SN: 511657-UP

1шт.

19

01010-81055

Bolt

SN: 511657-UP

1шт.

20

01643-31032

Washer

SN: 511657-UP

1шт.

21

01643-31032

Washer

SN: 511657-UP

1шт.

22

08193-20010

Clip

SN: 511657-UP

1шт.

23

01435-01016

Bolt

SN: 511657-UP

1шт.

24

6934-71-5860

Bracket

SN: 511657-UP

1шт.

25

01010-81055

Bolt

SN: 511657-UP

1шт.

26

01643-31032

Washer

SN: 511657-UP

1шт.

27

01643-31032

Washer

SN: 511657-UP

1шт.

28

07286-01935

Hose

SN: 511657-UP

1шт.

29

07285-00220

Clip

SN: 511657-UP

1шт.

30

6245-21-6810

Adapter

SN: 511657-UP

1шт.

31

6240-61-6370

O-ring

SN: 511657-UP

1шт.

32

01435-01025

Bolt

SN: 511657-UP

1шт.

33

417-823-1460

Spacer

SN: 511657-UP

1шт.

34

6261-81-6901

Sensor Assembly

SN: 511657-UP

1шт.

34

6216-84-9740

Seal

SN: 511657-UP

1шт.

35

01050-51012

Bolt

SN: 511657-UP

1шт.

36

07005-01012

Seal, Washer

SN: 511657-UP

1шт.

1

6218-81-4111

Sensor Assembly

SN: 511657-UP

1шт.

2

6245-21-6220

Tube

SN: 511657-UP

1шт.

3

01010-81050

Bolt

SN: 511657-UP

2шт.

4

01643-31032

Washer

SN: 511657-UP

2шт.

5

01643-31032

Washer

SN: 511657-UP

2шт.

6

600-051-2100

Clip

SN: 511674-UP

1шт.

6

600-051-2080

Clip

SN: 511657-511673

1шт.

7

01010-81020

Bolt

SN: 511657-UP

1шт.

8

01643-31032

Washer

SN: 511657-UP

1шт.

9

6934-71-5860

Bracket

SN: 511657-UP

1шт.

10

600-051-2100

Clip

SN: 511674-UP

1шт.

10

600-051-2080

Clip

SN: 511657-511673

1шт.

11

01010-81070

Bolt

SN: 511657-UP

1шт.

12

01643-31032

Washer

SN: 511657-UP

1шт.

13

6152-21-6590

Spacer

SN: 511657-UP

1шт.

14

600-051-2100

Clip

SN: 511674-UP

1шт.

14

600-051-2080

Clip

SN: 511657-511673

1шт.

15

01010-81020

Bolt

SN: 511657-UP

1шт.

16

01643-31032

Washer

SN: 511657-UP

1шт.

17

600-051-2100

Clip

SN: 511674-UP

1шт.

17

600-051-2080

Clip

SN: 511657-511673

1шт.

18

6934-71-5860

Bracket

SN: 511657-UP

1шт.

19

01010-81055

Bolt

SN: 511657-UP

1шт.

20

01643-31032

Washer

SN: 511657-UP

1шт.

21

01643-31032

Washer

SN: 511657-UP

1шт.

22

08193-20010

Clip

SN: 511657-UP

1шт.

23

01435-01016

Bolt

SN: 511657-UP

1шт.

24

6934-71-5860

Bracket

SN: 511657-UP

1шт.

25

01010-81055

Bolt

SN: 511657-UP

1шт.

26

01643-31032

Washer

SN: 511657-UP

1шт.

27

01643-31032

Washer

SN: 511657-UP

1шт.

28

07286-01935

Hose

SN: 511657-UP

1шт.

29

07285-00220

Clip

SN: 511657-UP

1шт.

30

6245-21-6810

Adapter

SN: 511657-UP

1шт.

31

6240-61-6370

O-ring

SN: 511657-UP

1шт.

32

01435-01025

Bolt

SN: 511657-UP

1шт.

33

417-823-1460

Spacer

SN: 511657-UP

1шт.

34

6261-81-6901

Sensor Assembly

SN: 511657-UP

1шт.

34

6216-84-9740

Seal

SN: 511657-UP

1шт.

35

01050-51012

Bolt

SN: 511657-UP

1шт.

36

07005-01012

Seal, Washer

SN: 511657-UP

1шт.

Выбрано товаров: 82