Запчасти Komatsu SAA6D170E-5E ЭЛЕМЕНТЫ БЛОКА ЦИЛИНДРОВ, (/) (№7-) ЭЛЕМЕНТЫ БЛОКА ЦИЛИНДРОВ, ДВИГАТЕЛЬ PRE-СМАЗКА СИСТЕМА, ДЛЯ VHMS БЕЗ ORB И БЕЗ CGC, VHMS И ORB, ПОДДОН ДВИГ-ЛЯ AND

Схема запчастей Komatsu SAA6D170E-5E - ЭЛЕМЕНТЫ БЛОКА ЦИЛИНДРОВ, (/) (№7-) ЭЛЕМЕНТЫ БЛОКА ЦИЛИНДРОВ, ДВИГАТЕЛЬ PRE-СМАЗКА СИСТЕМА, ДЛЯ VHMS БЕЗ ORB И БЕЗ CGC, VHMS И ORB, ПОДДОН ДВИГ-ЛЯ AND
19
20
21
22
23
21
14
24
25
1
2
3
26
27
28
32
37
37
36
35
34
33
30
29
31
38
4
5
6
7
8
9
10
11
12
13
18
15
17
16
19
20
21
22
23
21
14
24
25
1
2
3
26
27
28
32
37
37
36
35
34
33
30
29
31
38
4
5
6
7
8
9
10
11
12
13
18
15
17
16
FIT
1:1
100%

Артикул

Название

Примечание

Количество

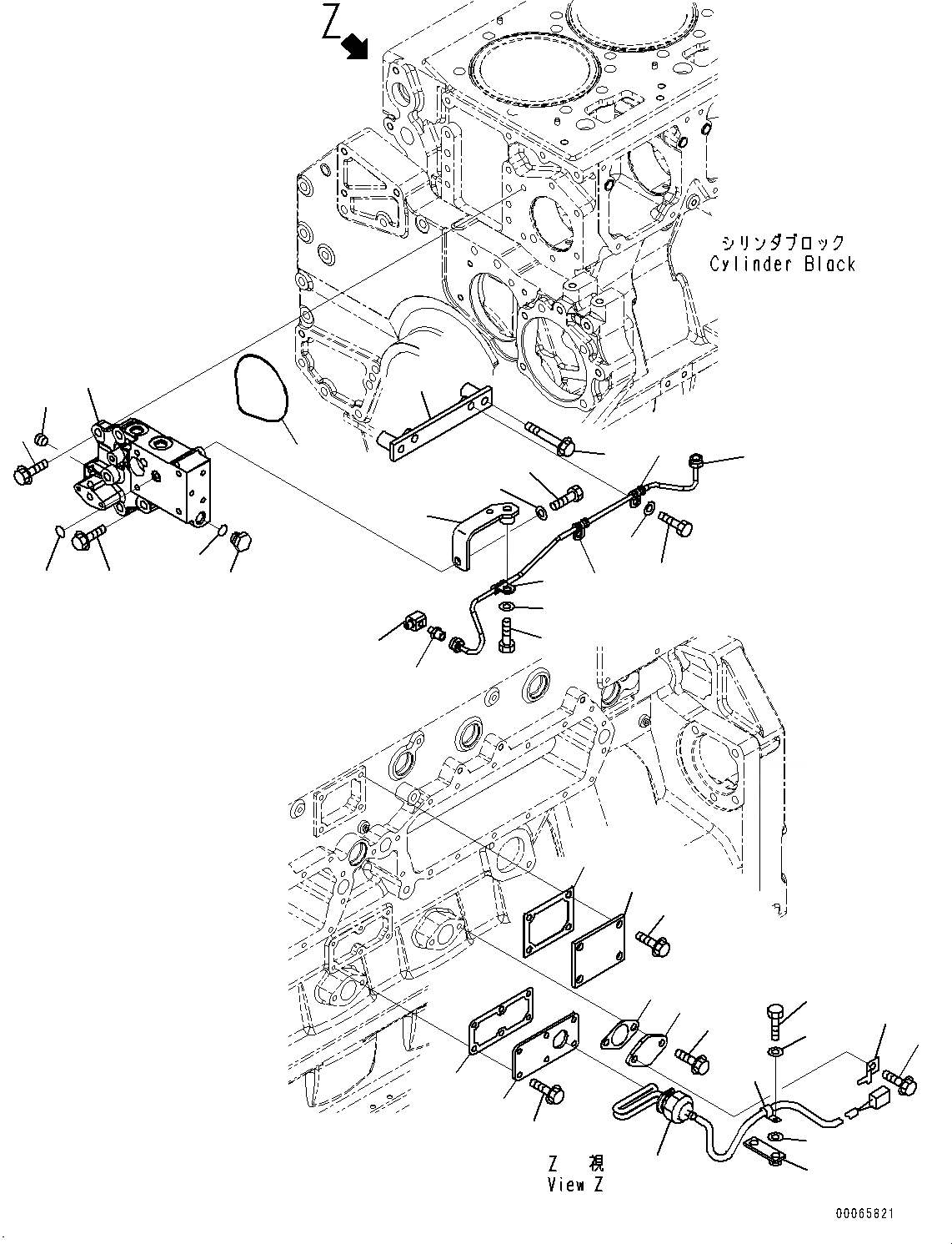
1

6162-23-6530

Plate

SN: 511657-UP

1шт.

2

6127-51-6822

Gasket

SN: 511657-UP

1шт.

3

01435-01020

Bolt

SN: 511657-UP

1шт.

4

6245-81-6110

Block

SN: 511657-UP

1шт.

5

07000-72115

O-ring

SN: 511657-UP

1шт.

6

01435-01235

Bolt

SN: 511657-UP

1шт.

7

01435-01250

Bolt

SN: 511657-UP

5шт.

8

07040-11812

Plug

SN: 511657-UP

1шт.

9

07002-21823

O-ring

SN: 511657-UP

1шт.

10

07043-70211

Plug

SN: 511657-UP

1шт.

11

07000-72014

O-ring

SN: 511657-UP

1шт.

12

6127-81-4690

Nipple

SN: 511657-UP

1шт.

13

07213-50710

Connector

SN: 511657-UP

1шт.

14

6245-81-6710

Tube

SN: 511657-UP

1шт.

15

6150-71-8231

Clip

SN: 511657-UP

1шт.

16

01010-81025

Bolt

SN: 511657-UP

1шт.

17

01643-31032

Washer

SN: 511657-UP

1шт.

18

6245-81-6730

Bracket

SN: 511657-UP

1шт.

19

01010-81025

Bolt

SN: 511657-UP

1шт.

20

01643-31032

Washer

SN: 511657-UP

1шт.

21

6150-71-8231

Clip

SN: 511657-UP

2шт.

22

01010-81025

Bolt

SN: 511657-UP

2шт.

23

01643-31032

Washer

SN: 511657-UP

2шт.

24

6245-81-6720

Bracket

SN: 511657-UP

1шт.

25

01435-01070

Bolt

SN: 511657-UP

2шт.

26

6240-21-1960

Plate

SN: 511657-UP

1шт.

27

6210-21-1971

Gasket

SN: 511657-UP

1шт.

28

01435-01020

Bolt

SN: 511657-UP

3шт.

29

6162-63-6630

Plate

SN: 511657-UP

1шт.

30

6162-63-6731

Gasket

SN: 511657-UP

1шт.

31

01435-00820

Bolt

SN: 511657-UP

6шт.

32

600-815-9350

Heater, Block

SN: 511657-UP

1шт.

33

08193-20010

Clip

SN: 511657-UP

1шт.

34

01435-01025

Bolt

SN: 511657-UP

1шт.

35

600-051-2080

Clip

SN: 511657-UP

1шт.

36

01010-81025

Bolt

SN: 511657-UP

1шт.

37

01643-31032

Washer

SN: 511657-UP

2шт.

38

426-01-11310

Bracket

SN: 511657-UP

1шт.

1

6162-23-6530

Plate

SN: 511657-UP

1шт.

2

6127-51-6822

Gasket

SN: 511657-UP

1шт.

3

01435-01020

Bolt

SN: 511657-UP

1шт.

4

6245-81-6110

Block

SN: 511657-UP

1шт.

5

07000-72115

O-ring

SN: 511657-UP

1шт.

6

01435-01235

Bolt

SN: 511657-UP

1шт.

7

01435-01250

Bolt

SN: 511657-UP

5шт.

8

07040-11812

Plug

SN: 511657-UP

1шт.

9

07002-21823

O-ring

SN: 511657-UP

1шт.

10

07043-70211

Plug

SN: 511657-UP

1шт.

11

07000-72014

O-ring

SN: 511657-UP

1шт.

12

6127-81-4690

Nipple

SN: 511657-UP

1шт.

13

07213-50710

Connector

SN: 511657-UP

1шт.

14

6245-81-6710

Tube

SN: 511657-UP

1шт.

15

6150-71-8231

Clip

SN: 511657-UP

1шт.

16

01010-81025

Bolt

SN: 511657-UP

1шт.

17

01643-31032

Washer

SN: 511657-UP

1шт.

18

6245-81-6730

Bracket

SN: 511657-UP

1шт.

19

01010-81025

Bolt

SN: 511657-UP

1шт.

20

01643-31032

Washer

SN: 511657-UP

1шт.

21

6150-71-8231

Clip

SN: 511657-UP

2шт.

22

01010-81025

Bolt

SN: 511657-UP

2шт.

23

01643-31032

Washer

SN: 511657-UP

2шт.

24

6245-81-6720

Bracket

SN: 511657-UP

1шт.

25

01435-01070

Bolt

SN: 511657-UP

2шт.

26

6240-21-1960

Plate

SN: 511657-UP

1шт.

27

6210-21-1971

Gasket

SN: 511657-UP

1шт.

28

01435-01020

Bolt

SN: 511657-UP

3шт.

29

6162-63-6630

Plate

SN: 511657-UP

1шт.

30

6162-63-6731

Gasket

SN: 511657-UP

1шт.

31

01435-00820

Bolt

SN: 511657-UP

6шт.

32

600-815-9350

Heater, Block

SN: 511657-UP

1шт.

33

08193-20010

Clip

SN: 511657-UP

1шт.

34

01435-01025

Bolt

SN: 511657-UP

1шт.

35

600-051-2080

Clip

SN: 511657-UP

1шт.

36

01010-81025

Bolt

SN: 511657-UP

1шт.

37

01643-31032

Washer

SN: 511657-UP

2шт.

38

426-01-11310

Bracket

SN: 511657-UP

1шт.

Выбрано товаров: 76