Запчасти Komatsu SAA6D170E-5E ЭЛЕМЕНТЫ БЛОКА ЦИЛИНДРОВ, (/) (№7-) ЭЛЕМЕНТЫ БЛОКА ЦИЛИНДРОВ, ДВИГАТЕЛЬ PRE-СМАЗКА СИСТЕМА, ДЛЯ ПОДДОН ДВИГ-ЛЯ И ПОДОГРЕВАТЕЛЬ ХЛАДАГЕНТА

Схема запчастей Komatsu SAA6D170E-5E - ЭЛЕМЕНТЫ БЛОКА ЦИЛИНДРОВ, (/) (№7-) ЭЛЕМЕНТЫ БЛОКА ЦИЛИНДРОВ, ДВИГАТЕЛЬ PRE-СМАЗКА СИСТЕМА, ДЛЯ ПОДДОН ДВИГ-ЛЯ И ПОДОГРЕВАТЕЛЬ ХЛАДАГЕНТА
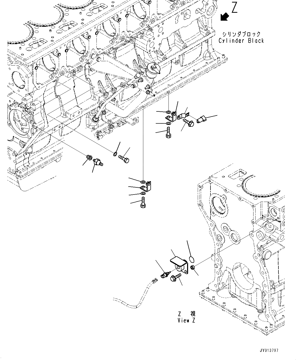
1
2
4
9
10
11
18
17
19
20
7
8
6
5
3
12
13
14
15
16
1
2
4
9
10
11
18
17
19
20
7
8
6
5
3
12
13
14
15
16
FIT
1:1
100%

Артикул

Название

Примечание

Количество

1

6934-71-5860

Bracket

SN: 511657-UP

1шт.

2

01010-81055

Bolt

SN: 511657-UP

1шт.

3

01643-31032

Washer

SN: 511657-UP

1шт.

4

01643-31032

Washer

SN: 511657-UP

1шт.

5

6934-71-5860

Bracket

SN: 511657-UP

1шт.

6

01010-81055

Bolt

SN: 511657-UP

1шт.

7

01643-31032

Washer

SN: 511657-UP

1шт.

8

01643-31032

Washer

SN: 511657-UP

1шт.

9

08193-20010

Clip

SN: 511657-UP

1шт.

10

01435-01016

Bolt

SN: 511657-UP

1шт.

11

6245-81-5290

Connector

SN: 511657-UP

1шт.

12

6245-21-6810

Adapter

SN: 511657-UP

1шт.

13

6240-61-6370

O-ring

SN: 511657-UP

1шт.

14

01435-01025

Bolt

SN: 511657-UP

1шт.

15

417-823-1460

Spacer

SN: 511657-UP

1шт.

16

6261-81-6901

Sensor Assembly, Water Temperature

SN: 511657-UP

1шт.

17

01050-51012

Bolt

SN: 511657-UP

1шт.

18

07005-01012

Seal, Washer

SN: 511657-UP

1шт.

19

7861-91-1320

Switch, Oil Pressure

SN: 511657-UP

1шт.

20

07326-00201

Adapter

SN: 511657-UP

1шт.

1

6934-71-5860

Bracket

SN: 511657-UP

1шт.

2

01010-81055

Bolt

SN: 511657-UP

1шт.

3

01643-31032

Washer

SN: 511657-UP

1шт.

4

01643-31032

Washer

SN: 511657-UP

1шт.

5

6934-71-5860

Bracket

SN: 511657-UP

1шт.

6

01010-81055

Bolt

SN: 511657-UP

1шт.

7

01643-31032

Washer

SN: 511657-UP

1шт.

8

01643-31032

Washer

SN: 511657-UP

1шт.

9

08193-20010

Clip

SN: 511657-UP

1шт.

10

01435-01016

Bolt

SN: 511657-UP

1шт.

11

6245-81-5290

Connector

SN: 511657-UP

1шт.

12

6245-21-6810

Adapter

SN: 511657-UP

1шт.

13

6240-61-6370

O-ring

SN: 511657-UP

1шт.

14

01435-01025

Bolt

SN: 511657-UP

1шт.

15

417-823-1460

Spacer

SN: 511657-UP

1шт.

16

6261-81-6901

Sensor Assembly, Water Temperature

SN: 511657-UP

1шт.

17

01050-51012

Bolt

SN: 511657-UP

1шт.

18

07005-01012

Seal, Washer

SN: 511657-UP

1шт.

19

7861-91-1320

Switch, Oil Pressure

SN: 511657-UP

1шт.

20

07326-00201

Adapter

SN: 511657-UP

1шт.

Выбрано товаров: 40