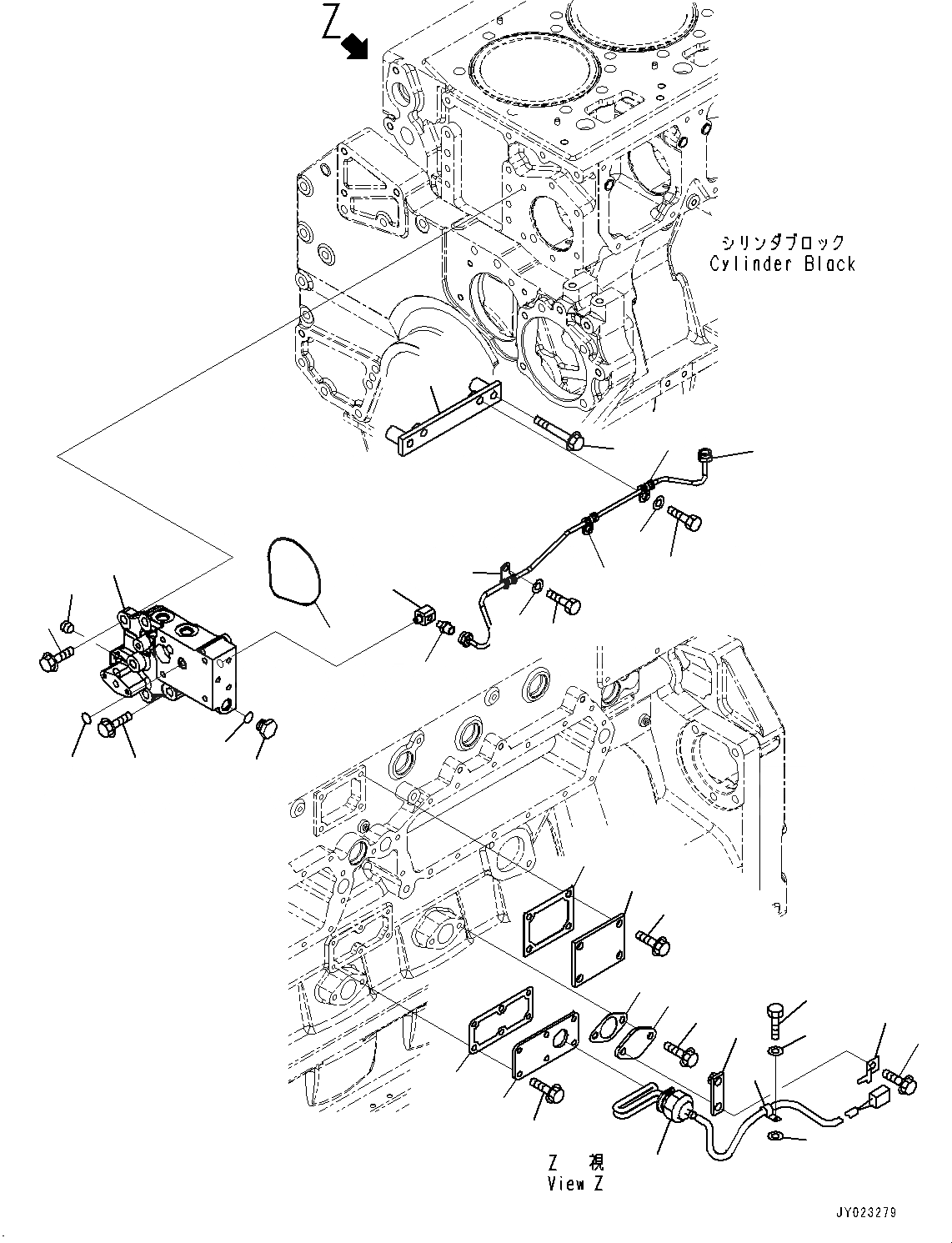
Запчасти Komatsu SAA6D170E-5E ЭЛЕМЕНТЫ БЛОКА ЦИЛИНДРОВ, (/) (№97-) ЭЛЕМЕНТЫ БЛОКА ЦИЛИНДРОВ, ДЛЯ EXTREME ХОЛОДН. AREA СПЕЦ-ЯIFICATION (- DEG C), ДВИГАТЕЛЬ PRE-СМАЗКА СИСТЕМА

Схема запчастей Komatsu SAA6D170E-5E - ЭЛЕМЕНТЫ БЛОКА ЦИЛИНДРОВ, (/) (№97-) ЭЛЕМЕНТЫ БЛОКА ЦИЛИНДРОВ, ДЛЯ EXTREME ХОЛОДН. AREA СПЕЦ-ЯIFICATION (- DEG C), ДВИГАТЕЛЬ PRE-СМАЗКА СИСТЕМА
18
19
20
18
14
21
22
1
2
3
23
24
25
29
34
34
33
32
31
30
27
26
28
35
4
5
6
7
8
9
10
11
12
13
15
16
17
18
19
20
18
14
21
22
1
2
3
23
24
25
29
34
34
33
32
31
30
27
26
28
35
4
5
6
7
8
9
10
11
12
13
15
16
17
FIT
1:1
100%

Артикул

Название

Примечание

Количество

1

6162-23-6530

Plate

SN: 513397-UP

1шт.

2

6127-51-6822

Gasket

SN: 513397-UP

1шт.

3

01435-01020

Bolt

SN: 513397-UP

1шт.

4

6245-81-6110

Block

SN: 513397-UP

1шт.

5

07000-72115

O-ring

SN: 513397-UP

1шт.

6

01435-01235

Bolt

SN: 513397-UP

1шт.

7

01435-01250

Bolt

SN: 513397-UP

5шт.

8

07040-11812

Plug

SN: 513397-UP

1шт.

9

07002-21823

O-ring

SN: 513397-UP

1шт.

10

07043-70211

Plug

SN: 513397-UP

1шт.

11

07000-72014

O-ring

SN: 513397-UP

1шт.

12

6127-81-4690

Nipple

SN: 513397-UP

1шт.

13

07213-50710

Connector

SN: 513397-UP

1шт.

14

6245-81-6710

Tube

SN: 513397-UP

1шт.

15

6150-71-8231

Clip

SN: 513397-UP

1шт.

16

01010-81025

Bolt

SN: 513397-UP

1шт.

17

01643-31032

Washer

SN: 513397-UP

1шт.

18

6150-71-8231

Clip

SN: 513397-UP

2шт.

19

01010-81025

Bolt

SN: 513397-UP

2шт.

20

01643-31032

Washer

SN: 513397-UP

2шт.

21

6245-81-6720

Bracket

SN: 513397-UP

1шт.

22

01435-01070

Bolt

SN: 513397-UP

2шт.

23

6240-21-1960

Plate

SN: 513397-UP

1шт.

24

6210-21-1971

Gasket

SN: 513397-UP

1шт.

25

01435-01020

Bolt

SN: 513397-UP

3шт.

26

6162-63-6630

Plate

SN: 513397-UP

1шт.

27

6162-63-6731

Gasket

SN: 513397-UP

1шт.

28

01435-00820

Bolt

SN: 513397-UP

6шт.

29

600-815-9350

Heater

SN: 513397-UP

1шт.

30

08193-20010

Clip

SN: 513397-UP

1шт.

31

01435-01025

Bolt

SN: 513397-UP

1шт.

32

600-051-2080

Clip

SN: 513397-UP

1шт.

33

01010-81025

Bolt

SN: 513397-UP

1шт.

34

01643-31032

Washer

SN: 513397-UP

2шт.

35

426-01-11310

Bracket

SN: 513397-UP

1шт.

1

6162-23-6530

Plate

SN: 513397-UP

1шт.

2

6127-51-6822

Gasket

SN: 513397-UP

1шт.

3

01435-01020

Bolt

SN: 513397-UP

1шт.

4

6245-81-6110

Block

SN: 513397-UP

1шт.

5

07000-72115

O-ring

SN: 513397-UP

1шт.

6

01435-01235

Bolt

SN: 513397-UP

1шт.

7

01435-01250

Bolt

SN: 513397-UP

5шт.

8

07040-11812

Plug

SN: 513397-UP

1шт.

9

07002-21823

O-ring

SN: 513397-UP

1шт.

10

07043-70211

Plug

SN: 513397-UP

1шт.

11

07000-72014

O-ring

SN: 513397-UP

1шт.

12

6127-81-4690

Nipple

SN: 513397-UP

1шт.

13

07213-50710

Connector

SN: 513397-UP

1шт.

14

6245-81-6710

Tube

SN: 513397-UP

1шт.

15

6150-71-8231

Clip

SN: 513397-UP

1шт.

16

01010-81025

Bolt

SN: 513397-UP

1шт.

17

01643-31032

Washer

SN: 513397-UP

1шт.

18

6150-71-8231

Clip

SN: 513397-UP

2шт.

19

01010-81025

Bolt

SN: 513397-UP

2шт.

20

01643-31032

Washer

SN: 513397-UP

2шт.

21

6245-81-6720

Bracket

SN: 513397-UP

1шт.

22

01435-01070

Bolt

SN: 513397-UP

2шт.

23

6240-21-1960

Plate

SN: 513397-UP

1шт.

24

6210-21-1971

Gasket

SN: 513397-UP

1шт.

25

01435-01020

Bolt

SN: 513397-UP

3шт.

26

6162-63-6630

Plate

SN: 513397-UP

1шт.

27

6162-63-6731

Gasket

SN: 513397-UP

1шт.

28

01435-00820

Bolt

SN: 513397-UP

6шт.

29

600-815-9350

Heater

SN: 513397-UP

1шт.

30

08193-20010

Clip

SN: 513397-UP

1шт.

31

01435-01025

Bolt

SN: 513397-UP

1шт.

32

600-051-2080

Clip

SN: 513397-UP

1шт.

33

01010-81025

Bolt

SN: 513397-UP

1шт.

34

01643-31032

Washer

SN: 513397-UP

2шт.

35

426-01-11310

Bracket

SN: 513397-UP

1шт.

Выбрано товаров: 70