Запчасти Komatsu SAA6D170E-5E ГЕНЕРАТОР, (/) (№7-) ГЕНЕРАТОР, 9AMP.

Схема запчастей Komatsu SAA6D170E-5E - ГЕНЕРАТОР, (/) (№7-) ГЕНЕРАТОР, 9AMP.
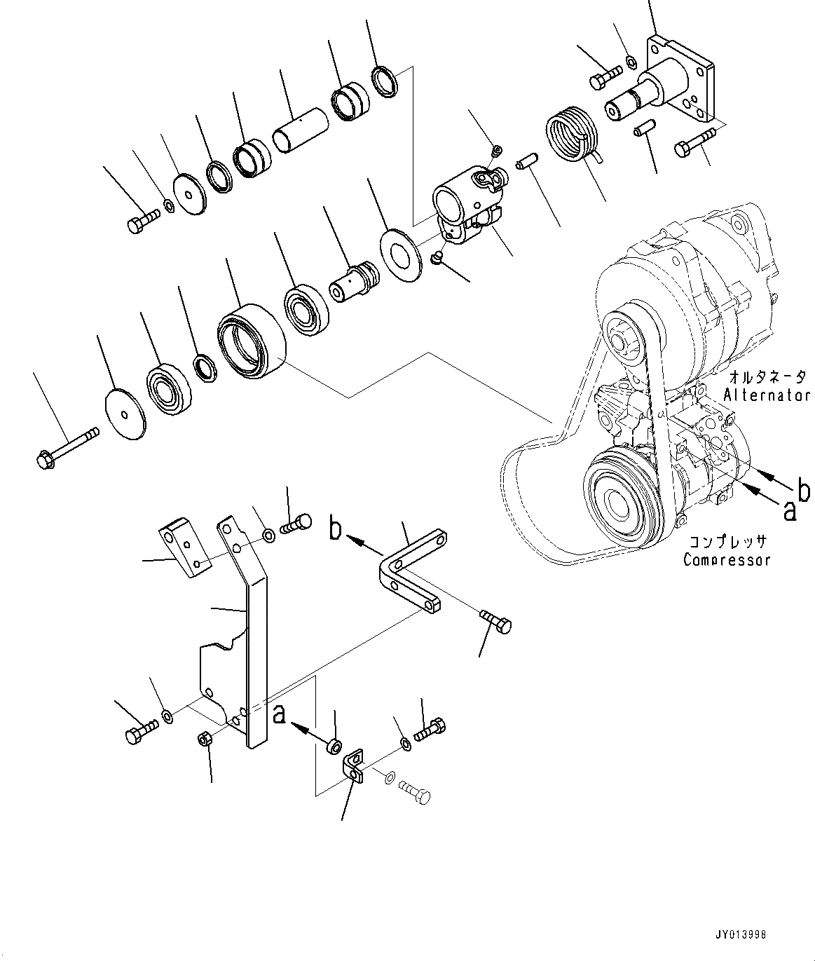
1
5
6
10
11
12
13
14
15
16
17
18
19
20
21
22
10
12
2
3
4
7
8
9
23
28
29
30
2
4
24
27
32
33
25
26
35
34
31
1
5
6
10
11
12
13
14
15
16
17
18
19
20
21
22
10
12
2
3
4
7
8
9
23
28
29
30
2
4
24
27
32
33
25
26
35
34
31
FIT
1:1
100%

Артикул

Название

Примечание

Количество

|$0

6245-81-6902

Tension Pulley Assembly

SN: 511657-UP

1шт.

1

6245-81-6912

Bracket

SN: 511657-UP

1шт.

2

6162-64-3910

Bearing, Needle

SN: 511657-UP

2шт.

3

6245-81-6840

Race, Inner

SN: 511657-UP

1шт.

4

6162-64-3930

Seal, Dust

SN: 511657-UP

2шт.

5

6245-81-6941

Shaft

SN: 511657-UP

1шт.

6

6245-81-6950

Spring, Tension

SN: 511657-UP

1шт.

7

6245-81-6961

Plate

SN: 511657-UP

1шт.

8

01010-81020

Bolt

SN: 511657-UP

1шт.

9

01643-31032

Washer

SN: 511657-UP

1шт.

10

04022-12035

Pin, Dowel

SN: 511657-UP

2шт.

11

6245-81-6971

Shaft

SN: 511657-UP

1шт.

12

06301-06306

Bearing, Ball

SN: 511657-UP

2шт.

13

6245-81-6981

Spacer

SN: 511657-UP

1шт.

14

6245-81-6990

Plate

SN: 511657-UP

1шт.

15

6245-81-6820

Pulley, Tension

SN: 511657-UP

1шт.

16

6245-81-6830

Plate

SN: 511657-UP

1шт.

17

01435-01020

Bolt

SN: 511657-UP

1шт.

18

07043-00108

Plug, Taper

SN: 511657-UP

3шт.

19

07029-00000

Valve, Relief

SN: 511657-UP

1шт.

20

01010-81090

Bolt

SN: 511657-UP

1шт.

21

01010-81030

Bolt

SN: 511657-UP

4шт.

22

01643-31032

Washer

SN: 511657-UP

4шт.

23

6245-81-6521

Bracket

SN: 511657-UP

1шт.

24

6245-81-6561

Bracket

SN: 511657-UP

1шт.

25

01010-81025

Bolt

SN: 511657-UP

2шт.

26

01643-31032

Washer

SN: 511657-UP

2шт.

27

01435-01025

Bolt

SN: 511657-UP

1шт.

28

6245-81-6290

Block

SN: 511657-UP

1шт.

29

01010-81020

Bolt

SN: 511657-UP

2шт.

30

01643-31032

Washer

SN: 511657-UP

2шт.

31

6215-51-8180

Bracket

SN: 511657-UP

1шт.

32

01010-81025

Bolt

SN: 511657-UP

1шт.

33

01643-31032

Washer

SN: 511657-UP

1шт.

34

01584-01008

Nut

SN: 511657-UP

1шт.

35

21T-72-14930

Boss

SN: 511657-UP

1шт.

|$0

6245-81-6902

Tension Pulley Assembly

SN: 511657-UP

1шт.

1

6245-81-6912

Bracket

SN: 511657-UP

1шт.

2

6162-64-3910

Bearing, Needle

SN: 511657-UP

2шт.

3

6245-81-6840

Race, Inner

SN: 511657-UP

1шт.

4

6162-64-3930

Seal, Dust

SN: 511657-UP

2шт.

5

6245-81-6941

Shaft

SN: 511657-UP

1шт.

6

6245-81-6950

Spring, Tension

SN: 511657-UP

1шт.

7

6245-81-6961

Plate

SN: 511657-UP

1шт.

8

01010-81020

Bolt

SN: 511657-UP

1шт.

9

01643-31032

Washer

SN: 511657-UP

1шт.

10

04022-12035

Pin, Dowel

SN: 511657-UP

2шт.

11

6245-81-6971

Shaft

SN: 511657-UP

1шт.

12

06301-06306

Bearing, Ball

SN: 511657-UP

2шт.

13

6245-81-6981

Spacer

SN: 511657-UP

1шт.

14

6245-81-6990

Plate

SN: 511657-UP

1шт.

15

6245-81-6820

Pulley, Tension

SN: 511657-UP

1шт.

16

6245-81-6830

Plate

SN: 511657-UP

1шт.

17

01435-01020

Bolt

SN: 511657-UP

1шт.

18

07043-00108

Plug, Taper

SN: 511657-UP

3шт.

19

07029-00000

Valve, Relief

SN: 511657-UP

1шт.

20

01010-81090

Bolt

SN: 511657-UP

1шт.

21

01010-81030

Bolt

SN: 511657-UP

4шт.

22

01643-31032

Washer

SN: 511657-UP

4шт.

23

6245-81-6521

Bracket

SN: 511657-UP

1шт.

24

6245-81-6561

Bracket

SN: 511657-UP

1шт.

25

01010-81025

Bolt

SN: 511657-UP

2шт.

26

01643-31032

Washer

SN: 511657-UP

2шт.

27

01435-01025

Bolt

SN: 511657-UP

1шт.

28

6245-81-6290

Block

SN: 511657-UP

1шт.

29

01010-81020

Bolt

SN: 511657-UP

2шт.

30

01643-31032

Washer

SN: 511657-UP

2шт.

31

6215-51-8180

Bracket

SN: 511657-UP

1шт.

32

01010-81025

Bolt

SN: 511657-UP

1шт.

33

01643-31032

Washer

SN: 511657-UP

1шт.

34

01584-01008

Nut

SN: 511657-UP

1шт.

35

21T-72-14930

Boss

SN: 511657-UP

1шт.

Выбрано товаров: 72