Запчасти Komatsu SAA6D170E-5E ГОЛОВКА ЦИЛИНДРОВ КРЫШКА(№7-) ГОЛОВКА ЦИЛИНДРОВ COVER, С VHMS (VHMS)

Схема запчастей Komatsu SAA6D170E-5E - ГОЛОВКА ЦИЛИНДРОВ КРЫШКА(№7-) ГОЛОВКА ЦИЛИНДРОВ COVER, С VHMS (VHMS)
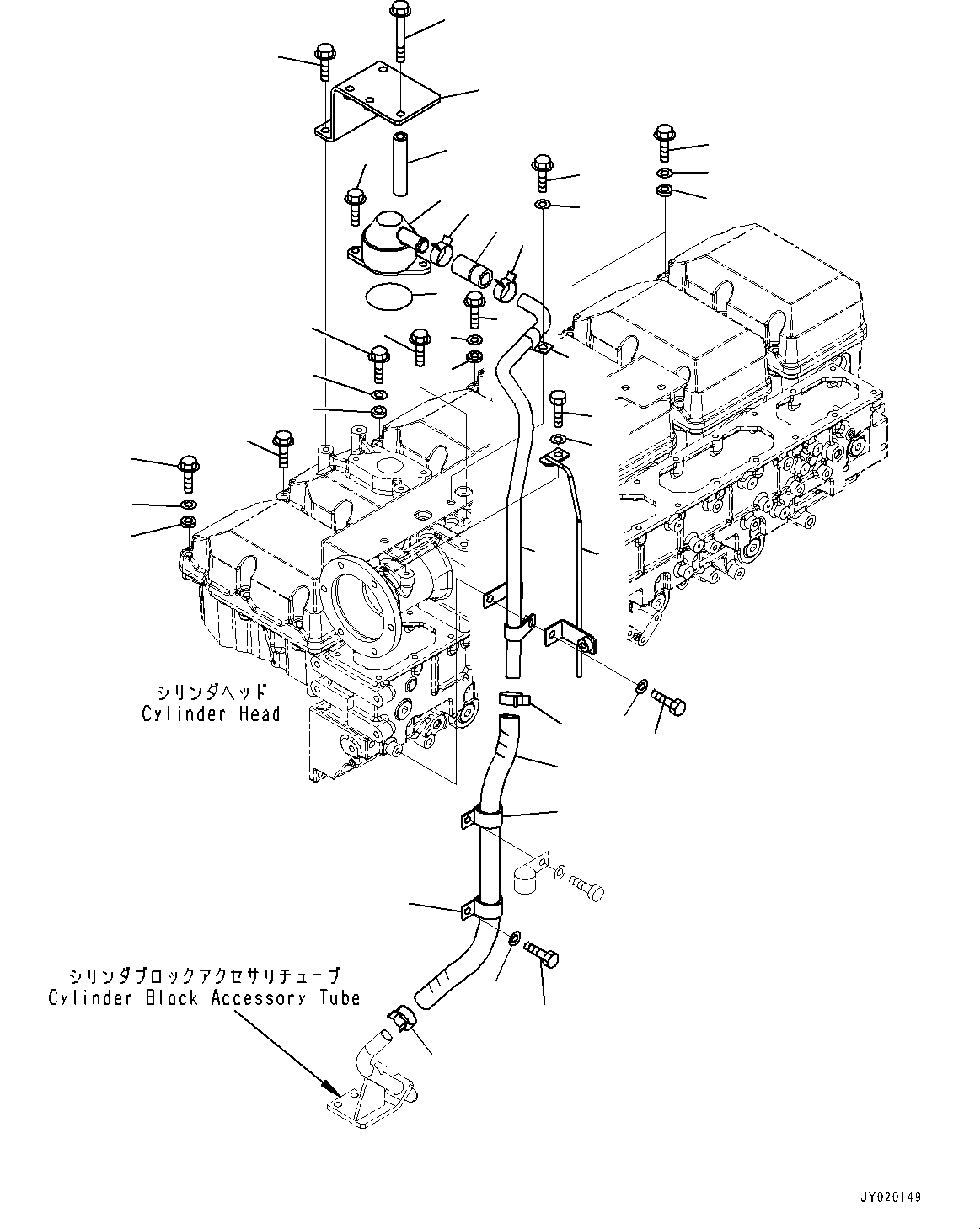
1
2
3
4
5
6
7
8
9
10
11
12
18
19
20
21
22
9
4
1
3
4
1
1
4
3
3
1
27
26
25
24
23
16
17
15
14
28
24
13
1
2
3
4
5
6
7
8
9
10
11
12
18
19
20
21
22
9
4
1
3
4
1
1
4
3
3
1
27
26
25
24
23
16
17
15
14
28
24
13
FIT
1:1
100%

Артикул

Название

Примечание

Количество

1

01435-01045

Bolt

SN: 511657-UP

35шт.

2

01435-01070

Bolt

SN: 511657-UP

1шт.

3

01640-21016

Washer

SN: 511657-UP

30шт.

4

6150-11-8820

Rubber

SN: 511657-UP

30шт.

5

6210-21-8711

Breather

SN: 511657-UP

1шт.

6

07000-72060

O-ring

SN: 511657-UP

1шт.

7

01435-01025

Bolt

SN: 511657-UP

2шт.

8

6245-21-8830

Hose

SN: 511657-UP

1шт.

9

07285-00260

Clip, Hose

SN: 513001-UP

2шт.

9

07285-00280

Clip

SN: 511657-513000

2шт.

10

6245-21-8770

Tube, Breather

SN: 511657-UP

1шт.

11

112-946-4170

Clip

SN: 511657-UP

1шт.

12

01435-01030

Bolt

SN: 511657-UP

1шт.

13

01643-31032

Washer

SN: 511657-UP

1шт.

14

6245-81-5140

Bracket

SN: 511657-UP

1шт.

15

01010-81020

Bolt

SN: 511657-UP

1шт.

16

01643-31032

Washer

SN: 511657-UP

1шт.

17

01010-81025

Bolt

SN: 511657-UP

1шт.

18

01643-31032

Washer

SN: 511657-UP

1шт.

19

6245-21-7120

Bracket

SN: 511657-UP

1шт.

20

01435-01020

Bolt

SN: 511657-UP

2шт.

21

01436-01030

Bolt

SN: 511657-UP

1шт.

22

6206-81-9870

Spacer

SN: 511657-UP

1шт.

23

6245-21-8840

Hose

SN: 511657-UP

1шт.

24

07285-00280

Clip

SN: 511657-UP

2шт.

25

04434-53211

Clip

SN: 511657-UP

1шт.

26

04434-53211

Clip

SN: 511657-UP

1шт.

27

01010-81020

Bolt

SN: 511657-UP

1шт.

28

01643-31032

Washer

SN: 511657-UP

1шт.

1

01435-01045

Bolt

SN: 511657-UP

35шт.

2

01435-01070

Bolt

SN: 511657-UP

1шт.

3

01640-21016

Washer

SN: 511657-UP

30шт.

4

6150-11-8820

Rubber

SN: 511657-UP

30шт.

5

6210-21-8711

Breather

SN: 511657-UP

1шт.

6

07000-72060

O-ring

SN: 511657-UP

1шт.

7

01435-01025

Bolt

SN: 511657-UP

2шт.

8

6245-21-8830

Hose

SN: 511657-UP

1шт.

9

07285-00260

Clip, Hose

SN: 513001-UP

2шт.

9

07285-00280

Clip

SN: 511657-513000

2шт.

10

6245-21-8770

Tube, Breather

SN: 511657-UP

1шт.

11

112-946-4170

Clip

SN: 511657-UP

1шт.

12

01435-01030

Bolt

SN: 511657-UP

1шт.

13

01643-31032

Washer

SN: 511657-UP

1шт.

14

6245-81-5140

Bracket

SN: 511657-UP

1шт.

15

01010-81020

Bolt

SN: 511657-UP

1шт.

16

01643-31032

Washer

SN: 511657-UP

1шт.

17

01010-81025

Bolt

SN: 511657-UP

1шт.

18

01643-31032

Washer

SN: 511657-UP

1шт.

19

6245-21-7120

Bracket

SN: 511657-UP

1шт.

20

01435-01020

Bolt

SN: 511657-UP

2шт.

21

01436-01030

Bolt

SN: 511657-UP

1шт.

22

6206-81-9870

Spacer

SN: 511657-UP

1шт.

23

6245-21-8840

Hose

SN: 511657-UP

1шт.

24

07285-00280

Clip

SN: 511657-UP

2шт.

25

04434-53211

Clip

SN: 511657-UP

1шт.

26

04434-53211

Clip

SN: 511657-UP

1шт.

27

01010-81020

Bolt

SN: 511657-UP

1шт.

28

01643-31032

Washer

SN: 511657-UP

1шт.

Выбрано товаров: 58