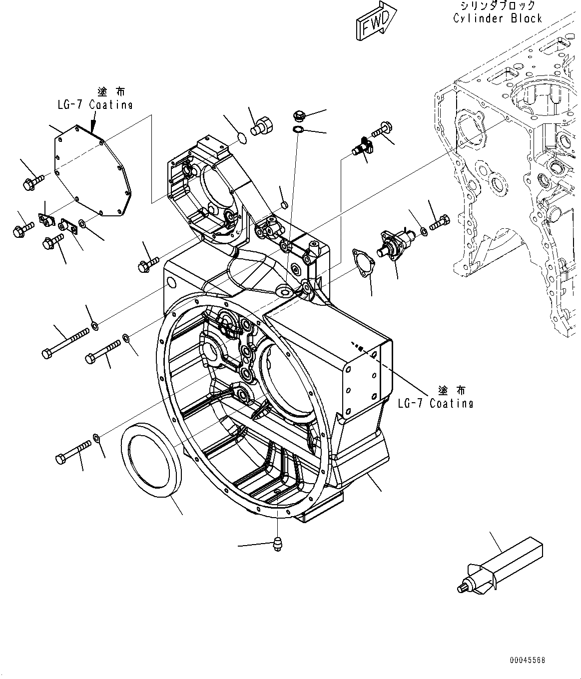
Запчасти Komatsu SAA6D170E-5E КАРТЕР МАХОВИКА, (№7-89) КАРТЕР МАХОВИКА

Схема запчастей Komatsu SAA6D170E-5E - КАРТЕР МАХОВИКА, (№7-89) КАРТЕР МАХОВИКА
2
3
4
5
6
7
8
9
11
12
13
14
15
16
17
18
19
20
21
22
23
24
25
26
27
28
5
10
1
2
3
4
5
6
7
8
9
11
12
13
14
15
16
17
18
19
20
21
22
23
24
25
26
27
28
5
10
1
FIT
1:1
100%

Артикул

Название

Примечание

Количество

1

6245-21-4120

Housing, Flywheel

SN: 511657-@

1шт.

2

07046-21210

Plug

SN: 511657-@

1шт.

3

01011-81200

Bolt

SN: 511657-@

4шт.

4

01011-E1290

Bolt

SN: 511657-@

1шт.

5

01643-31232

Washer

SN: 511657-@

5шт.

6

6245-21-4220

Bolt

SN: 511657-@

2шт.

7

01011-61810

Bolt

SN: 511657-@

11шт.

8

01643-21845

Washer

SN: 511657-@

11шт.

9

6162-25-4251

Seal

SN: 511657-@

1шт.

10

6204-21-5190

Plug

SN: 511657-@

1шт.

11

07005-02216

Seal, Washer

SN: 511657-@

1шт.

12

07042-70415

Plug

SN: 511657-@

1шт.

13

6162-23-4500

Gear Assembly

SN: 511657-@

1шт.

13

Case

SN: 511657-@

1шт.

13

Shaft

SN: 511657-@

1шт.

13

Gear

SN: 511657-@

1шт.

13

Spring

SN: 511657-@

1шт.

13

Pin, Snap

SN: 511657-@

1шт.

13

Seal, Dust

SN: 511657-@

1шт.

14

6162-23-4941

Gasket

SN: 511657-@

1шт.

15

01010-81030

Bolt

SN: 511657-@

3шт.

16

01643-31032

Washer

SN: 511657-@

3шт.

17

6261-81-2902

Sensor Assembly

SN: 511707-@

1шт.

17

6261-81-2901

Sensor Assembly, Speed

SN: 511657-511706

1шт.

18

01435-00816

Bolt

SN: 511657-512289

1шт.

19

6245-21-4150

Plate

SN: 511657-@

1шт.

20

01435-01020

Bolt

SN: 511657-@

8шт.

21

426-06-11570

Bracket

SN: 511657-@

1шт.

22

01435-01025

Bolt

SN: 511657-@

1шт.

23

01643-31032

Washer

SN: 511657-@

1шт.

24

426-06-11570

Bracket

SN: 511657-@

1шт.

25

01435-01025

Bolt

SN: 511657-@

1шт.

26

07040-12412

Plug

SN: 511657-@

1шт.

27

07002-22434

O-ring

SN: 511657-@

1шт.

28

09920-00150

Liquid gasket, LG-7, 150G

SN: 511657-@

-2шт.

1

6245-21-4120

Housing, Flywheel

SN: 511657-@

1шт.

2

07046-21210

Plug

SN: 511657-@

1шт.

3

01011-81200

Bolt

SN: 511657-@

4шт.

4

01011-E1290

Bolt

SN: 511657-@

1шт.

5

01643-31232

Washer

SN: 511657-@

5шт.

6

6245-21-4220

Bolt

SN: 511657-@

2шт.

7

01011-61810

Bolt

SN: 511657-@

11шт.

8

01643-21845

Washer

SN: 511657-@

11шт.

9

6162-25-4251

Seal

SN: 511657-@

1шт.

10

6204-21-5190

Plug

SN: 511657-@

1шт.

11

07005-02216

Seal, Washer

SN: 511657-@

1шт.

12

07042-70415

Plug

SN: 511657-@

1шт.

13

6162-23-4500

Gear Assembly

SN: 511657-@

1шт.

13

Case

SN: 511657-@

1шт.

13

Shaft

SN: 511657-@

1шт.

13

Gear

SN: 511657-@

1шт.

13

Spring

SN: 511657-@

1шт.

13

Pin, Snap

SN: 511657-@

1шт.

13

Seal, Dust

SN: 511657-@

1шт.

14

6162-23-4941

Gasket

SN: 511657-@

1шт.

15

01010-81030

Bolt

SN: 511657-@

3шт.

16

01643-31032

Washer

SN: 511657-@

3шт.

17

6261-81-2902

Sensor Assembly

SN: 511707-@

1шт.

17

6261-81-2901

Sensor Assembly, Speed

SN: 511657-511706

1шт.

18

01435-00816

Bolt

SN: 511657-512289

1шт.

19

6245-21-4150

Plate

SN: 511657-@

1шт.

20

01435-01020

Bolt

SN: 511657-@

8шт.

21

426-06-11570

Bracket

SN: 511657-@

1шт.

22

01435-01025

Bolt

SN: 511657-@

1шт.

23

01643-31032

Washer

SN: 511657-@

1шт.

24

426-06-11570

Bracket

SN: 511657-@

1шт.

25

01435-01025

Bolt

SN: 511657-@

1шт.

26

07040-12412

Plug

SN: 511657-@

1шт.

27

07002-22434

O-ring

SN: 511657-@

1шт.

28

09920-00150

Liquid gasket, LG-7, 150G

SN: 511657-@

-2шт.

Выбрано товаров: 70