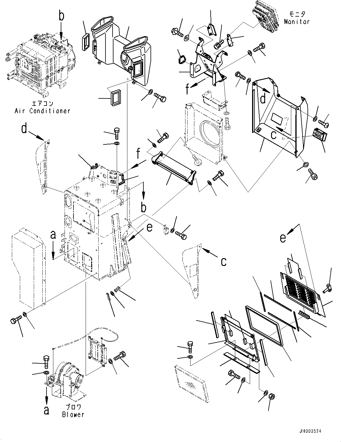
Запчасти Komatsu D375A-6 ПРИБОРНАЯ ПАНЕЛЬ, ФИЛЬТР. КРЫШКАAND ПРИБОРНАЯ ПАНЕЛЬ (№-) ПРИБОРНАЯ ПАНЕЛЬ, MSHA DUST REGULATION ARRANGEMENT

Схема запчастей Komatsu D375A-6 - ПРИБОРНАЯ ПАНЕЛЬ, ФИЛЬТР. КРЫШКАAND ПРИБОРНАЯ ПАНЕЛЬ (№-) ПРИБОРНАЯ ПАНЕЛЬ, MSHA DUST REGULATION ARRANGEMENT
29
48
33
32
33
32
30
31
7
6
5
35
35
37
36
34
27
28
21
22
2
1
3
28
27
41
42
38
45
46
40
40
39
43
44
47
10
9
8
23
12
24
10
4
8
13
11
11
15
14
13
16
17
19
18
23
24
23
24
25
26
20
FIT
1:1
100%

Артикул

Название

Примечание

Количество

1

198-911-9820

Bracket

SN: 60001-UP

1шт.

2

01010-81230

Bolt

SN: 60001-UP

2шт.

3

01643-31232

Washer

SN: 60001-UP

2шт.

4

09459-11033

Lock

SN: 60001-UP

2шт.

5

09459-01614

Spring

SN: 60001-UP

2шт.

6

01642-01016

Washer, Flat

SN: 60001-UP

2шт.

7

04050-03015

Pin, Cotter

SN: 60001-UP

2шт.

8

195-54-83750

Cover

SN: 60001-UP

1шт.

9

142-54-13640

Hinge,Welded

SN: 60001-UP

1шт.

10

198-911-9451

Sheet

SN: 60001-UP

2шт.

11

198-911-9481

Sheet

SN: 60001-UP

2шт.

12

198-911-9830

Seal

SN: 60001-UP

1шт.

13

198-911-9851

Sheet

SN: 60001-UP

2шт.

14

198-911-9861

Sheet

SN: 60001-UP

2шт.

15

198-911-9871

Sheet

SN: 60001-UP

1шт.

16

01010-D0816

Bolt

SN: 60001-UP

1шт.

17

01643-70823

Washer

SN: 60001-UP

1шт.

18

01580-10806

Nut

SN: 60001-UP

1шт.

19

01643-70823

Washer

SN: 60001-UP

1шт.

20

198-911-8460

Sheet

SN: 60001-UP

2шт.

21

01010-80612

Bolt

SN: 60001-UP

4шт.

22

01643-30623

Washer

SN: 60001-UP

4шт.

23

01010-80816

Bolt

SN: 60001-UP

10шт.

24

01643-30823

Washer

SN: 60001-UP

10шт.

25

01010-80820

Bolt

SN: 60001-UP

13шт.

26

01643-30823

Washer

SN: 60001-UP

13шт.

27

01010-80830

Bolt

SN: 60001-UP

4шт.

28

01643-30823

Washer

SN: 60001-UP

4шт.

29

195-54-83621

Cover

SN: 60001-UP

1шт.

30

01010-80820

Bolt

SN: 60001-UP

2шт.

31

01643-30823

Washer

SN: 60001-UP

2шт.

32

01245-00816

Screw

SN: 60001-UP

2шт.

33

01643-70823

Washer

SN: 60001-UP

2шт.

34

198-911-9161

Duct

SN: 60001-UP

1шт.

35

198-911-9530

Seal

SN: 60001-UP

2шт.

36

01010-80820

Bolt

SN: 60001-UP

4шт.

37

01643-30823

Washer

SN: 60001-UP

4шт.

38

195-54-83631

Bracket

SN: 60001-UP

1шт.

39

12Y-43-12861

Seal

SN: 60001-UP

1шт.

40

12Y-979-1850

Trim

SN: 60001-UP

2шт.

41

01010-80820

Bolt

SN: 60001-UP

4шт.

42

01643-30823

Washer

SN: 60001-UP

4шт.

43

195-54-83611

Bracket

SN: 60001-UP

1шт.

44

195-54-83740

Bracket

SN: 60001-UP

1шт.

45

01435-00616

Bolt

SN: 60001-UP

4шт.

46

17A-Z11-2813

Plate

SN: 60001-UP

4шт.

47

01023-60410

Screw

SN: 60001-UP

4шт.

48

14X-54-18270

Grille Assembly

SN: 60001-UP

1шт.

Выбрано товаров: 48