Запчасти Komatsu D375A-6 ГОЛОВНОЕ ОСВЕЩЕНИЕ И ПРОВОДКА (№-) ГОЛОВНОЕ ОСВЕЩЕНИЕ И ПРОВОДКА, HID ОСВЕЩЕНИЕ, УДАЛЕНН. СИСТ. СМАЗКИ, DOZER

Схема запчастей Komatsu D375A-6 - ГОЛОВНОЕ ОСВЕЩЕНИЕ И ПРОВОДКА (№-) ГОЛОВНОЕ ОСВЕЩЕНИЕ И ПРОВОДКА, HID ОСВЕЩЕНИЕ, УДАЛЕНН. СИСТ. СМАЗКИ, DOZER
13
24
10
17
17
8
7
5
4
3
2
1
1
2
3
4
5
7
8
9
10
11
12
16
18
19
17
21
22
23
24
25
26
27
28
29
30
31
32
29
28
27
26
25
6
6
15
14
20
FIT
1:1
100%

Артикул

Название

Примечание

Количество

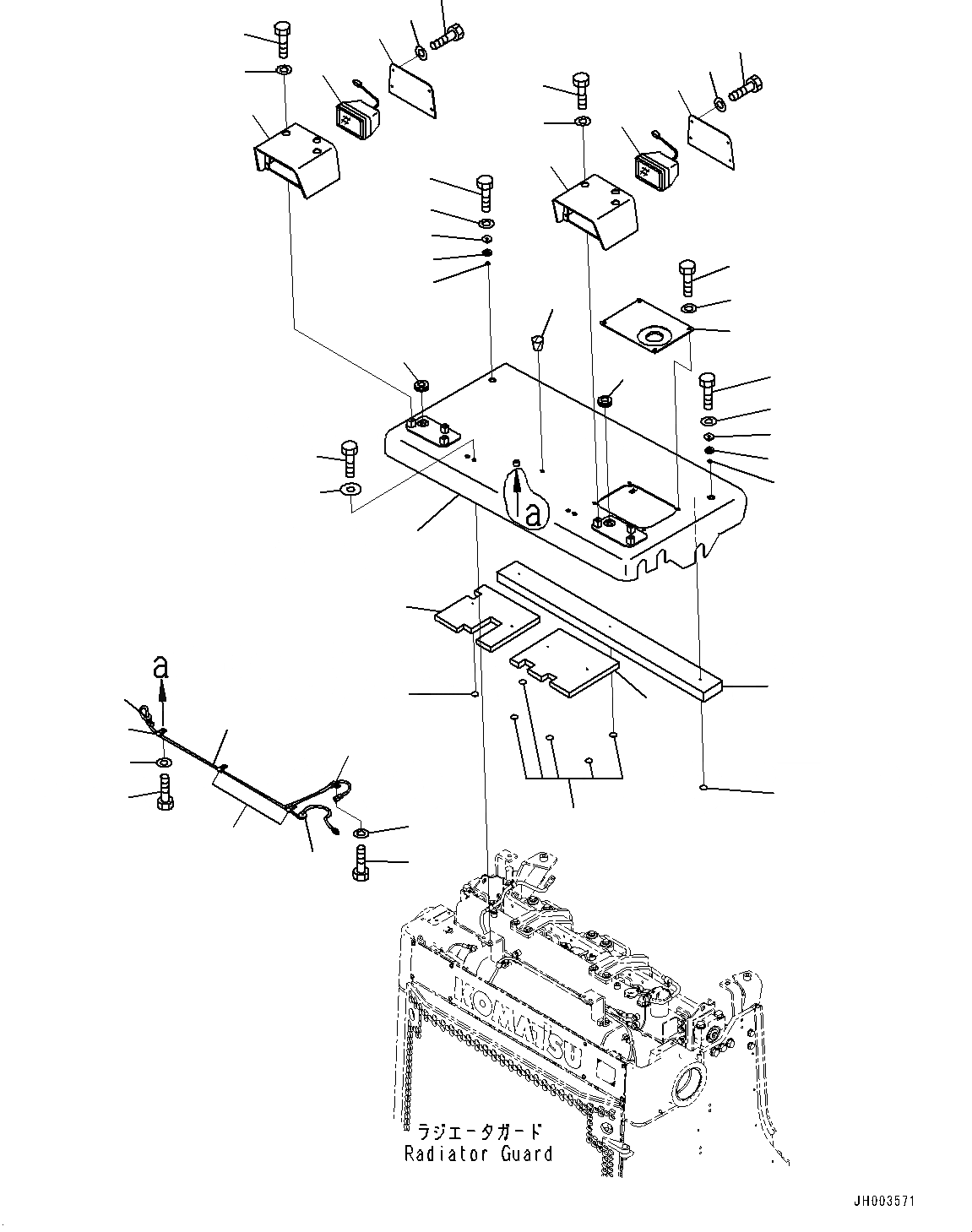
1

17A-06-41681

Cover

SN: 60001-UP

2шт.

2

21T-06-33980

Working Lamp Assembly

SN: 60001-UP

2шт.

|$2

21T-06-33970

Bulb, 24/42watt

SN: 60001-UP

1шт.

3

01010-81230

Bolt

SN: 60001-UP

6шт.

4

01643-31232

Washer

SN: 60001-UP

6шт.

5

17A-06-41690

Plate

SN: 60001-UP

2шт.

6

08037-03614

Grommet

SN: 60001-UP

2шт.

7

01010-D0816

Bolt

SN: 60001-UP

8шт.

8

01643-70823

Washer

SN: 60001-UP

8шт.

9

195-06-55511

Wiring Harness

SN: 60001-UP

1шт.

10

04434-51012

Clip

SN: 60001-UP

3шт.

11

01010-81220

Bolt

SN: 60001-UP

3шт.

12

01643-31232

Washer

SN: 60001-UP

3шт.

13

04434-51412

Clip

SN: 60001-UP

1шт.

14

01010-81220

Bolt

SN: 60001-UP

1шт.

15

01643-31232

Washer

SN: 60001-UP

1шт.

16

195-862-8360

Cover

SN: 60001-UP

1шт.

17

124-A62-1920

Cap

SN: 60001-UP

7шт.

18

195-862-8932

Sheet

SN: 60001-UP

1шт.

19

195-862-8941

Sheet

SN: 60001-UP

1шт.

20

195-862-8790

Sheet

SN: 60001-UP

1шт.

21

195-54-81270

Cover

SN: 60001-UP

1шт.

22

01010-81220

Bolt

SN: 60001-UP

4шт.

23

01643-31232

Washer

SN: 60001-UP

4шт.

24

201-54-13210

Grommet

SN: 60001-UP

2шт.

25

15B-54-14220

Collar

SN: 60001-UP

2шт.

26

175-54-27351

Spring

SN: 60238-UP

4шт.

26

175-54-27350

Spring

SN: 60001-60237

4шт.

27

175-54-28770

Ring

SN: 60001-UP

2шт.

28

01010-81250

Bolt

SN: 60001-UP

2шт.

29

01643-31232

Washer

SN: 60001-UP

2шт.

30

01010-81240

Bolt

SN: 60001-UP

4шт.

31

175-54-34170

Washer

SN: 60001-UP

4шт.

32

07049-01215

Plug

SN: 60001-UP

4шт.

Выбрано товаров: 34