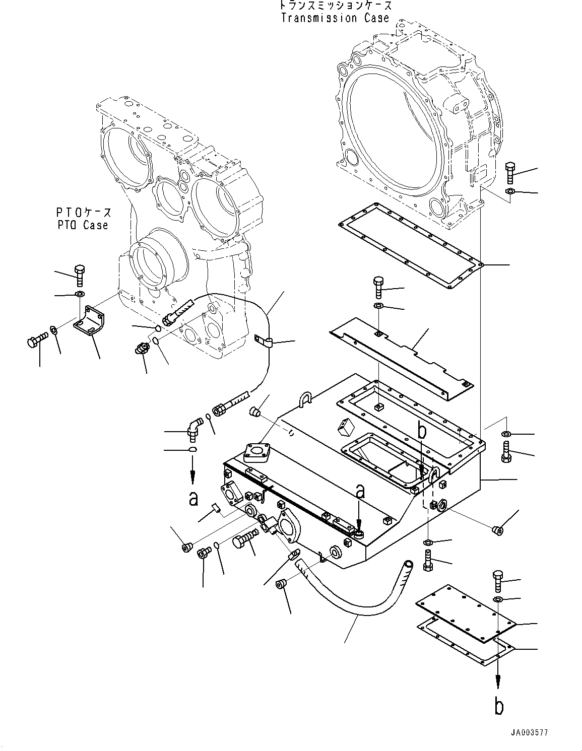
Запчасти Komatsu D375A-6 СИЛОВАЯ ПЕРЕДАЧА, БАК (№-) СИЛОВАЯ ПЕРЕДАЧА, ДЛЯ MACHINE С VHMS (VHMS)

Схема запчастей Komatsu D375A-6 - СИЛОВАЯ ПЕРЕДАЧА, БАК (№-) СИЛОВАЯ ПЕРЕДАЧА, ДЛЯ MACHINE С VHMS (VHMS)
1
8
9
10
11
17
18
15
16
2
2
2
7
6
30
29
28
27
2
3
23
12
19
13
14
22
23
26
20
21
20
21
5
4
24
25
24
25
FIT
1:1
100%

Артикул

Название

Примечание

Количество

|$0

195-22-80050

Power Train Assembly

SN: 60001-UP

1шт.

1

195-49-73341

Tank

SN: 60001-UP

1шт.

2

02720-11616

Plug, Tapered

SN: 60001-UP

4шт.

3

195-49-31480

Plate

SN: 60001-UP

1шт.

4

01010-81020

Bolt

SN: 60001-UP

4шт.

5

01643-31032

Washer

SN: 60001-UP

4шт.

6

07040-12412

Plug

SN: 60001-UP

1шт.

7

07002-62434

O-ring

SN: 60001-UP

1шт.

8

195-49-31280

Valve

SN: 60001-UP

1шт.

9

04020-00514

Pin, Dowel

SN: 60001-UP

1шт.

10

07260-32680

Hose

SN: 60001-UP

1шт.

11

07281-00419

Clamp

SN: 60001-UP

1шт.

12

17M-22-25141

Gasket

SN: 60001-UP

1шт.

13

01010-81235

Bolt

SN: 60001-UP

8шт.

14

01643-31232

Washer

SN: 60001-UP

8шт.

15

01010-81250

Bolt

SN: 60001-UP

7шт.

16

01643-31232

Washer

SN: 60001-UP

7шт.

17

01010-81250

Bolt

SN: 60001-UP

4шт.

18

01643-31232

Washer

SN: 60001-UP

4шт.

19

195-49-31270

Bracket

SN: 60001-UP

2шт.

20

01010-81230

Bolt

SN: 60001-UP

8шт.

21

01643-31232

Washer

SN: 60001-UP

8шт.

22

02762-00608

Hose, Face Seal Type

SN: 60001-UP

1шт.

23

02782-10628

Elbow

SN: 60001-UP

2шт.

24

07002-62434

O-ring

SN: 60001-UP

2шт.

25

02896-61018

O-ring

SN: 60001-UP

2шт.

26

195-49-31470

Clip

SN: 60001-UP

1шт.

27

195-49-72270

Cover

SN: 60001-UP

1шт.

28

195-49-72280

Gasket

SN: 60001-UP

1шт.

29

01010-81025

Bolt

SN: 60001-UP

12шт.

30

01643-31032

Washer

SN: 60001-UP

12шт.

Выбрано товаров: 0