Запчасти Komatsu D375A-6 СИЛОВАЯ ПЕРЕДАЧА, ВОЗВРАТ. ТРУБЫ (№-) СИЛОВАЯ ПЕРЕДАЧА, ДЛЯ MACHINE С VHMS (VHMS)

Схема запчастей Komatsu D375A-6 - СИЛОВАЯ ПЕРЕДАЧА, ВОЗВРАТ. ТРУБЫ (№-) СИЛОВАЯ ПЕРЕДАЧА, ДЛЯ MACHINE С VHMS (VHMS)
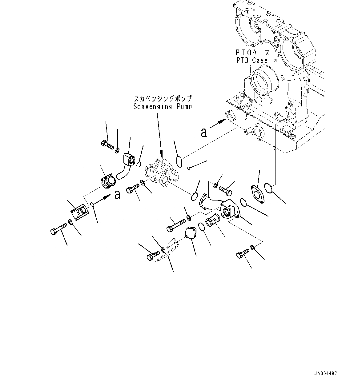
1
2
3
4
12
13
14
15
16
22
23
24
25
5
6
7
10
11
17
18
19
20
21
26
27
28
29
9
8
30
FIT
1:1
100%

Артикул

Название

Примечание

Количество

|$0

195-22-80050

Power Train Assembly

SN: 60001-UP

1шт.

1

07000-72125

O-ring

SN: 60001-UP

1шт.

2

07000-73040

O-ring

SN: 60001-UP

1шт.

3

01010-81245

Bolt

SN: 60001-UP

6шт.

4

01643-31232

Washer

SN: 60001-UP

6шт.

5

195-49-34110

Tube

SN: 60001-UP

1шт.

6

07000-72080

O-ring

SN: 60001-UP

1шт.

7

07000-72090

O-ring

SN: 60001-UP

1шт.

8

198-49-34210

Spacer

SN: 60001-UP

1шт.

9

07000-72090

O-ring

SN: 60001-UP

1шт.

10

01010-81265

Bolt

SN: 60001-UP

1шт.

11

01643-31232

Washer

SN: 60001-UP

1шт.

12

01011-81240

Bolt

SN: 60001-UP

1шт.

13

01643-31232

Washer

SN: 60001-UP

1шт.

14

01010-81240

Bolt

SN: 60001-UP

2шт.

15

01643-31232

Washer

SN: 60001-UP

2шт.

16

195-49-31160

Strainer

SN: 60001-UP

1шт.

17

07000-72090

O-ring

SN: 60001-UP

1шт.

18

195-49-31170

Plate

SN: 60001-UP

1шт.

19

01010-81240

Bolt

SN: 60001-UP

2шт.

20

01643-31232

Washer

SN: 60001-UP

2шт.

21

195-49-31180

Tube

SN: 60001-UP

1шт.

22

07000-72055

O-ring

SN: 60001-UP

1шт.

23

01010-81285

Bolt

SN: 60001-UP

2шт.

24

01643-31232

Washer

SN: 60001-UP

2шт.

25

07332-01400

Coupling

SN: 60001-UP

1шт.

26

195-49-51460

Tube

SN: 60001-UP

1шт.

27

07000-72055

O-ring

SN: 60001-UP

1шт.

28

01011-81225

Bolt

SN: 60001-UP

4шт.

29

01643-31232

Washer

SN: 60001-UP

4шт.

30

195-49-51450

Bracket

SN: UP

-1шт.

Выбрано товаров: 0