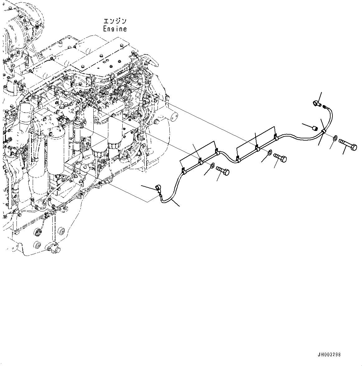
Запчасти Komatsu D375A-6 ДВИГАТЕЛЬ ПРОВОДКА, RIBBON ОБОГРЕВАТЕЛЬ. (№-) ДВИГАТЕЛЬ ПРОВОДКА, ПРОВОДКА, ЧАСТЬ NO. И MANUFACTURING DATE CODE

Схема запчастей Komatsu D375A-6 - ДВИГАТЕЛЬ ПРОВОДКА, RIBBON ОБОГРЕВАТЕЛЬ. (№-) ДВИГАТЕЛЬ ПРОВОДКА, ПРОВОДКА, ЧАСТЬ NO. И MANUFACTURING DATE CODE
2
2
1
9
10
8
8
10
9
7
6
5
3
4
FIT
1:1
100%

Артикул

Название

Примечание

Количество

1

195-06-54730

Wiring Harness

SN: 60001-UP

1шт.

2

08038-02027

Cap, Terminal

SN: 60001-UP

2шт.

3

04434-52112

Clip

SN: 60001-UP

1шт.

4

07095-20314

Cushion

SN: 60001-UP

1шт.

5

01010-81255

Bolt

SN: 60001-UP

1шт.

6

01643-31232

Washer

SN: 60001-UP

1шт.

7

195-33-11220

Spacer

SN: 60001-UP

1шт.

8

04434-51410

Clip

SN: 60001-UP

6шт.

9

01010-81020

Bolt

SN: 60001-UP

6шт.

10

01643-31032

Washer

SN: 60001-UP

6шт.

Выбрано товаров: 10