Запчасти Komatsu D375A-6 ГУСЕНИЧНАЯ РАМА, CARTRIDGE ПАЛЕЦ, ЛЕВ. (№-) ГУСЕНИЧНАЯ РАМА, С ПОЛН. LENGTH ЗАЩИТА ОПОРНЫХ КАТКОВ, ДЛЯ УДЛИНН. ГУСЕНИЧНАЯ РАМА, ОТВАЛ С ДВОЙН. ПЕРЕКОСОМ

Схема запчастей Komatsu D375A-6 - ГУСЕНИЧНАЯ РАМА, CARTRIDGE ПАЛЕЦ, ЛЕВ. (№-) ГУСЕНИЧНАЯ РАМА, С ПОЛН. LENGTH ЗАЩИТА ОПОРНЫХ КАТКОВ, ДЛЯ УДЛИНН. ГУСЕНИЧНАЯ РАМА, ОТВАЛ С ДВОЙН. ПЕРЕКОСОМ
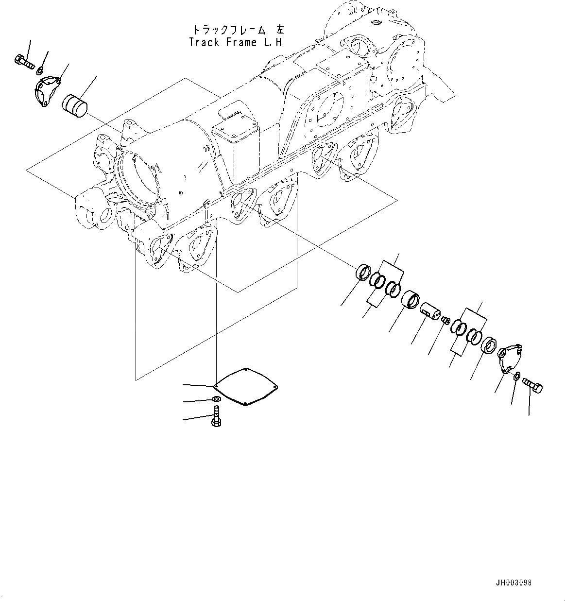
1
2
3
5
7
4
8
9
10
11
12
13
8
6
9
4
11
12
13
FIT
1:1
100%

Артикул

Название

Примечание

Количество

1

195-30-69131

Pad

SN: 60001-UP

3шт.

2

01010-81225

Bolt

SN: 60001-UP

12шт.

3

01643-31232

Washer

SN: 60001-UP

12шт.

3

195-30-62100

Pin Assembly

SN: 60001-UP

6шт.

4

195-30-62470

Ring, Out

SN: 60001-UP

1шт.

5

195-30-62460

Ring, Center

SN: 60001-UP

1шт.

6

195-30-62480

Ring, In

SN: 60001-UP

1шт.

7

195-30-69941

Shaft

SN: 60001-UP

1шт.

7

17M-30-00550

Floating Seal Assembly

SN: 60001-UP

2шт.

8

Seal

SN: 60001-UP

2шт.

9

O-ring

SN: 60001-UP

2шт.

10

209-30-63150

Plug

SN: 60001-UP

1шт.

11

195-30-66571

Cover

SN: 60001-UP

6шт.

12

01010-62455

Bolt

SN: 60001-UP

18шт.

13

01643-32460

Washer

SN: 60001-UP

18шт.

Выбрано товаров: 15