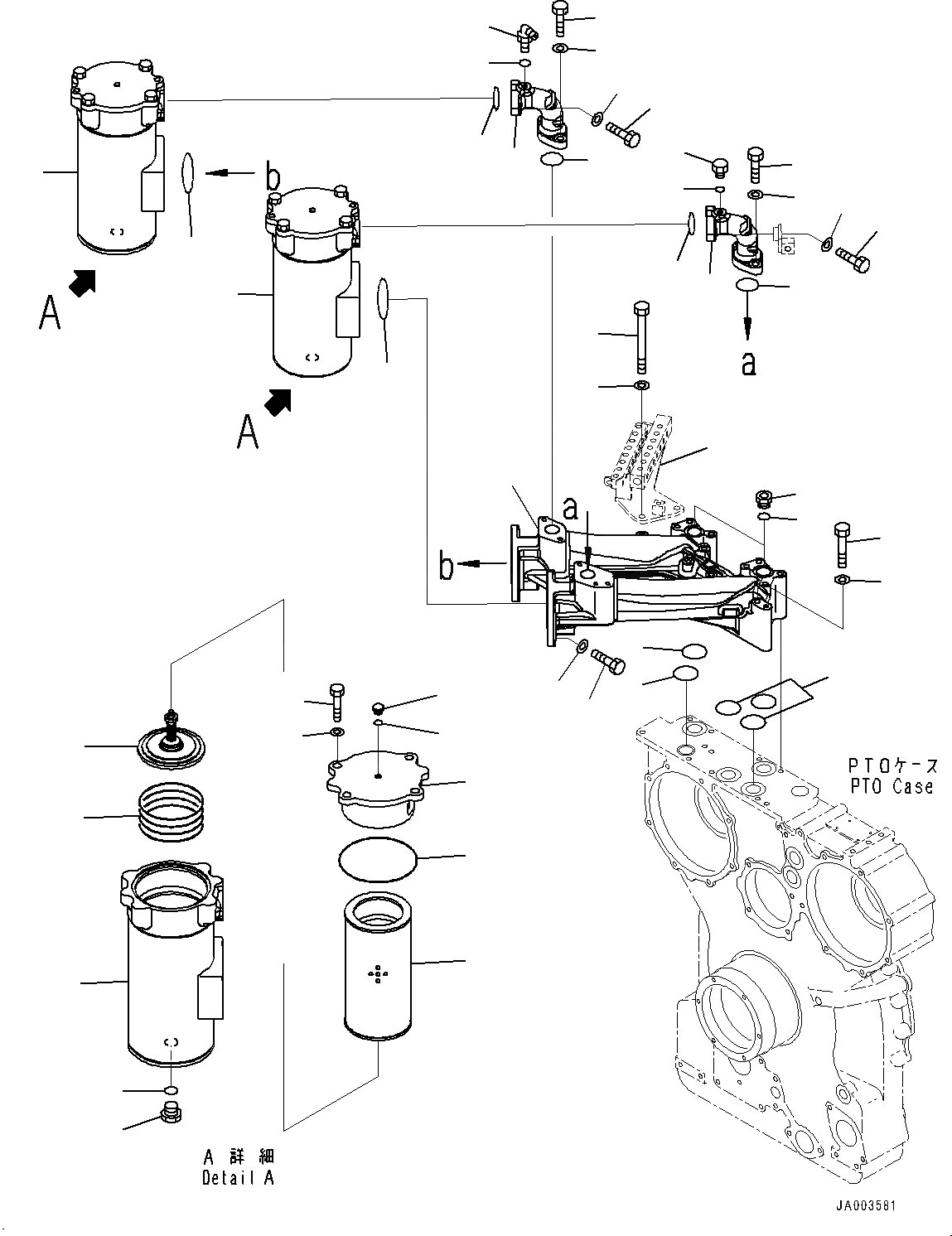
Запчасти Komatsu D375A-6 СИЛОВАЯ ПЕРЕДАЧА, ПОДАЮЩ. ТРУБЫ (№-) СИЛОВАЯ ПЕРЕДАЧА, БЕЗ VHMS (VHMS)

Схема запчастей Komatsu D375A-6 - СИЛОВАЯ ПЕРЕДАЧА, ПОДАЮЩ. ТРУБЫ (№-) СИЛОВАЯ ПЕРЕДАЧА, БЕЗ VHMS (VHMS)
6
5
20
11
12
15
19
18
10
9
15
9
10
12
15
17
16
10
9
15
9
10
11
7
8
32
13
14
4
4
4
20
22
23
26
21
20
25
27
28
24
31
30
29
2
3
1
FIT
1:1
100%

Артикул

Название

Примечание

Количество

|$0

195-22-80000

Power Train Assembly

SN: 60001-UP

1шт.

1

195-49-73381

Seat

SN: 60001-UP

1шт.

2

07040-13016

Plug

SN: 60001-UP

2шт.

3

07002-63034

O-ring

SN: 60001-UP

2шт.

4

07000-72055

O-ring

SN: 60001-UP

5шт.

5

01011-81245

Bolt

SN: 60001-UP

8шт.

6

01643-31232

Washer

SN: 60001-UP

8шт.

7

01011-81255

Bolt

SN: 60001-UP

4шт.

8

01643-31232

Washer

SN: 60001-UP

4шт.

9

01010-81240

Bolt

SN: 60001-UP

8шт.

10

01643-31232

Washer

SN: 60001-UP

8шт.

11

07000-72095

O-ring

SN: 60001-UP

2шт.

12

195-49-73390

Elbow

SN: 60001-UP

2шт.

13

01010-81240

Bolt

SN: 60001-UP

7шт.

14

01643-31232

Washer

SN: 60001-UP

7шт.

15

07000-73048

O-ring

SN: 60001-UP

4шт.

16

07040-11007

Plug

SN: 60001-UP

1шт.

17

07002-61023

O-ring

SN: 60001-UP

1шт.

18

124-62-61531

Elbow

SN: 60001-UP

1шт.

19

07002-61023

O-ring

SN: 60001-UP

1шт.

20

195-49-73320

Case

SN: 60001-UP

2шт.

21

198-49-62171

Valve Assembly

SN: 60001-UP

2шт.

22

195-60-16330

Spring

SN: 60001-UP

2шт.

23

07063-51142

Element, Oil Filter

SN: 60001-UP

2шт.

24

198-49-62161

Cap

SN: 60001-UP

2шт.

25

07000-A5165

O-ring

SN: 60001-UP

2шт.

26

01010-81640

Bolt

SN: 60001-UP

8шт.

27

01643-31645

Washer

SN: 60001-UP

8шт.

28

07040-11007

Plug

SN: 60001-UP

2шт.

29

07002-61023

O-ring

SN: 60001-UP

2шт.

30

07040-12412

Plug

SN: 60001-UP

2шт.

31

07002-62434

O-ring

SN: 60001-UP

2шт.

32

195-49-73331

Block

SN: UP

-1шт.

Выбрано товаров: 33