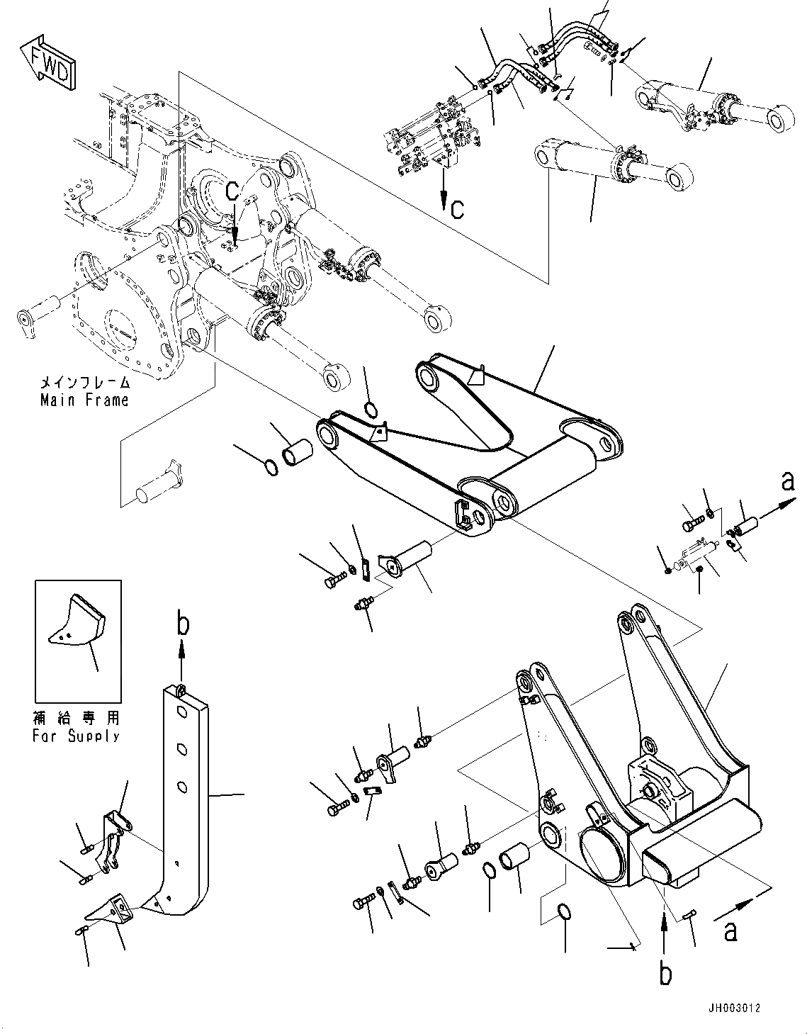
Запчасти Komatsu D375A-6 РЫХЛИТЕЛЬ ГРУППА, BEAM И РУКОЯТЬ (№-) РЫХЛИТЕЛЬ ГРУППА, РЕГУЛИР. DIGGING ANGLE ГИГАНТСК. РЫХЛИТ, УСИЛЕНН.

Схема запчастей Komatsu D375A-6 - РЫХЛИТЕЛЬ ГРУППА, BEAM И РУКОЯТЬ (№-) РЫХЛИТЕЛЬ ГРУППА, РЕГУЛИР. DIGGING ANGLE ГИГАНТСК. РЫХЛИТ, УСИЛЕНН.
34
30
30
29
34
33
30
30
29
29
33
30
17
23
23
16
18
20
22
21
19
27
27
26
28
25
24
3
7
8
5
4
8
2
6
8
8
7
3
5
4
6
1
14
31
10
11
12
9
32
13
13
15
FIT
1:1
100%

Артикул

Название

Примечание

Количество

1

195-79-51131

Beam

SN: 60001-60003

1шт.

2

195-78-71220

Bushing

SN: 60001-60003

2шт.

3

195-78-21171

Plate

SN: 60001-60003

4шт.

4

01010-62040

Bolt

SN: 60001-60003

8шт.

5

01643-32060

Washer

SN: 60001-60003

8шт.

6

195-78-41320

Seal, Dust

SN: 60001-60003

4шт.

7

195-78-73180

Pin

SN: 60001-60003

4шт.

8

07020-00000

Fitting, Grease

SN: 60001-60003

8шт.

9

17M-79-11120

Pin

SN: 60001-60003

1шт.

10

175-79-61160

Plate

SN: 60001-60003

2шт.

11

01010-81030

Bolt

SN: 60001-60003

4шт.

12

01643-51032

Washer

SN: 60001-60003

4шт.

13

195-79-52110

Collar

SN: 60001-60003

2шт.

14

195-79-52130

Pin

SN: 60001-60003

1шт.

15

04050-16040

Pin, Cotter

SN: 60001-60003

1шт.

16

195-78-71161

Arm

SN: 60001-60003

1шт.

17

195-78-71220

Bushing

SN: 60001-60003

2шт.

18

195-78-71210

Pin

SN: 60001-60003

2шт.

19

07020-00000

Fitting, Grease

SN: 60001-60003

2шт.

20

195-78-21171

Plate

SN: 60001-60003

2шт.

21

01010-62040

Bolt

SN: 60001-60003

4шт.

22

01643-32060

Washer

SN: 60001-60003

4шт.

23

195-78-41320

Seal, Dust

SN: 60001-60003

4шт.

24

195-79-51310

Shank

SN: 60001-60003

1шт.

25

198-78-21410

Pin Assembly

SN: 60001-60003

1шт.

26

198-78-21330

Protector

SN: 60001-60003

1шт.

27

198-78-21410

Pin Assembly

SN: 60001-60003

2шт.

28

198-78-21340

Point

SN: 60001-60003

1шт.

29

07099-010A9

Hose, Flange Type

SN: 60001-60003

4шт.

30

07000-13032

O-ring

SN: 60001-60003

8шт.

31

195-78-71380

Shank, For Supply

SN: 60001-60003

1шт.

32

707-16-60060

Cylinder

SN: UP

-1шт.

33

07371-31049

Flange, Split

SN: UP

-1шт.

|$33

07371-31049

Flange, Split

SN: UP

-1шт.

34

707-13-18390

Cylinder

SN: UP

-1шт.

|$35

707-13-18390

Cylinder

SN: UP

-1шт.

Выбрано товаров: 36