Запчасти Komatsu D375A-6 ХЛАДАГЕНТ И ОБОГРЕВ. МАСЛ. ПОДДОНА, ОСНОВН. ПРОВОДКА (№-) ХЛАДАГЕНТ И ОБОГРЕВ. МАСЛ. ПОДДОНА, С ПОДДОН ДВИГ-ЛЯ И ПОДОГРЕВАТЕЛЬ ХЛАДАГЕНТА

Схема запчастей Komatsu D375A-6 - ХЛАДАГЕНТ И ОБОГРЕВ. МАСЛ. ПОДДОНА, ОСНОВН. ПРОВОДКА (№-) ХЛАДАГЕНТ И ОБОГРЕВ. МАСЛ. ПОДДОНА, С ПОДДОН ДВИГ-ЛЯ И ПОДОГРЕВАТЕЛЬ ХЛАДАГЕНТА
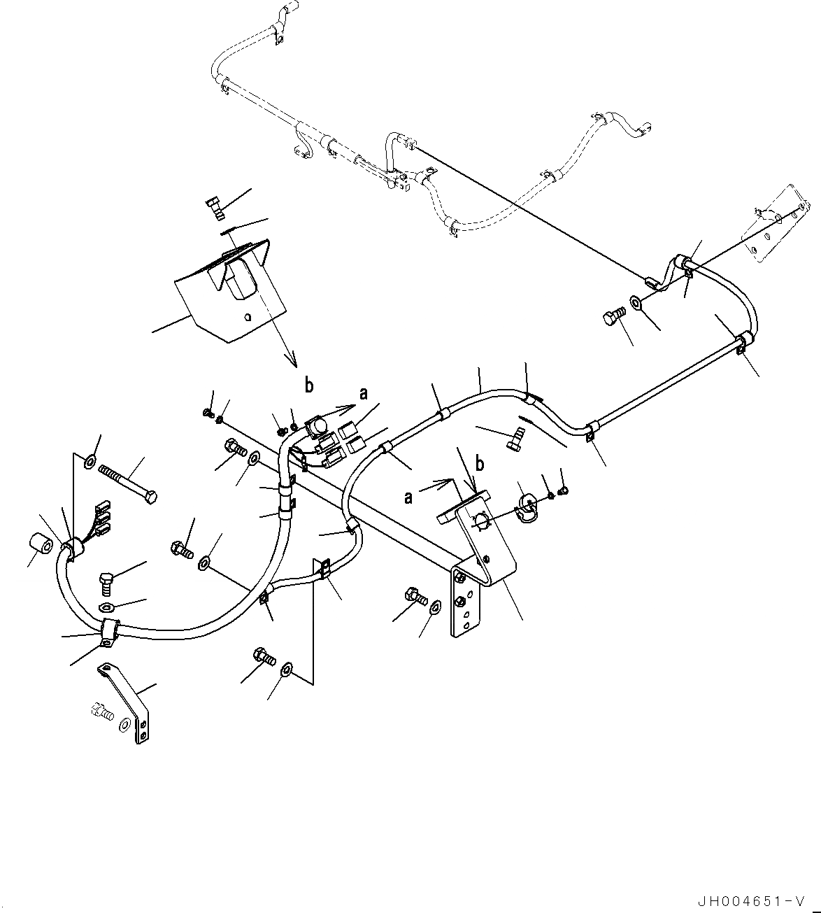
1
2
19
26
20
22
21
24
25
16
16
17
13
12
30
45
11
11
46
18
31
28
23
27
33
34
7
9
8
15
14
4
6
5
3
38
39
36
36
37
10
40
32
29
41
42
43
44
35
FIT
1:1
100%

Артикул

Название

Примечание

Количество

1

195-06-72990

Bracket

SN: 60021-60032

1шт.

2

01010-81230

Bolt

SN: 60021-60032

2шт.

3

01643-31232

Washer

SN: 60021-60032

2шт.

4

195-06-72951

Cover

SN: 60021-60032

1шт.

5

01010-81230

Bolt

SN: 60021-60032

3шт.

6

01643-31232

Washer

SN: 60021-60032

3шт.

7

175-06-39830

Cap

SN: 60021-60032

1шт.

8

01220-40312

Screw

SN: 60021-60032

1шт.

9

01601-20307

Washer

SN: 60021-60032

1шт.

10

195-06-73410

Wiring Harness

SN: 60021-60032

1шт.

11

22U-06-11270

Fusible Link, 65Amp.

SN: 60021-60032

2шт.

12

01220-40312

Screw

SN: 60021-60032

4шт.

13

01601-20307

Washer

SN: 60021-60032

4шт.

14

01220-40610

Screw

SN: 60021-60032

1шт.

15

01641-20608

Washer

SN: 60021-60032

1шт.

16

04434-52112

Clip

SN: 60021-60032

2шт.

17

01010-81230

Bolt

SN: 60021-60032

2шт.

18

01643-31232

Washer

SN: 60021-60032

2шт.

19

195-06-72961

Bracket

SN: 60021-60032

1шт.

20

04434-53212

Clip

SN: 60021-60032

1шт.

21

07095-20522

Cushion

SN: 60021-60032

1шт.

22

01010-81230

Bolt

SN: 60021-60032

1шт.

23

01643-31232

Washer

SN: 60021-60032

1шт.

24

04434-53212

Clip

SN: 60021-60032

1шт.

25

07095-20522

Cushion

SN: 60021-60032

1шт.

26

144-874-7470

Boss

SN: 60021-60032

1шт.

27

01010-81050

Bolt

SN: 60021-60032

1шт.

28

01643-31032

Washer

SN: 60021-60032

1шт.

29

04434-51412

Clip

SN: 60021-60032

1шт.

30

01010-81230

Bolt

SN: 60021-60032

1шт.

31

01643-31232

Washer

SN: 60021-60032

1шт.

32

04434-51412

Clip

SN: 60021-60032

1шт.

33

01010-81230

Bolt

SN: 60021-60032

1шт.

34

01643-31232

Washer

SN: 60021-60032

1шт.

35

04434-51412

Clip

SN: 60021-60032

1шт.

36

04434-51412

Clip

SN: 60021-60032

2шт.

37

04434-51412

Clip

SN: 60021-60032

1шт.

38

01010-81230

Bolt

SN: 60021-60032

1шт.

39

01643-31232

Washer

SN: 60021-60032

1шт.

40

04434-51412

Clip

SN: 60021-60032

1шт.

41

04434-52112

Clip

SN: 60021-60032

1шт.

42

07095-20314

Cushion

SN: 60021-60032

1шт.

43

04434-52112

Clip

SN: 60021-60032

1шт.

44

07095-20314

Cushion

SN: 60021-60032

1шт.

45

01010-81225

Bolt

SN: 60021-60032

1шт.

46

01643-31232

Washer

SN: 60021-60032

1шт.

Выбрано товаров: 46