Запчасти Komatsu D375A-6 ГИДР. НАСОС., ВНУТР. ЧАСТИ (/) (№-) ГИДР. НАСОС.

Схема запчастей Komatsu D375A-6 - ГИДР. НАСОС., ВНУТР. ЧАСТИ (/) (№-) ГИДР. НАСОС.
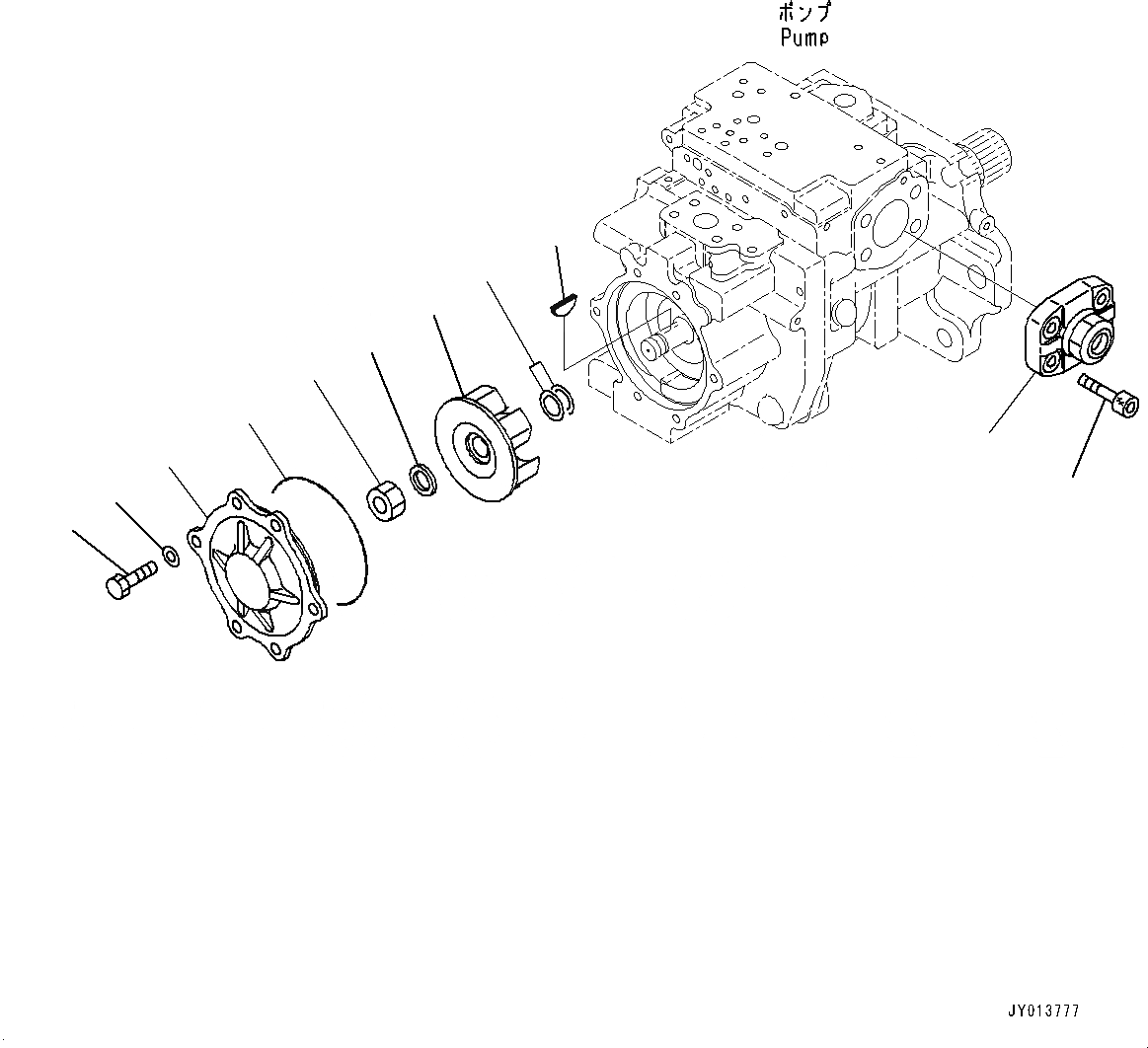
1
2
3
4
5
6
7
8
9
10
11
FIT
1:1
100%

Артикул

Название

Примечание

Количество

|$0

708-1H-00260

Pump Assembly

SN: 60001-UP

1шт.

|$1

708-1H-01260

Pump Subassembly

SN: 60001-UP

1шт.

1

708-1H-03250

Cover Assembly

SN: 60001-UP

1шт.

2

01252-61645

Bolt, Hexagon Socket Head

SN: 60001-UP

4шт.

3

708-1H-21660

Impeller

SN: 60001-UP

1шт.

4

708-1E-05010

Washer Kit

SN: 60001-UP

1шт.

4

Washer, T=2.7mm

SN: 60001-UP

1шт.

4

Washer, T=3.0mm

SN: 60001-UP

1шт.

4

Washer, T=3.3mm

SN: 60001-UP

1шт.

4

Washer, T=3.6mm

SN: 60001-UP

1шт.

5

04010-00522

Key

SN: 60001-UP

1шт.

6

708-1E-11640

Washer

SN: 60001-UP

1шт.

7

01583-12414

Nut

SN: 60001-UP

1шт.

8

708-1H-31620

Cover

SN: 60001-UP

1шт.

9

708-1H-32530

O-ring

SN: 60001-UP

1шт.

10

01010-81230

Bolt

SN: 60001-UP

6шт.

11

01643-31232

Washer

SN: 60001-UP

6шт.

Выбрано товаров: 17