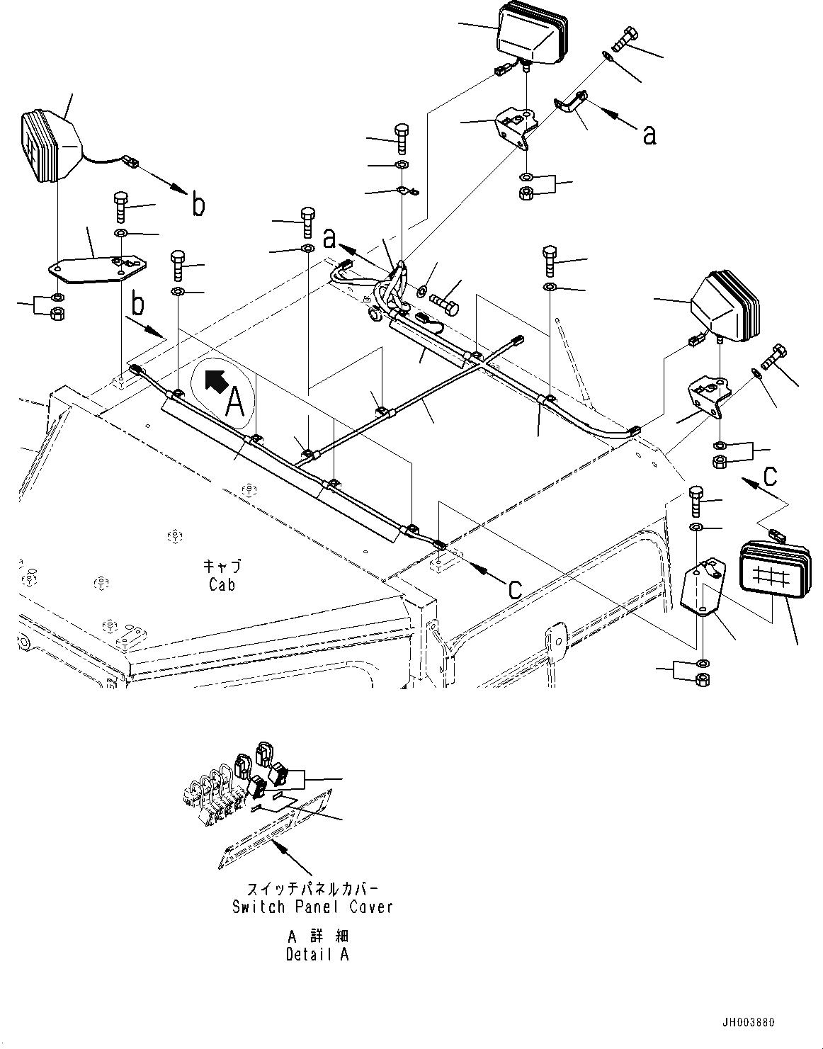
Запчасти Komatsu D375A-6 ЛАМПА РАБОЧ. ОСВЕЩЕНИЯ, (№-9) ЛАМПА РАБОЧ. ОСВЕЩЕНИЯ, С ДОПОЛН. HID КАБИНА ОСВЕЩЕНИЕ, ПЕРЕДН. И ЗАДН.

Схема запчастей Komatsu D375A-6 - ЛАМПА РАБОЧ. ОСВЕЩЕНИЯ, (№-9) ЛАМПА РАБОЧ. ОСВЕЩЕНИЯ, С ДОПОЛН. HID КАБИНА ОСВЕЩЕНИЕ, ПЕРЕДН. И ЗАДН.
12
11
2
22
18
19
1
16
15
1
1
5
6
7
20
19
18
2
1
4
3
21
1
18
19
1
17
17
13
17
17
14
8
1
4
3
9
10
23
24
1
FIT
1:1
100%

Артикул

Название

Примечание

Количество

1

21T-06-33980

Working Lamp Assembly

SN: 60001-@

4шт.

|$1

21T-06-33970

Bulb, 24/42watt

SN: 60001-@

1шт.

2

198-Z11-5490

Bracket

SN: 60001-@

2шт.

3

01010-D1225

Bolt

SN: 60001-@

4шт.

4

01643-71232

Washer

SN: 60001-@

4шт.

5

195-Z11-7840

Bracket

SN: 60001-@

1шт.

6

01010-D1225

Bolt

SN: 60001-@

2шт.

7

01643-71232

Washer

SN: 60001-@

2шт.

8

195-Z11-7830

Bracket

SN: 60001-@

1шт.

9

01010-D1225

Bolt

SN: 60001-@

2шт.

10

01643-71232

Washer

SN: 60001-@

2шт.

11

198-Z11-5650

Plate

SN: 60001-@

2шт.

12

14X-911-3710

Switch

SN: 60001-@

2шт.

13

195-Z11-7350

Wiring Harness

SN: 60001-@

1шт.

14

04434-51012

Clip

SN: 60001-@

4шт.

15

01010-81220

Bolt

SN: 60001-@

4шт.

16

01643-31232

Washer

SN: 60001-@

4шт.

17

04434-51412

Clip

SN: 60001-60191

6шт.

18

01010-81220

Bolt

SN: 60001-60191

6шт.

19

01643-31232

Washer

SN: 60001-60191

6шт.

20

08193-21012

Clip

SN: 60001-@

1шт.

21

207-62-51270

Bracket

SN: 60001-@

1шт.

22

04434-51412

Clip

SN: 60001-@

1шт.

23

01010-81220

Bolt

SN: 60001-@

1шт.

24

01643-31232

Washer

SN: 60001-@

1шт.

Выбрано товаров: 25