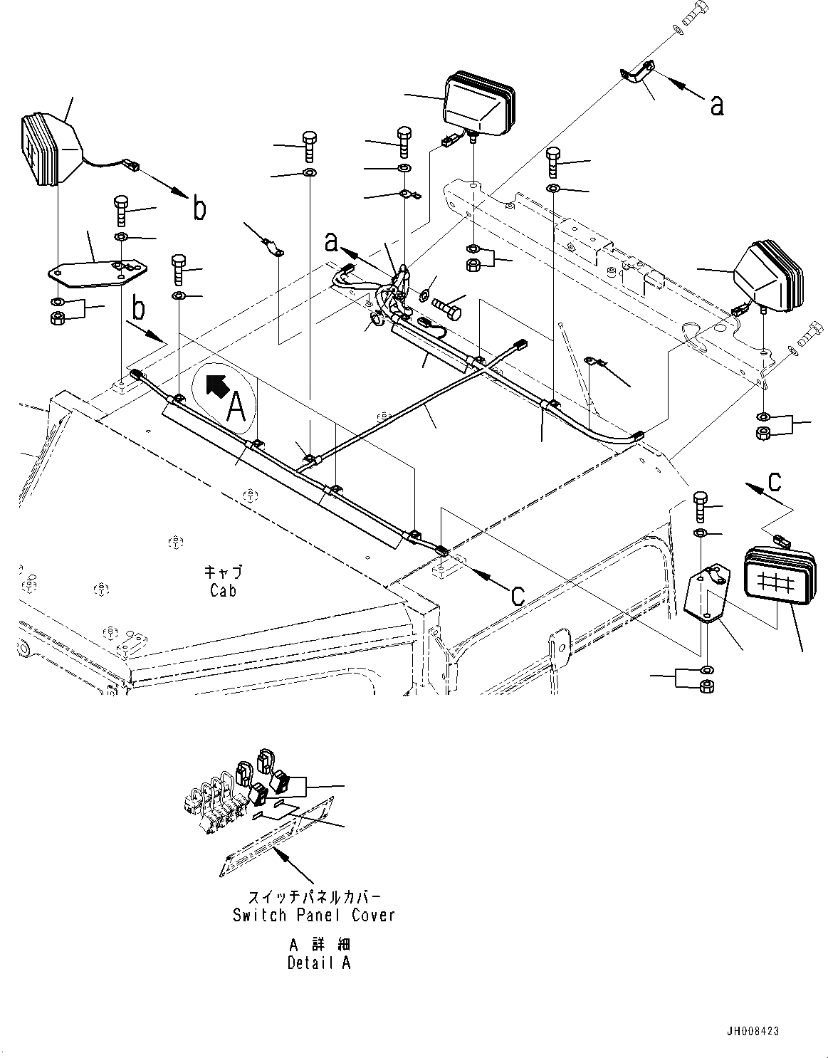
Запчасти Komatsu D375A-6 ЛАМПА РАБОЧ. ОСВЕЩЕНИЯ, (№9-) ЛАМПА РАБОЧ. ОСВЕЩЕНИЯ, С ДОПОЛН. КАБИНА ОСВЕЩЕНИЕ, ПЕРЕДН. И ЗАДН., ЗАДН.VIEW CAMERA

Схема запчастей Komatsu D375A-6 - ЛАМПА РАБОЧ. ОСВЕЩЕНИЯ, (№9-) ЛАМПА РАБОЧ. ОСВЕЩЕНИЯ, С ДОПОЛН. КАБИНА ОСВЕЩЕНИЕ, ПЕРЕДН. И ЗАДН., ЗАДН.VIEW CAMERA
9
8
20
15
16
1
13
12
2
3
4
17
16
15
1
19
15
16
1
14
14
10
14
11
1
5
1
1
1
6
7
21
22
1
23
18
18
FIT
1:1
100%

Артикул

Название

Примечание

Количество

1

17A-06-17931

Lamp

SN: 60001-UP

4шт.

|$1

17A-06-17970

Bulb, 70watt

SN: 60001-UP

1шт.

2

195-Z11-7840

Bracket

SN: 60001-UP

1шт.

3

01010-D1225

Bolt

SN: 60001-UP

2шт.

4

01643-71232

Washer

SN: 60001-UP

2шт.

5

195-Z11-7830

Bracket

SN: 60001-UP

1шт.

6

01010-D1225

Bolt

SN: 60001-UP

2шт.

7

01643-71232

Washer

SN: 60001-UP

2шт.

8

198-Z11-5650

Plate

SN: 60001-UP

2шт.

9

14X-911-3710

Switch

SN: 60001-UP

2шт.

10

195-Z11-7350

Wiring Harness

SN: 60001-UP

1шт.

11

04434-51012

Clip

SN: 60001-UP

4шт.

12

01010-81220

Bolt

SN: 60001-UP

4шт.

13

01643-31232

Washer

SN: 60001-UP

4шт.

14

04434-51412

Clip

SN: 60192-UP

5шт.

15

01010-81220

Bolt

SN: 60192-UP

5шт.

16

01643-31232

Washer

SN: 60192-UP

5шт.

17

08193-21012

Clip

SN: 60001-UP

1шт.

18

08193-20012

Clip

SN: 60016-UP

2шт.

19

207-62-51270

Bracket

SN: 60001-UP

1шт.

20

04434-51412

Clip

SN: 60001-UP

1шт.

21

01010-81220

Bolt

SN: 60001-UP

1шт.

22

01643-31232

Washer

SN: 60001-UP

1шт.

23

04434-51410

Clip

SN: 60001-UP

1шт.

Выбрано товаров: 24