Запчасти Komatsu D375A-6R КАПОТ И БОКОВ. КРЫШКА ГРУППА, ВОЗДУХООЧИСТИТЕЛЬ КОМПОНЕНТЫ (/) (№-) КАПОТ И БОКОВ. КРЫШКА ГРУППА, С ПЕРФОРИРОВАНН. КАПОТ AND БОКОВ. КРЫШКА

Схема запчастей Komatsu D375A-6R - КАПОТ И БОКОВ. КРЫШКА ГРУППА, ВОЗДУХООЧИСТИТЕЛЬ КОМПОНЕНТЫ (/) (№-) КАПОТ И БОКОВ. КРЫШКА ГРУППА, С ПЕРФОРИРОВАНН. КАПОТ AND БОКОВ. КРЫШКА
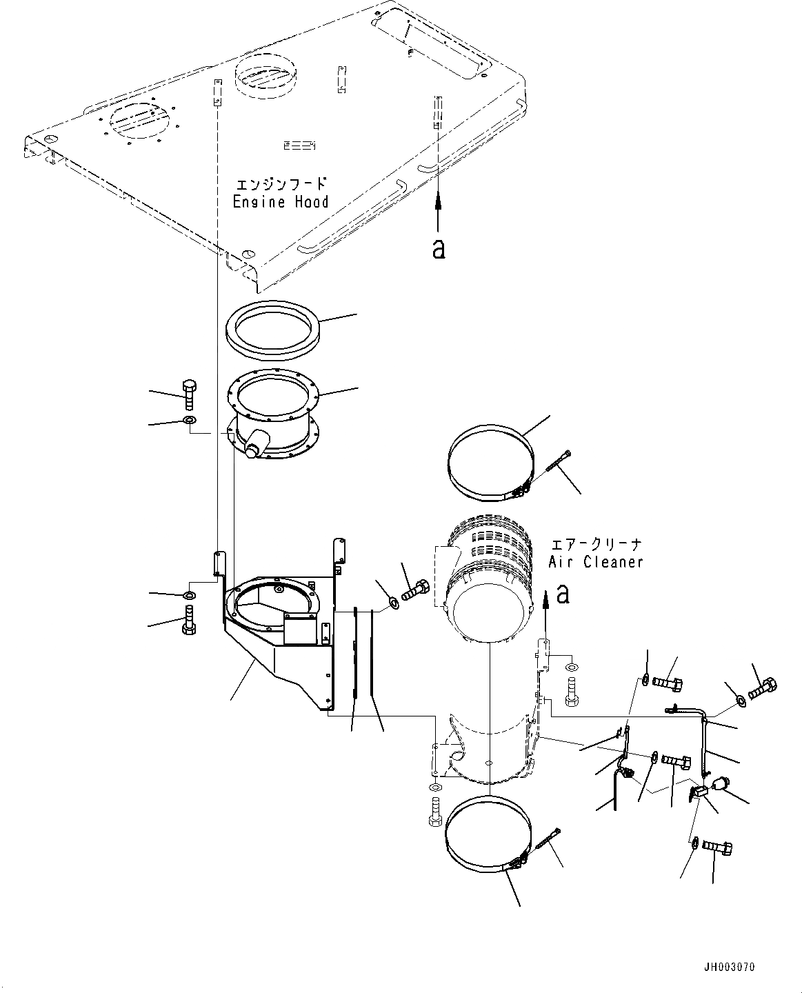
1
2
3
4
5
6
7
8
9
10
11
12
13
14
15
16
17
18
19
20
21
22
23
24
25
26
27
28
2
1
FIT
1:1
100%

Артикул

Название

Примечание

Количество

1

6240-11-9910

Band

SN: 65001-UP

2шт.

2

6643-11-4641

Bolt

SN: 65001-UP

2шт.

3

600-183-7552

Air Cleaner

SN: 65001-UP

1шт.

4

01010-81025

Bolt

SN: 65001-UP

6шт.

5

01643-31032

Washer

SN: 65001-UP

6шт.

6

195-01-41240

Sheet

SN: 65001-UP

1шт.

7

195-01-41211

Duct

SN: 65001-UP

1шт.

8

01010-81230

Bolt

SN: 65001-UP

6шт.

9

01643-31232

Washer

SN: 65001-UP

6шт.

10

195-01-41251

Cover

SN: 65001-UP

1шт.

11

195-01-41261

Sheet

SN: 65001-UP

1шт.

12

01010-81230

Bolt

SN: 65001-UP

4шт.

13

01643-31232

Washer

SN: 65001-UP

4шт.

14

195-01-41310

Bracket

SN: 65001-UP

1шт.

15

01010-81230

Bolt

SN: 65001-UP

2шт.

16

01643-31232

Washer

SN: 65001-UP

2шт.

17

08672-01000

Indicator

SN: 65001-UP

1шт.

18

08671-70080

Hose

SN: 65001-UP

1шт.

19

04434-51412

Clip

SN: 65001-UP

1шт.

20

01010-81230

Bolt

SN: 65001-UP

1шт.

21

01643-31232

Washer

SN: 65001-UP

1шт.

22

7861-93-1422

Sensor

SN: 65022-UP

1шт.

22

7861-93-1421

Sensor

SN: 65001-65021

1шт.

23

08193-21012

Clip

SN: 65001-UP

1шт.

24

01010-81220

Bolt

SN: 65001-UP

1шт.

25

01643-31232

Washer

SN: 65001-UP

1шт.

26

04434-51012

Clip

SN: 65001-UP

1шт.

27

01010-81230

Bolt

SN: 65001-UP

1шт.

28

01643-31232

Washer

SN: 65001-UP

1шт.

Выбрано товаров: 29