Запчасти Komatsu D375A-6R СИЛОВАЯ ПЕРЕДАЧА, ТРАНСМИССИЯ E.C.M.V. КЛАПАН КРЕПЛЕНИЕ (№-) СИЛОВАЯ ПЕРЕДАЧА, ДЛЯ MACHINE С VHMS (VHMS)

Схема запчастей Komatsu D375A-6R - СИЛОВАЯ ПЕРЕДАЧА, ТРАНСМИССИЯ E.C.M.V. КЛАПАН КРЕПЛЕНИЕ (№-) СИЛОВАЯ ПЕРЕДАЧА, ДЛЯ MACHINE С VHMS (VHMS)
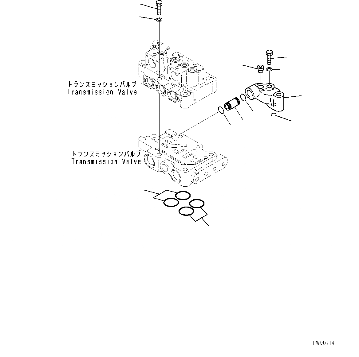
4
8
7
9
2
1
10
10
5
3
3
6
FIT
1:1
100%

Артикул

Название

Примечание

Количество

|$0

195-22-80050

Power Train Assembly

SN: 65001-UP

1шт.

|$1

195-15-81002

Transmission Assembly

SN: (100740-UP

1шт.

|$2

195-15-81001

Transmission Assembly

SN: 65403-(100739

1шт.

|$3

195-15-81000

Transmission Assembly

SN: 65001-65402

1шт.

1

195-15-76410

Bolt

SN: 65001-UP

4шт.

2

01643-51032

Washer

SN: 65001-UP

4шт.

3

07000-73030

O-ring, (Kit : K02)

SN: 65001-UP

4шт.

4

195-15-75150

Block

SN: 65001-UP

1шт.

5

07043-70211

Plug

SN: 65001-UP

1шт.

6

07000-72020

O-ring, (Kit : K02)

SN: 65001-UP

1шт.

7

01010-81060

Bolt

SN: 65001-UP

2шт.

8

01643-31032

Washer

SN: 65001-UP

2шт.

9

103-15-31770

Sleeve

SN: 65001-UP

1шт.

10

07000-72014

O-ring, (Kit : K02)

SN: 65001-UP

2шт.

Выбрано товаров: 0