Запчасти Komatsu D375A-6R СИЛОВАЯ ПЕРЕДАЧА, СТОЯНОЧНЫЙ ТОРМОЗ КЛАПАН (№-) СИЛОВАЯ ПЕРЕДАЧА, ДЛЯ MACHINE С VHMS (VHMS)

Схема запчастей Komatsu D375A-6R - СИЛОВАЯ ПЕРЕДАЧА, СТОЯНОЧНЫЙ ТОРМОЗ КЛАПАН (№-) СИЛОВАЯ ПЕРЕДАЧА, ДЛЯ MACHINE С VHMS (VHMS)
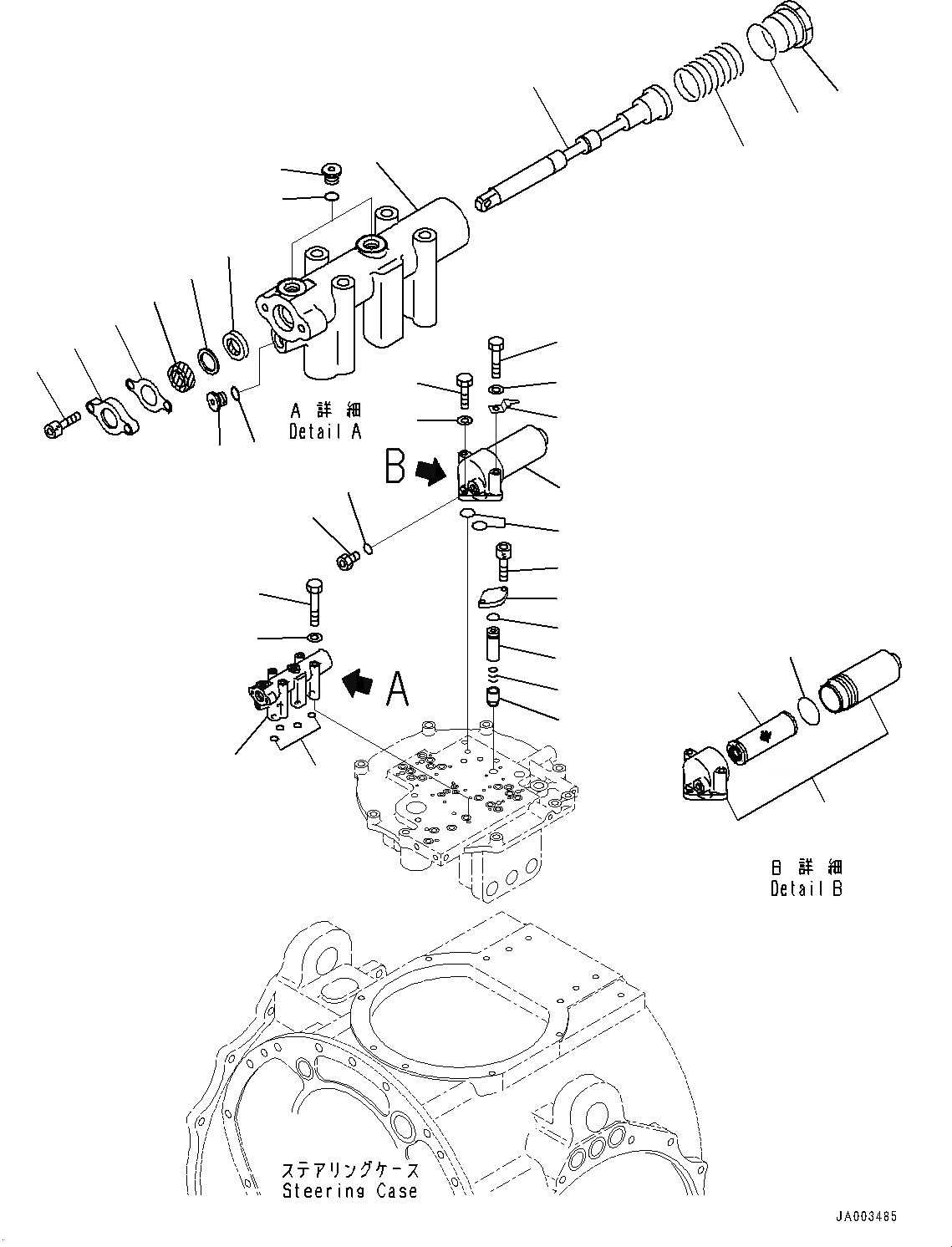
18
14
13
11
12
10
9
8
6
5
4
3
2
16
1
7
15
7
31
32
33
17
19
20
21
22
23
26
25
28
27
24
29
30
18
30
29
FIT
1:1
100%

Артикул

Название

Примечание

Количество

|$0

195-22-80050

Power Train Assembly

SN: 65001-UP

1шт.

|$1

195-22-81050

Steering Assembly

SN: 65001-UP

1шт.

|$2

195-22-82000

Valve Assembly

SN: 65001-UP

1шт.

1

195-22-72190

Sleeve

SN: 65001-UP

1шт.

2

07750-01623

Valve

SN: 65001-UP

1шт.

3

07750-01628

Spring

SN: 65001-UP

1шт.

4

07000-72012

O-ring

SN: 65001-UP

1шт.

5

709-25-11670

Cover

SN: 65001-UP

1шт.

6

01252-90616

Bolt, Hexagon Socket Head

SN: 65001-UP

2шт.

7

569-15-51721

Filter Assembly

SN: 65001-UP

1шт.

8

569-15-51732

Element Assembly

SN: 65001-UP

1шт.

9

07000-A3024

O-ring

SN: 65001-UP

1шт.

10

07040-11812

Plug

SN: 65001-UP

1шт.

11

07002-61823

O-ring

SN: 65001-UP

1шт.

12

07000-73022

O-ring

SN: 65001-UP

2шт.

13

08193-20010

Clip

SN: 65001-UP

1шт.

14

01010-81030

Bolt

SN: 65001-UP

1шт.

15

01643-31032

Washer

SN: 65001-UP

1шт.

16

01010-81080

Bolt

SN: 65001-UP

2шт.

17

01643-31032

Washer

SN: 65001-UP

2шт.

17

195-22-71101

Valve Assembly

SN: 65001-UP

1шт.

18

195-22-71111

Valve Body

SN: 65001-UP

1шт.

19

195-22-71120

Spool

SN: 65001-UP

1шт.

20

195-22-76130

Spring

SN: 65001-UP

1шт.

21

362-15-15550

Plug

SN: 65001-UP

1шт.

22

07002-63034

O-ring

SN: 65001-UP

1шт.

23

700-22-11270

Plate

SN: 65001-UP

1шт.

24

01252-70616

Bolt, Hexagon Socket Head

SN: 65001-UP

2шт.

25

700-22-11421

Gasket

SN: 65001-UP

1шт.

26

700-22-11261

Seal, Dust

SN: 65001-UP

1шт.

27

700-22-11430

Collar

SN: 65001-UP

1шт.

28

700-22-11252

U-packing

SN: 65001-UP

1шт.

29

723-11-18190

Plug

SN: 65001-UP

3шт.

30

07002-61023

O-ring

SN: 65001-UP

3шт.

31

01010-80895

Bolt

SN: 65001-UP

4шт.

32

01643-30823

Washer

SN: 65001-UP

4шт.

33

07000-72015

O-ring

SN: 65001-UP

4шт.

Выбрано товаров: 37