Запчасти Komatsu D375A-6R КОРОНКА РЫХЛИТЕЛЯ ОСВЕЩЕНИЕ (№-) КОРОНКА РЫХЛИТЕЛЯ ОСВЕЩЕНИЕ, ЛАМПА РАБОЧ. ОСВЕЩЕНИЯ, РЫХЛИТЕЛЬ

Схема запчастей Komatsu D375A-6R - КОРОНКА РЫХЛИТЕЛЯ ОСВЕЩЕНИЕ (№-) КОРОНКА РЫХЛИТЕЛЯ ОСВЕЩЕНИЕ, ЛАМПА РАБОЧ. ОСВЕЩЕНИЯ, РЫХЛИТЕЛЬ
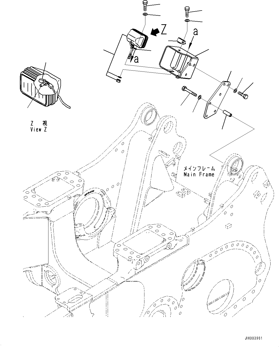
14
11
12
13
16
8
10
9
6
5
7
4
15
1
2
3
FIT
1:1
100%

Артикул

Название

Примечание

Количество

1

17A-06-17931

Lamp

SN: 65001-UP

1шт.

2

17A-06-17970

Bulb, 70watt

SN: 65001-UP

1шт.

3

17A-06-17980

Sleeve

SN: 65001-UP

1шт.

4

195-06-41951

Cover

SN: 65001-UP

1шт.

5

01010-81235

Bolt

SN: 65001-UP

3шт.

6

01643-31232

Washer

SN: 65001-UP

3шт.

7

195-06-55822

Plate

SN: 65001-UP

1шт.

8

195-06-56220

Spacer

SN: 65001-UP

3шт.

9

01011-81240

Bolt

SN: 65001-UP

3шт.

10

01643-31232

Washer

SN: 65001-UP

3шт.

11

195-06-55831

Bracket

SN: 65001-UP

1шт.

12

01010-81235

Bolt

SN: 65001-UP

1шт.

13

01643-31232

Washer

SN: 65001-UP

1шт.

14

04434-50612

Clip

SN: 65001-UP

1шт.

15

01010-81235

Bolt

SN: 65001-UP

1шт.

16

01643-31232

Washer

SN: 65001-UP

1шт.

Выбрано товаров: 16