Запчасти Komatsu D375A-6R ЭЛЕМЕНТЫ (№-) ЭЛЕМЕНТЫ

Схема запчастей Komatsu D375A-6R - ЭЛЕМЕНТЫ (№-) ЭЛЕМЕНТЫ
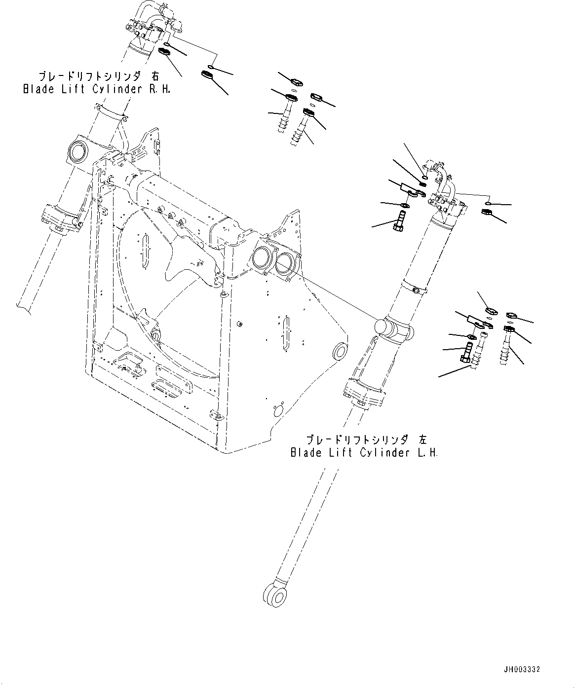
2
5
4
3
1
5
2
2
5
5
2
7
6
9
8
7
6
7
6
7
6
11
11
10
10
FIT
1:1
100%

Артикул

Название

Примечание

Количество

1

07378-11200

Head

SN: 65001-UP

4шт.

2

07371-31255

Flange, Split

SN: 65001-UP

8шт.

3

07372-21035

Bolt

SN: 65001-UP

16шт.

4

01643-51032

Washer

SN: 65001-UP

16шт.

5

07000-13038

O-ring

SN: 65001-UP

4шт.

6

07379-01250

Flange

SN: 65001-UP

4шт.

7

07371-31255

Flange, Split

SN: 65001-UP

8шт.

8

07372-21035

Bolt

SN: 65001-UP

16шт.

9

01643-51032

Washer

SN: 65001-UP

16шт.

10

07099-01016

Hose, Flange Type

SN: UP

-1шт.

11

07099-01016

Hose, Flange Type

SN: UP

-1шт.

Выбрано товаров: 11