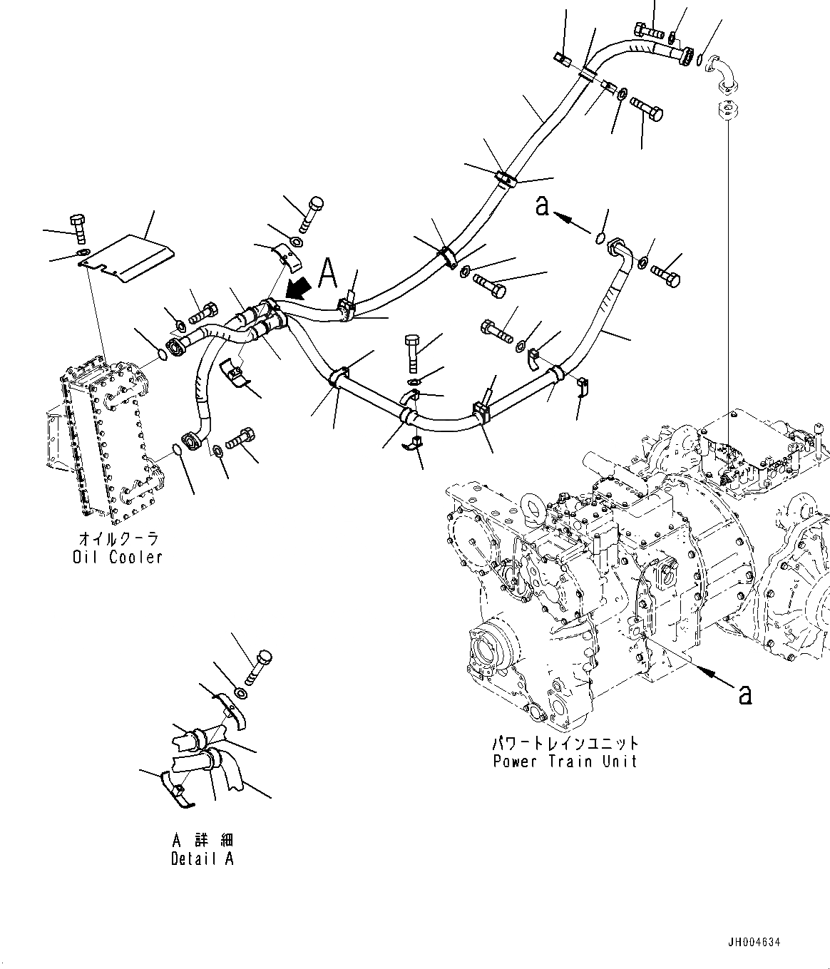
Запчасти Komatsu D375A-6R СИЛОВАЯ ПЕРЕДАЧА ЛИНИИ МАСЛООХЛАДИТЕЛЯ, ЛИНИИ МАСЛООХЛАДИТЕЛЯ (№-) СИЛОВАЯ ПЕРЕДАЧА ЛИНИИ МАСЛООХЛАДИТЕЛЯ, С ПОДДОН ДВИГ-ЛЯ И ПОДОГРЕВАТЕЛЬ ХЛАДАГЕНТА

Схема запчастей Komatsu D375A-6R - СИЛОВАЯ ПЕРЕДАЧА ЛИНИИ МАСЛООХЛАДИТЕЛЯ, ЛИНИИ МАСЛООХЛАДИТЕЛЯ (№-) СИЛОВАЯ ПЕРЕДАЧА ЛИНИИ МАСЛООХЛАДИТЕЛЯ, С ПОДДОН ДВИГ-ЛЯ И ПОДОГРЕВАТЕЛЬ ХЛАДАГЕНТА
3
4
5
6
7
8
9
10
11
12
14
15
16
21
22
23
24
25
26
29
30
31
32
33
34
35
23
23
23
5
9
6
5
1
2
30
13
14
13
9
9
23
21
22
32
10
24
24
28
23
27
23
24
19
20
17
18
31
29
18
17
FIT
1:1
100%

Артикул

Название

Примечание

Количество

1

01010-81240

Bolt

SN: 65001-UP

2шт.

2

01643-31232

Washer

SN: 65001-UP

2шт.

3

01010-81240

Bolt

SN: 65001-UP

2шт.

4

01643-31232

Washer

SN: 65001-UP

2шт.

5

198-61-44220

Clamp

SN: 65001-UP

4шт.

6

198-61-44130

Cushion

SN: 65001-UP

2шт.

7

01010-81290

Bolt

SN: 65001-UP

2шт.

8

01643-31232

Washer

SN: 65001-UP

2шт.

9

198-61-44220

Clamp

SN: 65001-UP

4шт.

10

198-61-44130

Cushion

SN: 65001-UP

2шт.

11

01011-81200

Bolt

SN: 65001-UP

2шт.

12

01643-31232

Washer

SN: 65001-UP

2шт.

13

07094-31228

Clamp

SN: 65001-UP

2шт.

14

07095-01245

Cushion

SN: 65001-UP

2шт.

15

01010-81290

Bolt

SN: 65001-UP

2шт.

16

01643-31232

Washer

SN: 65001-UP

2шт.

17

198-61-44310

Clamp

SN: 65001-UP

2шт.

18

198-61-44130

Cushion

SN: 65001-UP

2шт.

19

01011-81200

Bolt

SN: 65001-UP

1шт.

20

01643-31232

Washer

SN: 65001-UP

1шт.

21

01010-81240

Bolt

SN: 65001-UP

4шт.

22

01643-31232

Washer

SN: 65001-UP

4шт.

23

198-61-44220

Clamp

SN: 65001-UP

8шт.

24

198-61-44130

Cushion

SN: 65001-UP

4шт.

25

01010-81290

Bolt

SN: 65001-UP

1шт.

26

01643-31232

Washer

SN: 65001-UP

1шт.

27

01011-81200

Bolt

SN: 65013-UP

3шт.

27

01010-81200

Bolt

SN: 65001-65012

3шт.

28

01643-31232

Washer

SN: 65001-UP

3шт.

29

195-49-44131

Hose

SN: 65001-UP

1шт.

30

07000-F3048

O-ring

SN: 65001-UP

2шт.

31

195-49-44141

Hose

SN: 65001-UP

1шт.

32

07000-F3048

O-ring

SN: 65001-UP

2шт.

33

195-03-43480

Plate

SN: 65001-UP

1шт.

34

01010-81225

Bolt

SN: 65001-UP

2шт.

35

01643-31232

Washer

SN: 65001-UP

2шт.

Выбрано товаров: 36