Запчасти Komatsu D375A-6R ГОЛОВНОЕ ОСВЕЩЕНИЕ И ПРОВОДКА (№-) ГОЛОВНОЕ ОСВЕЩЕНИЕ И ПРОВОДКА, БЕЗ ПРОВОДКА, ЧАСТЬ NO. И MANUFACTURING DATE CODE

Схема запчастей Komatsu D375A-6R - ГОЛОВНОЕ ОСВЕЩЕНИЕ И ПРОВОДКА (№-) ГОЛОВНОЕ ОСВЕЩЕНИЕ И ПРОВОДКА, БЕЗ ПРОВОДКА, ЧАСТЬ NO. И MANUFACTURING DATE CODE
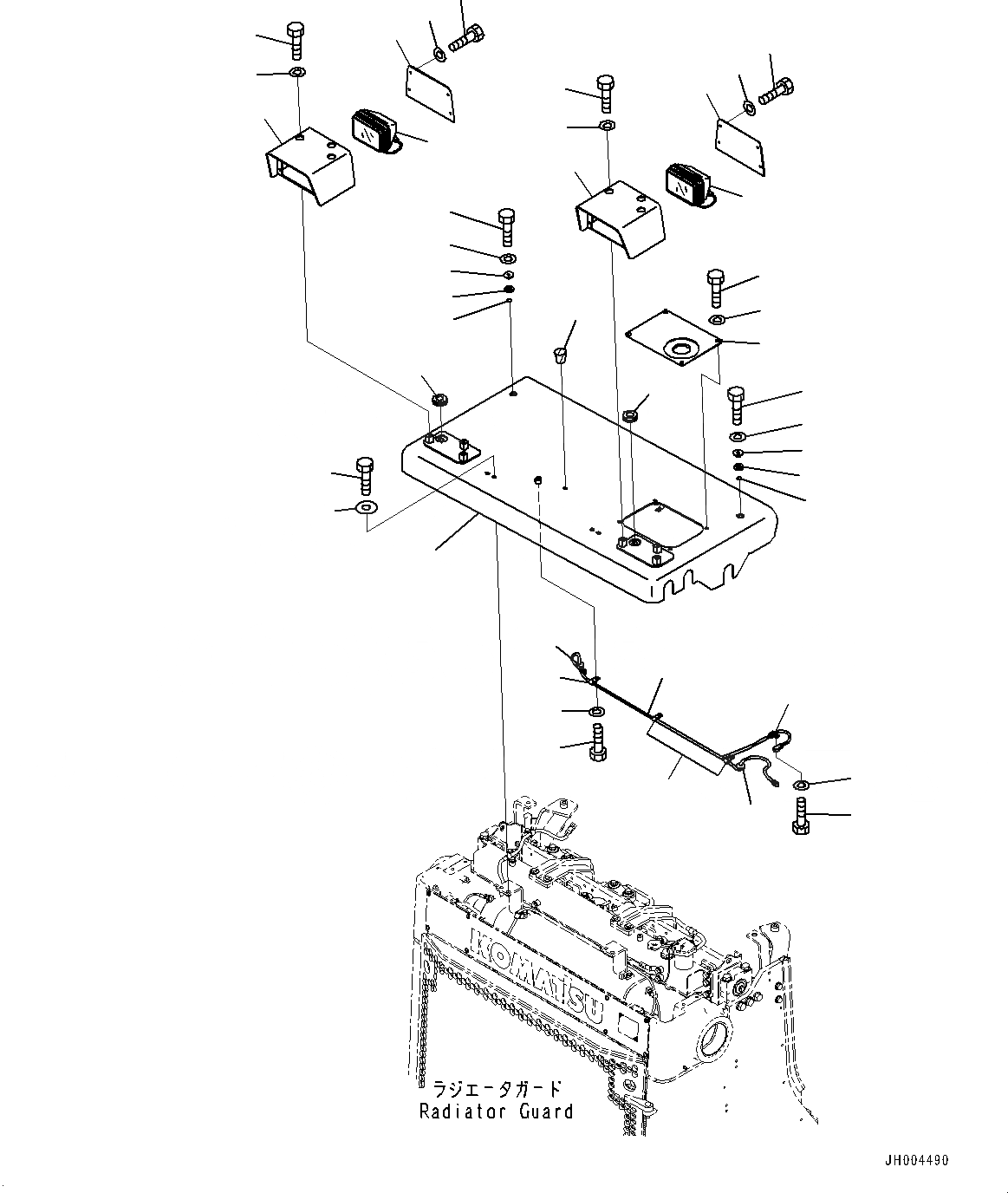
13
20
10
8
7
5
4
3
1
1
3
4
5
7
8
9
10
11
12
16
17
18
19
20
21
22
23
24
25
26
27
28
25
24
23
22
21
6
6
15
14
2
2
FIT
1:1
100%

Артикул

Название

Примечание

Количество

1

17A-06-41681

Cover

SN: 65001-UP

2шт.

2

17A-06-17931

Lamp

SN: 65001-UP

2шт.

|$2

17A-06-17970

Bulb, 70watt

SN: 65001-UP

1шт.

3

01010-81230

Bolt

SN: 65001-UP

6шт.

4

01643-31232

Washer

SN: 65001-UP

6шт.

5

17A-06-41690

Plate

SN: 65001-UP

2шт.

6

08037-03614

Grommet

SN: 65001-UP

2шт.

7

01010-D0816

Bolt

SN: 65001-UP

8шт.

8

01643-70823

Washer

SN: 65001-UP

8шт.

9

195-06-57510

Wiring Harness

SN: 65001-UP

1шт.

10

04434-51012

Clip

SN: 65001-UP

3шт.

11

01010-81220

Bolt

SN: 65001-UP

3шт.

12

01643-31232

Washer

SN: 65001-UP

3шт.

13

04434-51412

Clip

SN: 65001-UP

1шт.

14

01010-81220

Bolt

SN: 65001-UP

1шт.

15

01643-31232

Washer

SN: 65001-UP

1шт.

16

195-54-85190

Cover

SN: 65001-UP

1шт.

17

195-54-81270

Cover

SN: 65001-UP

1шт.

18

01010-81220

Bolt

SN: 65001-UP

4шт.

19

01643-31232

Washer

SN: 65001-UP

4шт.

20

201-54-13210

Grommet

SN: 65001-UP

2шт.

21

15B-54-14220

Collar

SN: 65001-UP

2шт.

22

175-54-27351

Spring

SN: 65471-UP

4шт.

22

175-54-27350

Spring

SN: 65001-65470

4шт.

23

175-54-28770

Ring

SN: 65001-UP

2шт.

24

01010-81250

Bolt

SN: 65001-UP

2шт.

25

01643-31232

Washer

SN: 65001-UP

2шт.

26

01010-81240

Bolt

SN: 65001-UP

4шт.

27

175-54-34170

Washer

SN: 65001-UP

4шт.

28

07049-01215

Plug

SN: 65001-UP

4шт.

Выбрано товаров: 30