Запчасти Komatsu SAA6D170E-5EE ЭЛЕМЕНТЫ БЛОКА ЦИЛИНДРОВ, (/) (№98-) ЭЛЕМЕНТЫ БЛОКА ЦИЛИНДРОВ, ДЛЯ VHMS И ORB, EXTRA BAD ТОПЛИВН. И ПЛОХ. ТОПЛИВО СПЕЦ-ЯIFICATION, ВОДН.+DUST, ДОПОЛН. ФИЛЬТР.

Схема запчастей Komatsu SAA6D170E-5EE - ЭЛЕМЕНТЫ БЛОКА ЦИЛИНДРОВ, (/) (№98-) ЭЛЕМЕНТЫ БЛОКА ЦИЛИНДРОВ, ДЛЯ VHMS И ORB, EXTRA BAD ТОПЛИВН. И ПЛОХ. ТОПЛИВО СПЕЦ-ЯIFICATION, ВОДН.+DUST, ДОПОЛН. ФИЛЬТР.
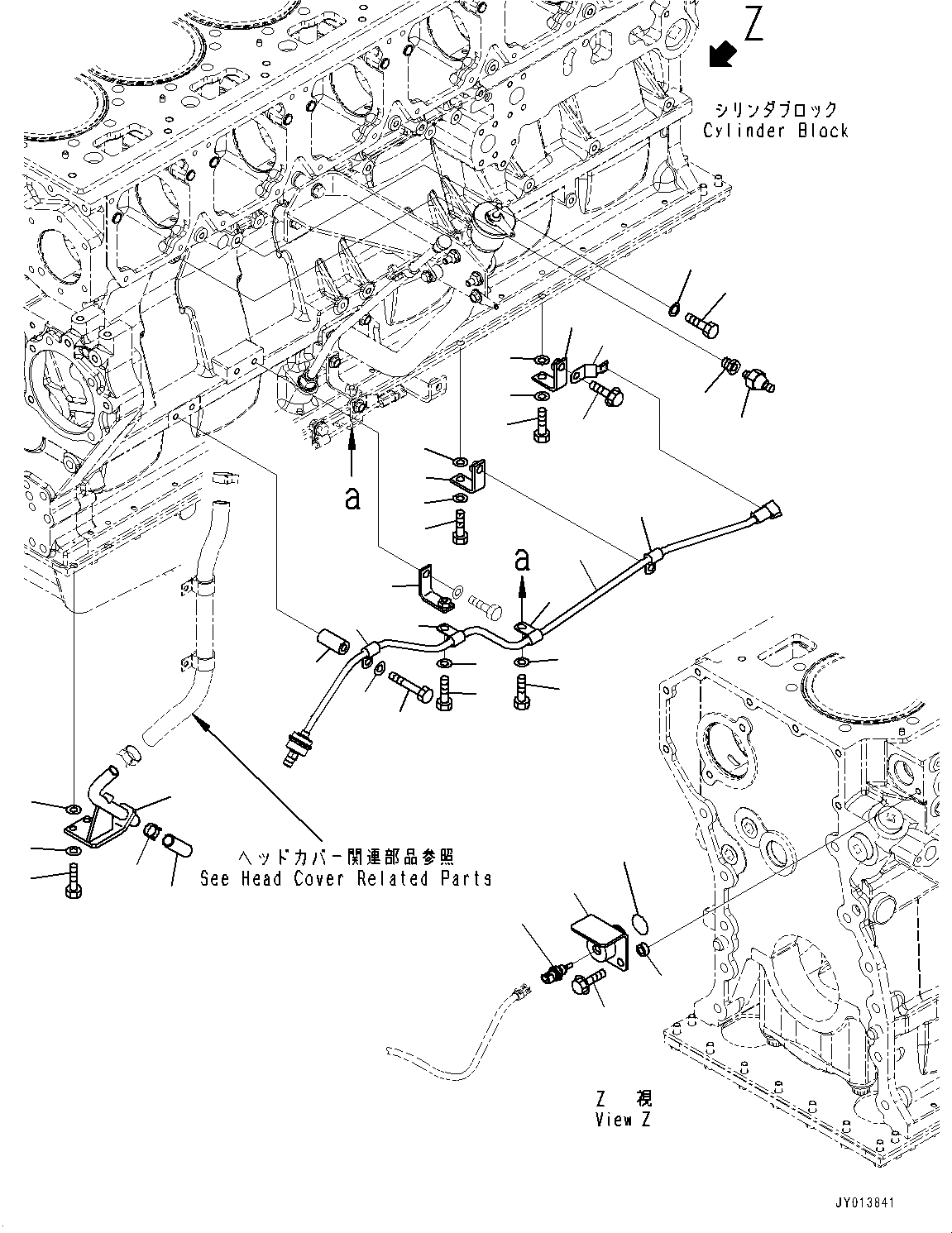
37
26
38
21
34
33
32
31
30
29
28
27
25
24
23
22
20
19
18
17
16
15
14
9
8
7
6
13
12
11
10
4
3
1
36
35
5
2
37
26
38
21
34
33
32
31
30
29
28
27
25
24
23
22
20
19
18
17
16
15
14
9
8
7
6
13
12
11
10
4
3
1
36
35
5
2
FIT
1:1
100%

Артикул

Название

Примечание

Количество

1

6218-81-4111

Sensor Assembly, Blowby

SN: 610984-UP

1шт.

2

6245-21-6220

Tube

SN: 610984-UP

1шт.

3

01010-81050

Bolt

SN: 610984-UP

2шт.

4

01643-31032

Washer

SN: 610984-UP

2шт.

5

01643-31032

Washer

SN: 610984-UP

2шт.

6

600-051-2100

Clip

SN: 610984-UP

1шт.

7

01010-81020

Bolt

SN: 610984-UP

1шт.

8

01643-31032

Washer

SN: 610984-UP

1шт.

9

6934-71-5860

Bracket

SN: 610984-UP

1шт.

10

600-051-2100

Clip

SN: 610984-UP

1шт.

11

01010-81070

Bolt

SN: 610984-UP

1шт.

12

01643-31032

Washer

SN: 610984-UP

1шт.

13

6152-21-6590

Spacer

SN: 610984-UP

1шт.

14

600-051-2100

Clip

SN: 610984-UP

1шт.

15

01010-81020

Bolt

SN: 610984-UP

1шт.

16

01643-31032

Washer

SN: 610984-UP

1шт.

17

600-051-2100

Clip

SN: 610984-UP

1шт.

18

6934-71-5860

Bracket

SN: 610984-UP

1шт.

19

01010-81055

Bolt

SN: 610984-UP

1шт.

20

01643-31032

Washer

SN: 610984-UP

1шт.

21

01643-31032

Washer

SN: 610984-UP

1шт.

22

08193-20010

Clip

SN: 610984-UP

1шт.

23

01435-01016

Bolt

SN: 610984-UP

1шт.

24

6934-71-5860

Bracket

SN: 610984-UP

1шт.

25

01010-81055

Bolt

SN: 610984-UP

1шт.

26

01643-31032

Washer

SN: 610984-UP

1шт.

27

01643-31032

Washer

SN: 610984-UP

1шт.

28

07286-01935

Hose

SN: 610984-UP

1шт.

29

07285-00220

Clip

SN: 610984-UP

1шт.

30

6245-21-6810

Adapter

SN: 610984-UP

1шт.

31

6240-61-6370

O-ring

SN: 610984-UP

1шт.

32

01435-01025

Bolt

SN: 610984-UP

1шт.

33

417-823-1460

Spacer

SN: 610984-UP

1шт.

34

6261-81-6901

Sensor Assembly, Water Temperature

SN: 610984-UP

1шт.

34

6216-84-9740

Seal

SN: 610984-UP

1шт.

35

01050-51012

Bolt

SN: 610984-UP

1шт.

36

07005-01012

Seal, Washer

SN: 610984-UP

1шт.

37

7861-91-1320

Switch, Oil Pressure

SN: 610984-UP

1шт.

38

07326-00201

Adapter

SN: 610984-UP

1шт.

1

6218-81-4111

Sensor Assembly, Blowby

SN: 610984-UP

1шт.

2

6245-21-6220

Tube

SN: 610984-UP

1шт.

3

01010-81050

Bolt

SN: 610984-UP

2шт.

4

01643-31032

Washer

SN: 610984-UP

2шт.

5

01643-31032

Washer

SN: 610984-UP

2шт.

6

600-051-2100

Clip

SN: 610984-UP

1шт.

7

01010-81020

Bolt

SN: 610984-UP

1шт.

8

01643-31032

Washer

SN: 610984-UP

1шт.

9

6934-71-5860

Bracket

SN: 610984-UP

1шт.

10

600-051-2100

Clip

SN: 610984-UP

1шт.

11

01010-81070

Bolt

SN: 610984-UP

1шт.

12

01643-31032

Washer

SN: 610984-UP

1шт.

13

6152-21-6590

Spacer

SN: 610984-UP

1шт.

14

600-051-2100

Clip

SN: 610984-UP

1шт.

15

01010-81020

Bolt

SN: 610984-UP

1шт.

16

01643-31032

Washer

SN: 610984-UP

1шт.

17

600-051-2100

Clip

SN: 610984-UP

1шт.

18

6934-71-5860

Bracket

SN: 610984-UP

1шт.

19

01010-81055

Bolt

SN: 610984-UP

1шт.

20

01643-31032

Washer

SN: 610984-UP

1шт.

21

01643-31032

Washer

SN: 610984-UP

1шт.

22

08193-20010

Clip

SN: 610984-UP

1шт.

23

01435-01016

Bolt

SN: 610984-UP

1шт.

24

6934-71-5860

Bracket

SN: 610984-UP

1шт.

25

01010-81055

Bolt

SN: 610984-UP

1шт.

26

01643-31032

Washer

SN: 610984-UP

1шт.

27

01643-31032

Washer

SN: 610984-UP

1шт.

28

07286-01935

Hose

SN: 610984-UP

1шт.

29

07285-00220

Clip

SN: 610984-UP

1шт.

30

6245-21-6810

Adapter

SN: 610984-UP

1шт.

31

6240-61-6370

O-ring

SN: 610984-UP

1шт.

32

01435-01025

Bolt

SN: 610984-UP

1шт.

33

417-823-1460

Spacer

SN: 610984-UP

1шт.

34

6261-81-6901

Sensor Assembly, Water Temperature

SN: 610984-UP

1шт.

34

6216-84-9740

Seal

SN: 610984-UP

1шт.

35

01050-51012

Bolt

SN: 610984-UP

1шт.

36

07005-01012

Seal, Washer

SN: 610984-UP

1шт.

37

7861-91-1320

Switch, Oil Pressure

SN: 610984-UP

1шт.

38

07326-00201

Adapter

SN: 610984-UP

1шт.

Выбрано товаров: 78