Запчасти Komatsu SAA6D170E-5EE ЭЛЕМЕНТЫ БЛОКА ЦИЛИНДРОВ, (/) (№98-) ЭЛЕМЕНТЫ БЛОКА ЦИЛИНДРОВ, ДЛЯ ПОДДОН ДВИГ-ЛЯ И ПОДОГРЕВАТЕЛЬ ХЛАДАГЕНТА, ДВИГАТЕЛЬ PRE-СМАЗКА СИСТЕМА

Схема запчастей Komatsu SAA6D170E-5EE - ЭЛЕМЕНТЫ БЛОКА ЦИЛИНДРОВ, (/) (№98-) ЭЛЕМЕНТЫ БЛОКА ЦИЛИНДРОВ, ДЛЯ ПОДДОН ДВИГ-ЛЯ И ПОДОГРЕВАТЕЛЬ ХЛАДАГЕНТА, ДВИГАТЕЛЬ PRE-СМАЗКА СИСТЕМА
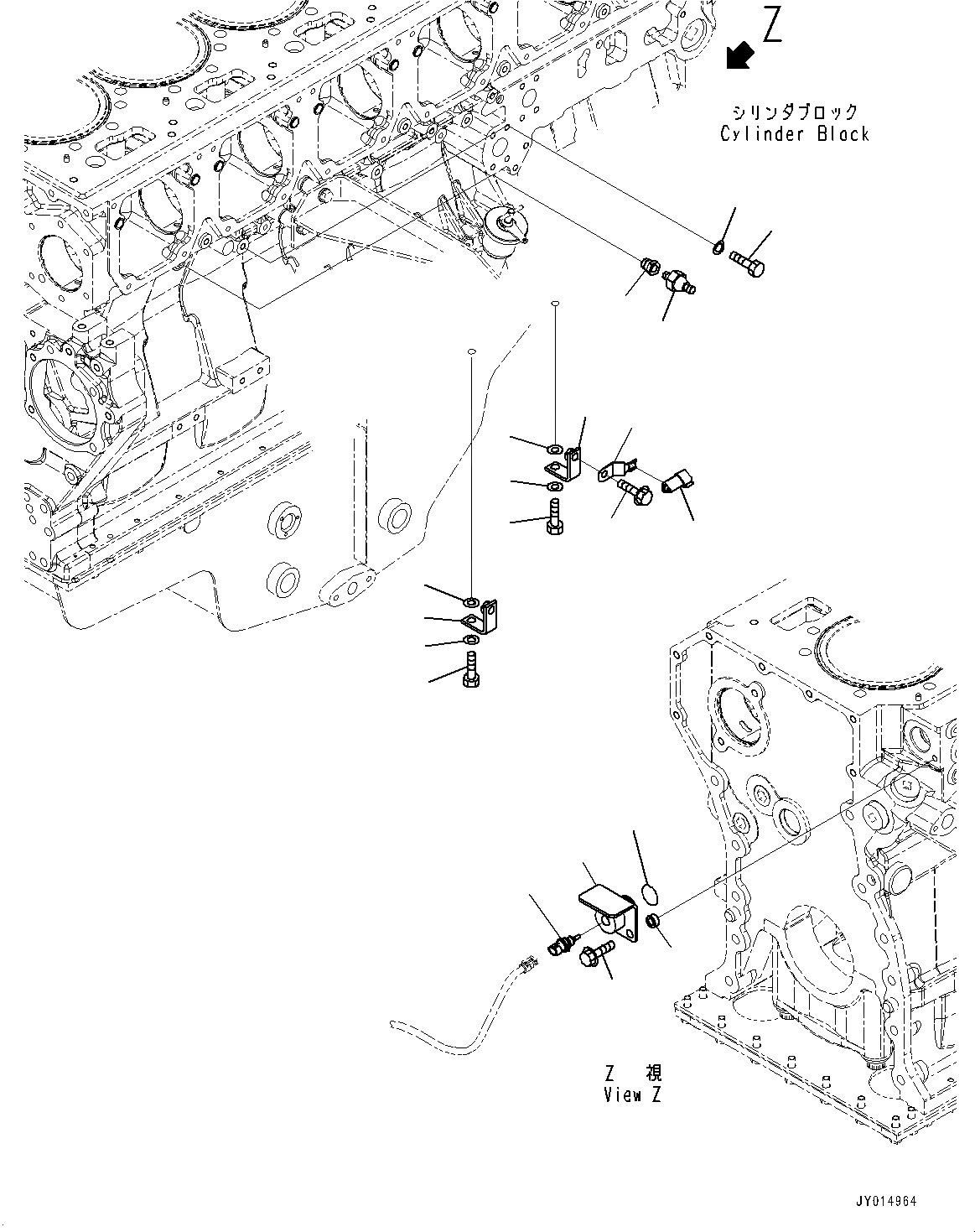
3
8
16
15
14
13
12
4
2
1
10
9
7
6
5
18
17
11
19
20
3
8
16
15
14
13
12
4
2
1
10
9
7
6
5
18
17
11
19
20
FIT
1:1
100%

Артикул

Название

Примечание

Количество

1

6934-71-5860

Bracket

SN: 610984-UP

1шт.

2

01010-81055

Bolt

SN: 610984-UP

1шт.

3

01643-31032

Washer

SN: 610984-UP

1шт.

4

01643-31032

Washer

SN: 610984-UP

1шт.

5

6934-71-5860

Bracket

SN: 610984-UP

1шт.

6

01010-81055

Bolt

SN: 610984-UP

1шт.

7

01643-31032

Washer

SN: 610984-UP

1шт.

8

01643-31032

Washer

SN: 610984-UP

1шт.

9

08193-20010

Clip

SN: 610984-UP

1шт.

10

01435-01016

Bolt

SN: 610984-UP

1шт.

11

6245-81-5290

Connector

SN: 610984-UP

1шт.

12

6245-21-6810

Adapter

SN: 610984-UP

1шт.

13

6240-61-6370

O-ring

SN: 610984-UP

1шт.

14

01435-01025

Bolt

SN: 610984-UP

1шт.

15

417-823-1460

Spacer

SN: 610984-UP

1шт.

16

6261-81-6901

Sensor Assembly, Water Temperature

SN: 610984-UP

1шт.

16

6216-84-9740

Seal

SN: 610984-UP

1шт.

17

01050-51012

Bolt

SN: 610984-UP

1шт.

18

07005-01012

Seal, Washer

SN: 610984-UP

1шт.

19

7861-91-1320

Switch, Oil Pressure

SN: 610984-UP

1шт.

20

07326-00201

Adapter

SN: 610984-UP

1шт.

1

6934-71-5860

Bracket

SN: 610984-UP

1шт.

2

01010-81055

Bolt

SN: 610984-UP

1шт.

3

01643-31032

Washer

SN: 610984-UP

1шт.

4

01643-31032

Washer

SN: 610984-UP

1шт.

5

6934-71-5860

Bracket

SN: 610984-UP

1шт.

6

01010-81055

Bolt

SN: 610984-UP

1шт.

7

01643-31032

Washer

SN: 610984-UP

1шт.

8

01643-31032

Washer

SN: 610984-UP

1шт.

9

08193-20010

Clip

SN: 610984-UP

1шт.

10

01435-01016

Bolt

SN: 610984-UP

1шт.

11

6245-81-5290

Connector

SN: 610984-UP

1шт.

12

6245-21-6810

Adapter

SN: 610984-UP

1шт.

13

6240-61-6370

O-ring

SN: 610984-UP

1шт.

14

01435-01025

Bolt

SN: 610984-UP

1шт.

15

417-823-1460

Spacer

SN: 610984-UP

1шт.

16

6261-81-6901

Sensor Assembly, Water Temperature

SN: 610984-UP

1шт.

16

6216-84-9740

Seal

SN: 610984-UP

1шт.

17

01050-51012

Bolt

SN: 610984-UP

1шт.

18

07005-01012

Seal, Washer

SN: 610984-UP

1шт.

19

7861-91-1320

Switch, Oil Pressure

SN: 610984-UP

1шт.

20

07326-00201

Adapter

SN: 610984-UP

1шт.

Выбрано товаров: 42