Запчасти Komatsu SAA6D170E-5EE ПРОВОДКА (№98-) ПРОВОДКА

Схема запчастей Komatsu SAA6D170E-5EE - ПРОВОДКА (№98-) ПРОВОДКА
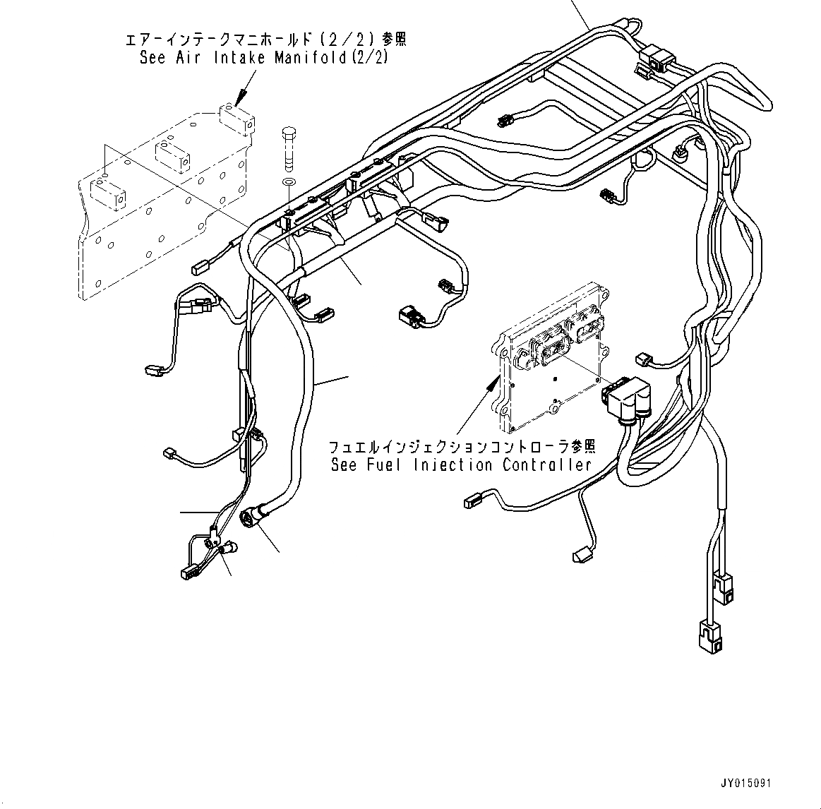
1
2
3
4
5
6
1
2
3
4
5
6
FIT
1:1
100%

Артикул

Название

Примечание

Количество

1

6245-81-5461

Wiring Harness

SN: 611310-UP

1шт.

1

6245-81-5460

Wiring Harness

SN: 610984-611309

1шт.

2

6245-81-5370

Wiring Harness

SN: 610984-UP

1шт.

3

6245-81-9490

Wiring Harness

SN: 610984-UP

1шт.

4

6245-81-9320

Wire

SN: 610984-UP

1шт.

5

6162-83-4970

Cap

SN: 610984-UP

1шт.

6

203-06-71420

Cap

SN: 610984-UP

1шт.

1

6245-81-5461

Wiring Harness

SN: 611310-UP

1шт.

1

6245-81-5460

Wiring Harness

SN: 610984-611309

1шт.

2

6245-81-5370

Wiring Harness

SN: 610984-UP

1шт.

3

6245-81-9490

Wiring Harness

SN: 610984-UP

1шт.

4

6245-81-9320

Wire

SN: 610984-UP

1шт.

5

6162-83-4970

Cap

SN: 610984-UP

1шт.

6

203-06-71420

Cap

SN: 610984-UP

1шт.

Выбрано товаров: 14