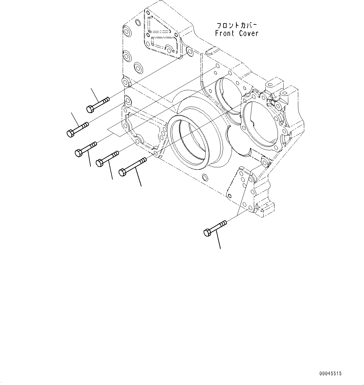
Запчасти Komatsu SAA6D170E-5EE ПЕРЕДН. КРЫШКАКРЕПЛЕНИЕ, КОМПОНЕНТЫ (№98-) ПЕРЕДН. КРЫШКАКРЕПЛЕНИЕ

Схема запчастей Komatsu SAA6D170E-5EE - ПЕРЕДН. КРЫШКАКРЕПЛЕНИЕ, КОМПОНЕНТЫ (№98-) ПЕРЕДН. КРЫШКАКРЕПЛЕНИЕ
1
2
3
3
4
1
1
2
3
3
4
1
FIT
1:1
100%

Артикул

Название

Примечание

Количество

1

01010-81275

Bolt

SN: 610984-UP

14шт.

2

01010-81270

Bolt

SN: 610984-UP

1шт.

3

01010-81265

Bolt

SN: 610984-UP

3шт.

4

01011-81215

Bolt

SN: 610984-UP

1шт.

1

01010-81275

Bolt

SN: 610984-UP

14шт.

2

01010-81270

Bolt

SN: 610984-UP

1шт.

3

01010-81265

Bolt

SN: 610984-UP

3шт.

4

01011-81215

Bolt

SN: 610984-UP

1шт.

Выбрано товаров: 8