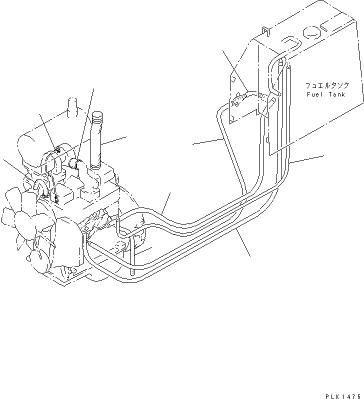
Запчасти Komatsu D37A-5 ЧАСТИ ДЛЯ ПЕРИОДИЧ. ЗАМЕНЫ (/)(ДВИГАТЕЛЬШЛАНГИ)(№7-) ЧАСТИ BOOK

Схема запчастей Komatsu D37A-5 - ЧАСТИ ДЛЯ ПЕРИОДИЧ. ЗАМЕНЫ (/)(ДВИГАТЕЛЬ  ШЛАНГИ)(№7-) ЧАСТИ BOOK
1
2
3
4
5
6
7
8
9
10
FIT
1:1
100%

Артикул

Название

Примечание

Количество

1

07288-01016

HOSE

SN: 3731-UP

1шт.

2

114-04-51140

HOSE,SPILL

SN: 3731-UP

1шт.

3

07288-00718

HOSE,(FOR 15A)

SN: 3731-UP

1шт.

4

07288-01026

HOSE,(FOR 13A¤25A)

SN: 3731-UP

1шт.

5

07288-00522

HOSE,(FOR 15A)

SN: 3731-UP

1шт.

6

6732-11-8710

HOSE,FILLER

SN: 3731-UP

1шт.

7

6735-11-4330

HOSE,TURBOCHARGER

SN: 3731-UP

1шт.

8

6732-51-8260

HOSE,TURBOCHARGER

SN: 3731-UP

1шт.

9

6732-61-6330

HOSE,THERMOSTAT

SN: 3731-UP

1шт.

10

07286-01936

HOSE,BREATHER

SN: 3731-UP

1шт.

Выбрано товаров: 10