Запчасти Komatsu D37A-5 КОРПУС КОНЕЧН. ПЕРЕДАЧИ СИЛОВАЯ ПЕРЕДАЧА И КОНЕЧНАЯ ПЕРЕДАЧА

Схема запчастей Komatsu D37A-5 - КОРПУС КОНЕЧН. ПЕРЕДАЧИ СИЛОВАЯ ПЕРЕДАЧА И КОНЕЧНАЯ ПЕРЕДАЧА
FIT
1:1
100%

Артикул

Название

Примечание

Количество

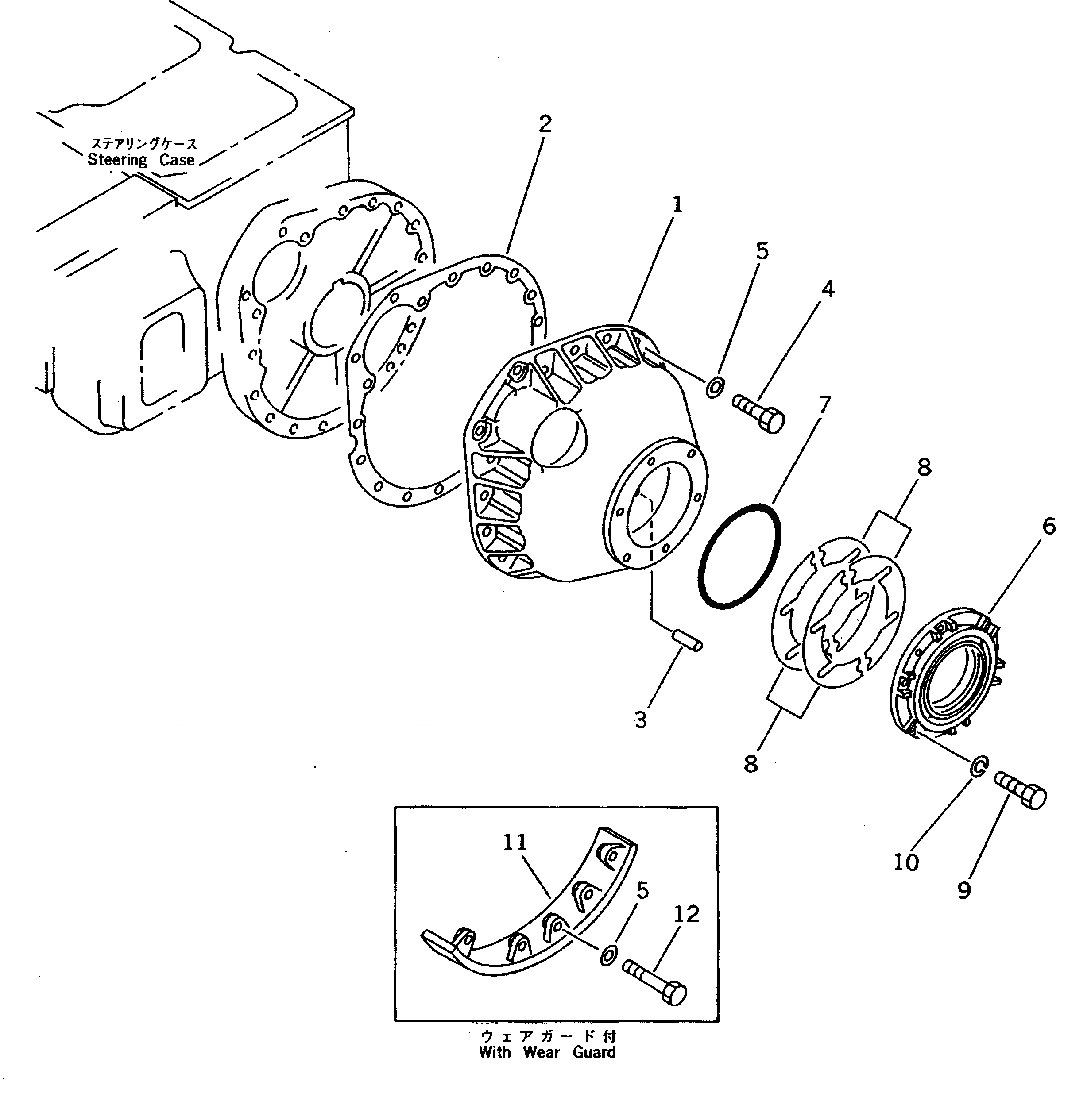
1

113-27-41110

CASE

SN: 3001-UP

2шт.

2

113-27-31121

GASKET

SN: 3242-UP

2шт.

|2

0

GASKET

SN: 3001-3241

2шт.

3

04020-01228

PIN,DOWEL

SN: 3001-UP

2шт.

4

01010-81640

BOLT

SN: 3001-UP

36шт.

|4

01010-81640

BOLT,(WITH WEAR GUARD)

SN: 3001-UP

26шт.

5

01643-31645

WASHER

SN: 3001-UP

36шт.

6

113-27-41410

RING

SN: 3449-UP

2шт.

|6

0

RING

SN: 3001-3448

2шт.

7

07000-05160

O-RING

SN: 3001-UP

2шт.

8

113-27-05030

SHIM ASS'Y

SN: 3001-UP

2шт.

|8

0

SHIM¤ 0.2MM

SN: 3001-UP

4шт.

|8

0

SHIM¤ 0.3MM

SN: 3001-UP

4шт.

|8

0

SHIM¤ 1.0MM

SN: 3001-UP

2шт.

9

01010-81235

BOLT

SN: 3001-UP

12шт.

10

01602-21236

WASHER,SPRING

SN: 3001-UP

12шт.

11

111-27-39120

GUARD,WEAR¤ L.H. (WITH WEAR GUARD)

SN: 3001-UP

1шт.

|11

111-27-39130

GUARD,WEAR¤ R.H. (WITH WEAR GUARD)

SN: 3001-UP

1шт.

12

01010-81670

BOLT,(WITH WEAR GUARD)

SN: 3001-UP

10шт.

Выбрано товаров: 19