Запчасти Komatsu D37EX-21 РЫХЛИТЕЛЬ РАБОЧЕЕ ОБОРУДОВАНИЕ

Схема запчастей Komatsu D37EX-21 - РЫХЛИТЕЛЬ РАБОЧЕЕ ОБОРУДОВАНИЕ
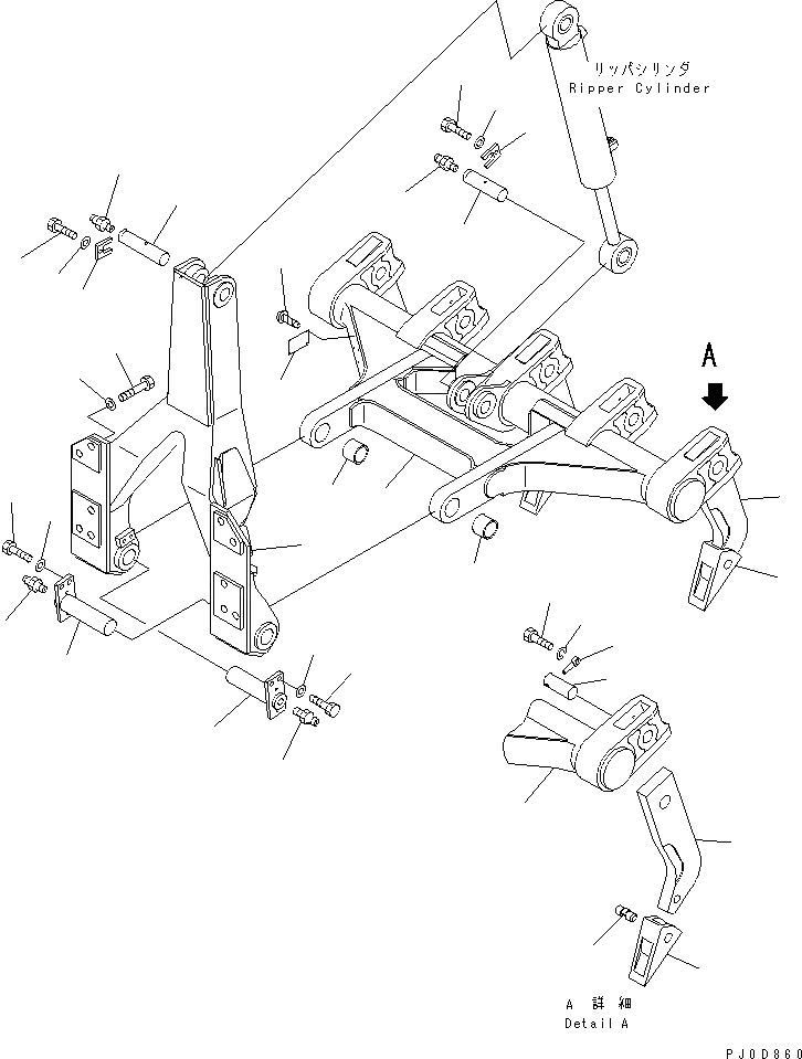
1
2
2
3
3
4
4
5
5
6
6
7
7
8
9
10
11
12
13
14
15
16
17
18
18
19
19
20
21
22
23
24
25
26
27
28
FIT
1:1
100%

Артикул

Название

Примечание

Количество

1

11Y-78-11170

SUPPORT

SN: 5001-UP

1шт.

2

11Y-78-11160

BEAM

SN: 5001-UP

1шт.

3

113-78-31230

PIN

SN: 5001-UP

2шт.

4

113-78-21210

BUSHING

SN: 5001-UP

2шт.

5

01010-81230

BOLT

SN: 5001-UP

4шт.

6

01643-31232

WASHER

SN: 5001-UP

4шт.

7

07020-00000

FITTING,GREASE

SN: 5001-UP

2шт.

8

114-72-21851

PIN

SN: 5001-UP

1шт.

9

114-72-21860

LOCK

SN: 5001-UP

1шт.

10

01010-81025

BOLT

SN: 5001-UP

1шт.

11

01643-31032

WASHER

SN: 5001-UP

1шт.

12

07020-00000

FITTING,GREASE

SN: 5001-UP

1шт.

13

114-72-21870

PIN

SN: 5001-UP

1шт.

14

114-72-21860

LOCK

SN: 5001-UP

1шт.

15

01010-81025

BOLT

SN: 5001-UP

1шт.

16

01643-31032

WASHER

SN: 5001-UP

1шт.

17

07020-00000

FITTING,GREASE

SN: 5001-UP

1шт.

18

113-78-21130

SHANK

SN: 5001-UP

3шт.

19

113-78-21140

POINT

SN: 5001-UP

3шт.

20

113-78-21170

PIN

SN: 5001-UP

3шт.

21

113-78-21180

PIN

SN: 5001-UP

3шт.

22

114-72-21970

PIN

SN: 5001-UP

3шт.

23

01010-81025

BOLT

SN: 5001-UP

3шт.

24

01602-21030

WASHER

SN: 5001-UP

3шт.

25

09601-00835

PLATE¤ NAME,(LIMITED SUPPLY)

SN: 5001-UP

1шт.

26

04418-13060

SCREW

SN: 5001-UP

4шт.

27

01010-82060

BOLT

SN: 5001-UP

10шт.

28

01643-32060

WASHER

SN: 5001-UP

10шт.

Выбрано товаров: 0