Запчасти Komatsu D37EX-21 КАБИНА ROPS (ЭЛЕКТР.) (ДЛЯ США)(№98-99) КАБИНА ОПЕРАТОРА И СИСТЕМА УПРАВЛЕНИЯ

Схема запчастей Komatsu D37EX-21 - КАБИНА ROPS (ЭЛЕКТР.) (ДЛЯ США)(№98-99) КАБИНА ОПЕРАТОРА И СИСТЕМА УПРАВЛЕНИЯ
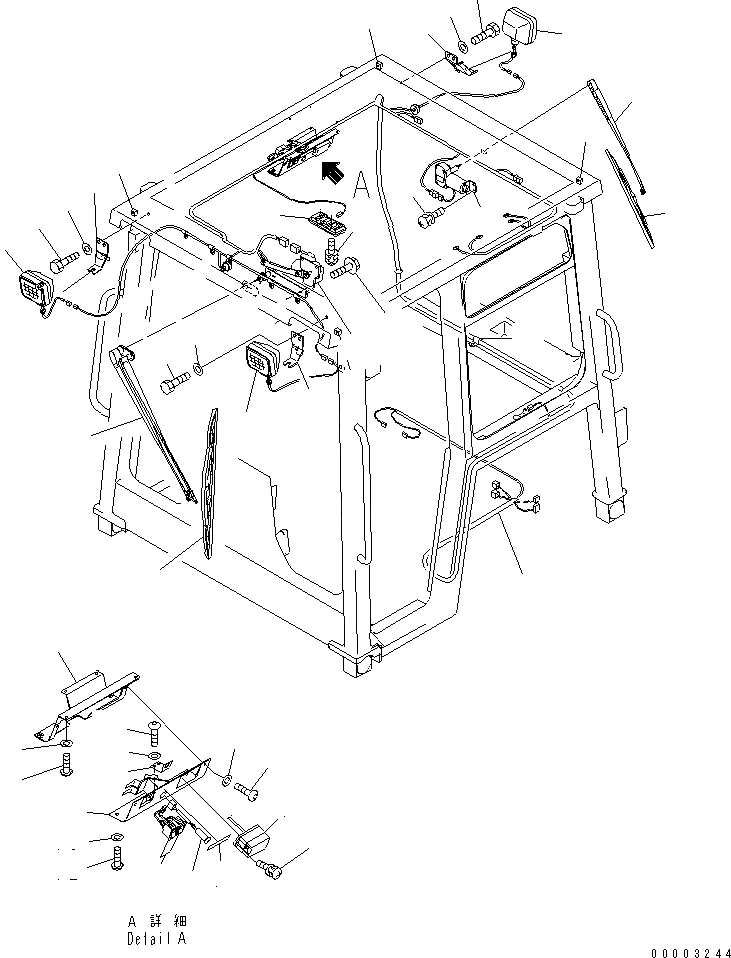
1
1
2
3
3
3
3
4
5
6
7
8
9
10
11
12
12
13
13
14
15
16
17
18
19
20
21
22
23
24
25
26
27
28
29
30
30
30
31
31
31
32
32
32
FIT
1:1
100%

Артикул

Название

Примечание

Количество

|1

11Y-979-0023

ROPS CAB ASS'Y

SN: 5098-UP

1шт.

|1

11Y-979-0033

ROPS CAB ASS'Y

SN: 5098-UP

1шт.

|$$3

THESE ASSEMBLIES CONSIST OF ALL PARTS SHOWN IN FIGS.K0210-01A1A TO K0210-09A0.

-1шт.

1

11Y-979-1612

WIRING HARNESS

SN: 5098-UP

1шт.

2

01023-70514

SCREW

SN: 5001-UP

2шт.

3

11Y-979-2940

SEAL

SN: 5098-UP

4шт.

4

08059-00515

CLIP

SN: 5001-UP

1шт.

5

11Y-979-1941

SWITCH

SN: 5001-UP

2шт.

6

11Y-979-1960

CIRCUIT BREAKER

SN: 5001-UP

1шт.

7

11Y-979-2360

PLATE

SN: 5001-UP

1шт.

8

11Y-979-1511

PLATE

SN: 5001-UP

1шт.

9

01245-00610

SCREW

SN: 5098-UP

4шт.

10

01643-70623

WASHER

SN: 5001-UP

4шт.

11

11Y-979-1521

COVER

SN: 5001-UP

1шт.

12

01245-00616

SCREW

SN: 5001-UP

4шт.

13

01643-70623

WASHER

SN: 5001-UP

4шт.

14

11Y-979-1580

BRACKET

SN: 5001-UP

1шт.

15

01245-00610

SCREW

SN: 5001-UP

2шт.

16

01643-70623

WASHER

SN: 5001-UP

2шт.

17

11Y-979-1531

WIPER MOTOR ASS'Y,FRONT

SN: 5001-UP

1шт.

18

01435-40616

BOLT

SN: 5001-UP

4шт.

19

426-54-15233

ARM,WIPER

SN: 5001-UP

1шт.

20

425-54-15250

BLADE,WIPER

SN: 5001-UP

1шт.

|20

425-56-21220

RUBBER

SN: 5001-UP

1шт.

21

11Y-979-2320

WIPER MOTOR ASS'Y,REAR

SN: 5001-UP

1шт.

22

01023-20512

SCREW

SN: 5001-UP

2шт.

23

209-06-77910

ARM,WIPER

SN: 5098-UP

1шт.

24

20T-54-74990

BLADE,WIPER

SN: 5098-UP

1шт.

25

421-06-26210

LAMP ASS'Y,ROOM

SN: 5001-UP

1шт.

|25

421-06-26250

LENS

SN: 5001-UP

2шт.

|25

421-06-26260

BULB¤ 10W

SN: 5001-UP

2шт.

26

01023-70514

SCREW

SN: 5001-UP

2шт.

27

11Y-978-1610

BRACKET,L.H.

SN: 5001-UP

1шт.

28

11Y-978-1620

BRACKET,R.H.

SN: 5001-UP

1шт.

29

11Y-978-1311

PLATE

SN: 5001-UP

1шт.

30

01010-D1225

BOLT

SN: 5001-UP

6шт.

31

01643-71232

WASHER

SN: 5001-UP

6шт.

32

11Y-06-11372

LAMP

SN: 5001-UP

3шт.

|32

421-06-23330

BULB¤ 70W

SN: 5001-UP

3шт.

Выбрано товаров: 39