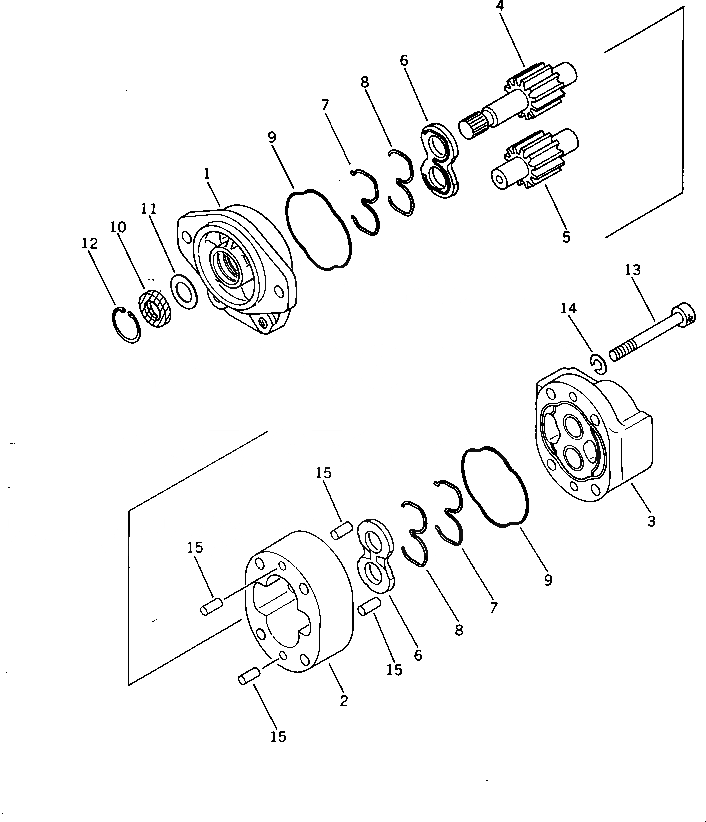
Запчасти Komatsu D37EX-21A-M ГИДР. НАСОС. ОСНОВН. КОМПОНЕНТЫ И РЕМКОМПЛЕКТЫ

Схема запчастей Komatsu D37EX-21A-M - ГИДР. НАСОС. ОСНОВН. КОМПОНЕНТЫ И РЕМКОМПЛЕКТЫ
FIT
1:1
100%

Артикул

Название

Примечание

Количество

|1

705-12-32110

PUMP ASS'Y

SN: 5501-UP

1шт.

1

0

BRACKET ASS'Y

SN: 5501-UP

1шт.

2

0

CASE

SN: 5501-UP

1шт.

3

0

COVER ASS'Y

SN: 5501-UP

1шт.

4

0

GEAR,DRIVE

SN: 5501-UP

1шт.

5

0

GEAR,DRIVEN

SN: 5501-UP

1шт.

6

0

PLATE,SIDE

SN: 5501-UP

2шт.

7

0

RING,BACK-UP

SN: 5501-UP

2шт.

8

0

RING,SEAL

SN: 5501-UP

2шт.

9

0

O-RING

SN: 5501-UP

2шт.

10

705-17-02810

SEAL

SN: 5501-UP

1шт.

11

705-17-02870

PLATE

SN: 5501-UP

1шт.

12

04065-04018

RING

SN: 5501-UP

1шт.

13

705-17-02760

BOLT

SN: 5501-UP

4шт.

14

01602-21236

WASHER

SN: 5501-UP

4шт.

15

04020-01024

PIN

SN: 5501-UP

4шт.

Выбрано товаров: 16