Запчасти Komatsu D37EX-21A КРЫШКИ (ДЛЯ ПОВОРОТН. СЦЕПНОЕ УСТРОЙСТВО) ХОДОВАЯ

Схема запчастей Komatsu D37EX-21A - КРЫШКИ (ДЛЯ ПОВОРОТН. СЦЕПНОЕ УСТРОЙСТВО) ХОДОВАЯ
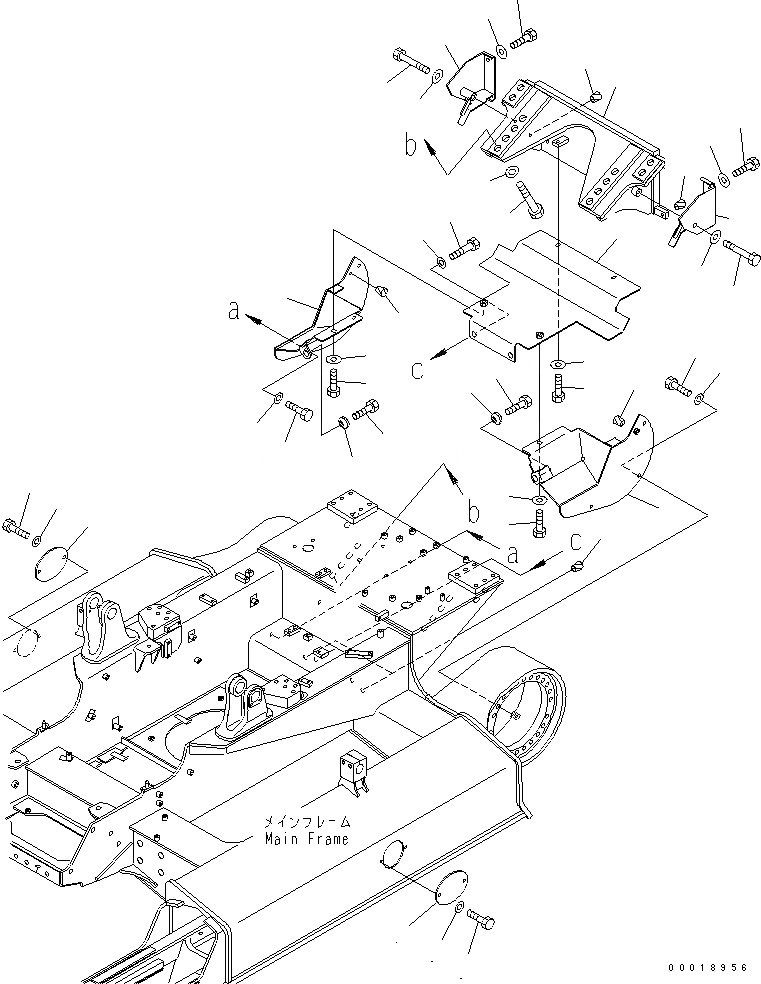
1
2
2
3
4
5
6
7
8
9
10
11
12
12
13
14
15
16
17
18
19
20
21
22
23
24
25
26
27
28
29
30
30
31
32
33
34
34
35
35
36
37
38
FIT
1:1
100%

Артикул

Название

Примечание

Количество

1

11Y-30-23320

COVER,L.H.

SN: 5501-UP

1шт.

2

01010-81225

BOLT

SN: 5501-UP

2шт.

3

01010-81225

BOLT

SN: 5501-UP

3шт.

4

01643-31232

WASHER

SN: 5501-UP

3шт.

5

144-862-7270

WASHER

SN: 5501-UP

1шт.

6

130-43-64260

COLLAR

SN: 5501-UP

1шт.

7

14Y-30-11277

COVER

SN: 5501-UP

1шт.

8

01010-81235

BOLT

SN: 5501-UP

2шт.

9

01643-31232

WASHER

SN: 5501-UP

2шт.

10

07049-01215

PLUG

SN: 5501-UP

1шт.

11

11Y-30-23330

COVER,R.H.

SN: 5501-UP

1шт.

12

01010-81225

BOLT

SN: 5501-UP

2шт.

13

01010-81225

BOLT

SN: 5501-UP

3шт.

14

01643-31232

WASHER

SN: 5501-UP

3шт.

15

144-862-7270

WASHER

SN: 5501-UP

1шт.

16

130-43-64260

COLLAR

SN: 5501-UP

1шт.

17

14Y-30-11277

COVER

SN: 5501-UP

1шт.

18

01010-81235

BOLT

SN: 5501-UP

2шт.

19

01643-31232

WASHER

SN: 5501-UP

2шт.

20

07049-01215

PLUG

SN: 5501-UP

1шт.

21

11Y-69-11830

COVER

SN: 5501-UP

1шт.

22

01010-82050

BOLT

SN: 5501-UP

2шт.

23

01643-32060

WASHER

SN: 5501-UP

2шт.

24

01010-81225

BOLT

SN: 5501-UP

2шт.

25

130-43-64260

COLLAR

SN: 5501-UP

2шт.

26

07049-02025

PLUG

SN: 5501-UP

2шт.

27

11Y-69-11810

COVER,L.H.

SN: 5501-UP

1шт.

28

01010-81225

BOLT

SN: 5501-UP

1шт.

29

01010-81285

BOLT

SN: 5501-UP

1шт.

30

130-43-64260

COLLAR

SN: 5501-UP

2шт.

31

11Y-69-11820

COVER,R.H.

SN: 5501-UP

1шт.

32

01010-81225

BOLT

SN: 5501-UP

1шт.

33

01010-81285

BOLT

SN: 5501-UP

1шт.

34

130-43-64260

COLLAR

SN: 5501-UP

2шт.

35

07049-01215

PLUG

SN: 5501-UP

2шт.

36

11Y-69-12140

BRACKET

SN: 5501-UP

1шт.

37

01010-82475

BOLT

SN: 5501-UP

12шт.

38

01643-32460

WASHER

SN: 5501-UP

12шт.

Выбрано товаров: 38