Качественные детали и логистика
Оригинальные и аналоговые запчасти с доставкой по России, Казахстану и Беларуси
©2022 PartSell ООО "Система" ИНН 2463123282 ОГРН 1212400004838
Центральный офис: г. Красноярск, Академика Киренского, д.87, пом.4
Телефон: 8 (800) 777-65-74 Email: zakaz@partsell.ru
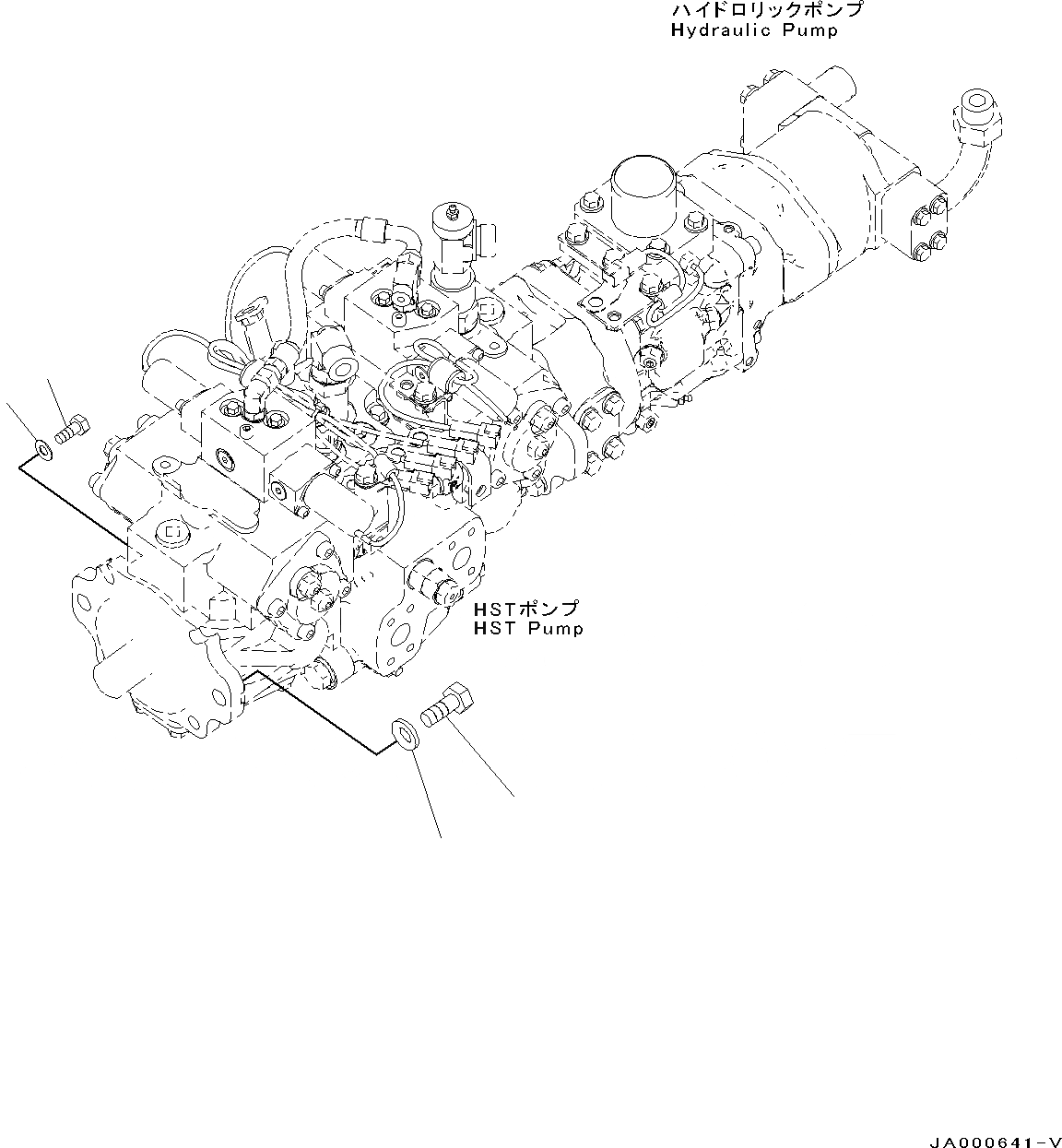
ГИДРАВЛ МАСЛ. НАСОС, КРЕПЛЕНИЕ (№-)
№
Артикул
Название
Примечание
Количество
1
01010-81640
Bolt
SN: 60001-UP
2шт.
2
01643-31645
Washer
3
01010-81235
4шт.
4
01643-31232
Выбрано товаров: 4