Запчасти Komatsu D37EX-22 ЛИНИИ МАСЛООХЛАДИТЕЛЯ, СИСТЕМА ТРУБ ОХЛАЖДЕНИЯ (№-) ЛИНИИ МАСЛООХЛАДИТЕЛЯ

Схема запчастей Komatsu D37EX-22 - ЛИНИИ МАСЛООХЛАДИТЕЛЯ, СИСТЕМА ТРУБ ОХЛАЖДЕНИЯ (№-) ЛИНИИ МАСЛООХЛАДИТЕЛЯ
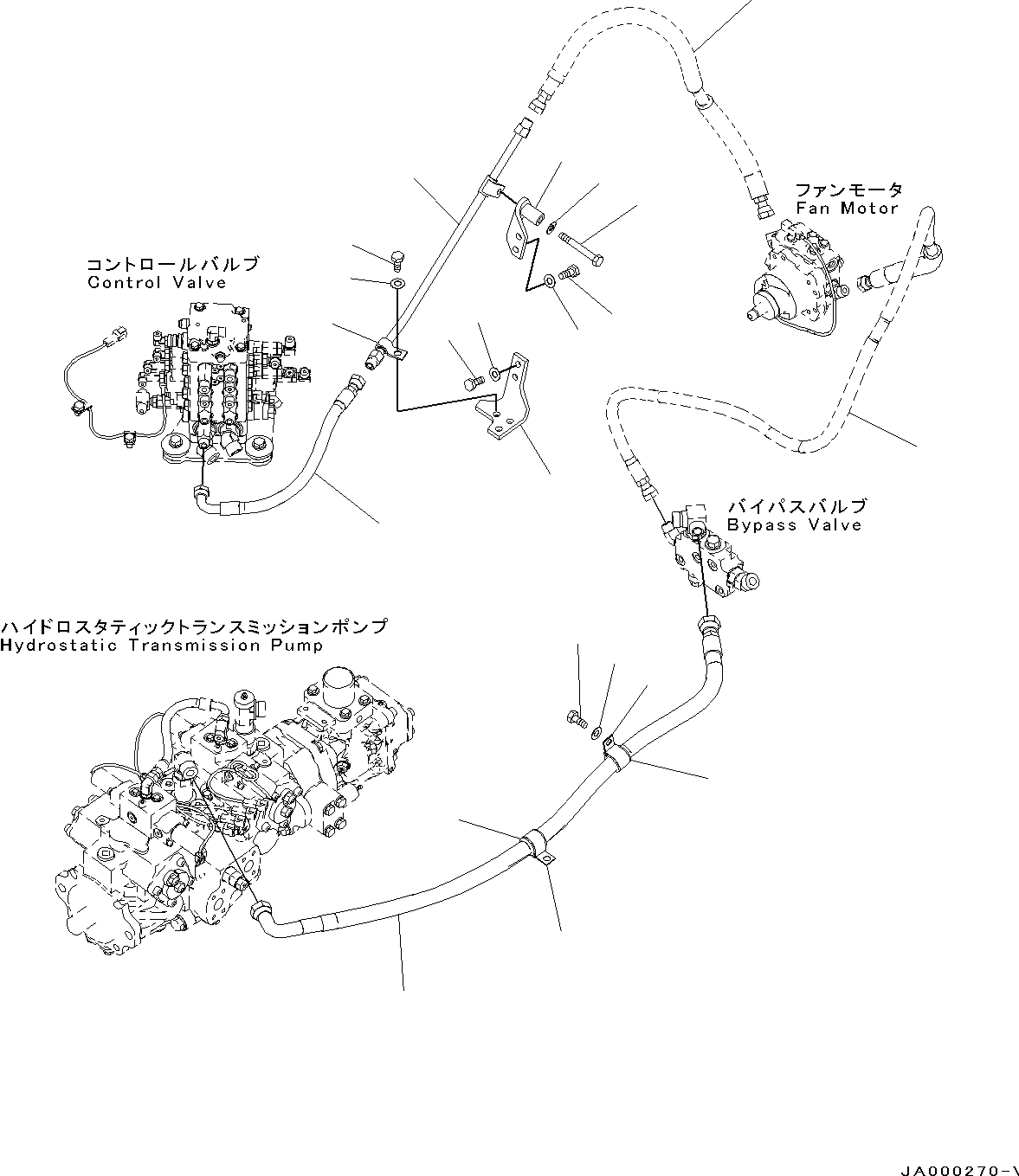
19
20
1
4
4
5
5
2
3
6
7
9
10
11
13
14
15
17
16
18
8
12
FIT
1:1
100%

Артикул

Название

Примечание

Количество

1

11Y-62-33152

Hose Assembly

SN: 60001-UP

1шт.

2

01010-81025

Bolt

SN: 60001-UP

1шт.

3

01643-31032

Washer

SN: 60001-UP

1шт.

4

04434-53412

Clip

SN: 60001-UP

2шт.

5

07095-20627

Cushion

SN: 60001-UP

2шт.

6

11Y-62-33861

Bracket

SN: 60001-UP

1шт.

7

01010-81025

Bolt

SN: 60001-UP

2шт.

8

01643-31032

Washer

SN: 60001-UP

2шт.

9

02766-00405

Hose, Face Seal Type

SN: 60001-UP

1шт.

10

11Y-62-33750

Clamp

SN: 60001-UP

1шт.

11

01010-81030

Bolt

SN: 60001-UP

1шт.

12

01643-31032

Washer

SN: 60001-UP

1шт.

13

11Y-62-33851

Tube

SN: 60001-UP

1шт.

14

11Y-62-33841

Bracket

SN: 60001-UP

1шт.

15

01010-81065

Bolt

SN: 60001-UP

1шт.

16

01643-31032

Washer

SN: 60001-UP

1шт.

17

01010-81025

Bolt

SN: 60001-UP

2шт.

18

01643-31032

Washer

SN: 60001-UP

2шт.

19

11Y-03-33113

Hose Assembly

SN: UP

-1шт.

|$19

11Y-03-33113

Hose Assembly

SN: UP

-1шт.

20

11Y-03-33154

Hose Assembly

SN: UP

-1шт.

|$21

11Y-03-33154

Hose Assembly

SN: UP

-1шт.

Выбрано товаров: 0