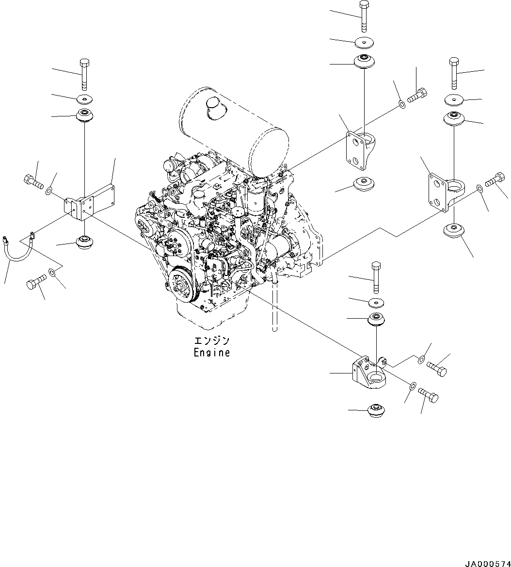
Запчасти Komatsu D37EX-22 КРЕПЛЕНИЕ ДВИГАТЕЛЯ (№-) КРЕПЛЕНИЕ ДВИГАТЕЛЯ

Схема запчастей Komatsu D37EX-22 - КРЕПЛЕНИЕ ДВИГАТЕЛЯ (№-) КРЕПЛЕНИЕ ДВИГАТЕЛЯ
1
6
7
10
13
14
15
18
17
16
15
14
9
8
7
6
5
4
3
2
1
10
11
12
1
2
3
1
12
11
10
10
13
FIT
1:1
100%

Артикул

Название

Примечание

Количество

1

11Y-01-33180

Cushion

SN: 60001-UP

4шт.

2

113-01-21120

Washer

SN: 60001-UP

2шт.

3

01011-81620

Bolt

SN: 60001-UP

2шт.

4

11Y-01-32661

Bracket,L.H.

SN: 60001-UP

1шт.

5

11Y-01-32671

Bracket,R.H.

SN: 60001-UP

1шт.

6

01010-81035

Bolt

SN: 60001-UP

8шт.

7

01643-31032

Washer

SN: 60001-UP

8шт.

8

01010-81045

Bolt

SN: 60001-UP

3шт.

9

01643-31032

Washer

SN: 60001-UP

3шт.

10

11Y-01-32920

Cushion

SN: 60001-UP

4шт.

11

198-22-22180

Holder

SN: 60001-UP

2шт.

12

01011-81635

Bolt

SN: 60001-UP

2шт.

13

11Y-01-32122

Bracket

SN: 60001-UP

2шт.

14

01010-81235

Bolt

SN: 60001-UP

8шт.

15

01643-31232

Washer

SN: 60001-UP

8шт.

16

11Y-06-11250

Cable

SN: 60001-UP

1шт.

17

01010-81020

Bolt

SN: 60001-UP

2шт.

18

01643-31032

Washer

SN: 60001-UP

2шт.

Выбрано товаров: 18