Запчасти Komatsu D37EX-22 ДЕМПФЕР (№-) ДЕМПФЕР

Схема запчастей Komatsu D37EX-22 - ДЕМПФЕР (№-) ДЕМПФЕР
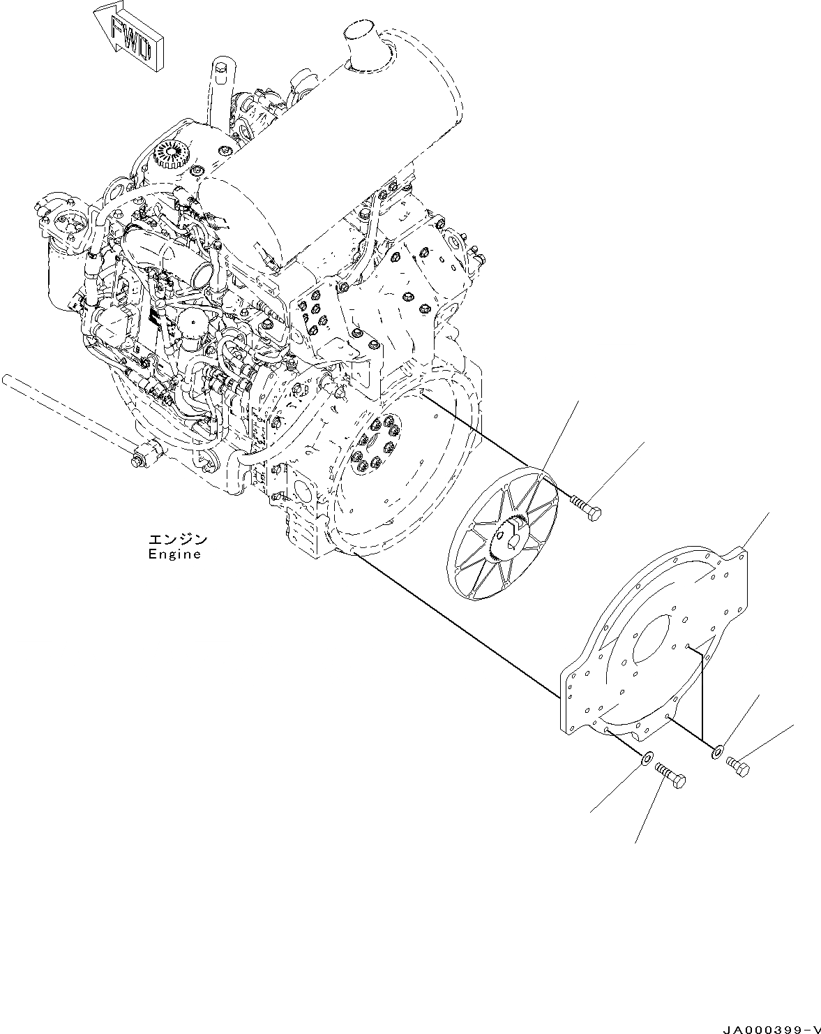
1
2
4
6
5
7
3
FIT
1:1
100%

Артикул

Название

Примечание

Количество

1

11Y-12-31110

Coupling

SN: 60001-UP

1шт.

2

11Y-12-11130

Bolt

SN: 60001-UP

8шт.

3

11Y-12-31132

Cover

SN: 60007-UP

1шт.

3

11Y-12-31131

Cover

SN: 60001-60001

1шт.

4

01010-81040

Bolt

SN: 60001-UP

12шт.

5

01643-31032

Washer

SN: 60001-UP

12шт.

6

01010-81220

Bolt

SN: 60001-UP

4шт.

7

01643-31232

Washer

SN: 60001-UP

4шт.

Выбрано товаров: 8