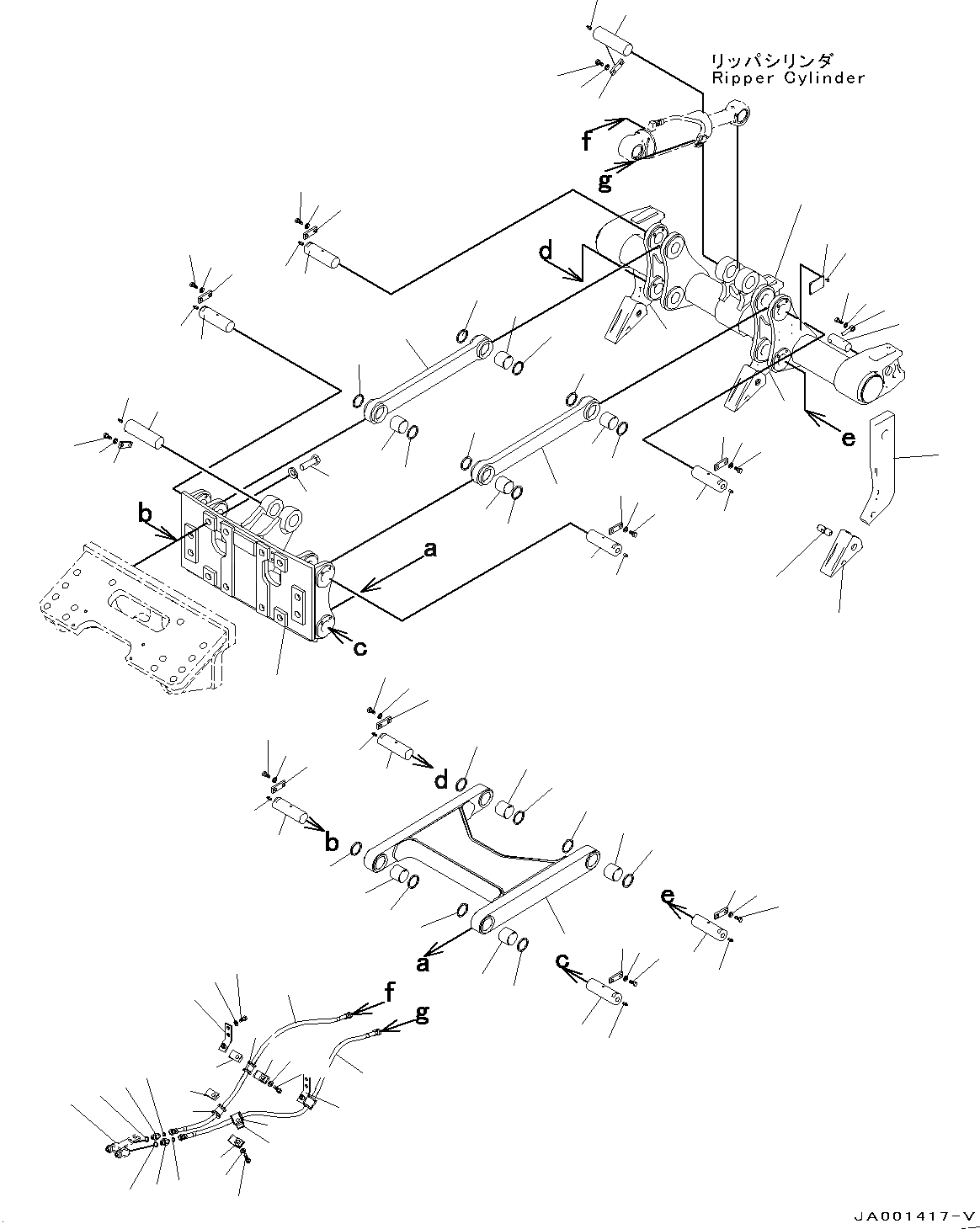
Запчасти Komatsu D37EX-22 РЫХЛИТЕЛЬ ГРУППА (№-) РЫХЛИТЕЛЬ ГРУППА

Схема запчастей Komatsu D37EX-22 - РЫХЛИТЕЛЬ ГРУППА (№-) РЫХЛИТЕЛЬ ГРУППА
38
2
3
1
4
4
5
5
6
7
5
12
13
13
12
13
13
12
13
13
12
13
13
12
13
13
12
13
13
12
13
13
12
13
13
9
8
10
19
16
15
14
18
16
15
14
18
16
15
14
18
16
15
14
18
16
15
14
19
16
15
14
18
16
15
14
18
16
15
14
18
16
15
14
18
16
15
14
17
17
17
17
17
17
17
17
17
17
11
21
20
22
23
24
24
25
27
28
27
29
33
34
27
28
27
31
27
28
35
35
30
32
26
37
36
37
36
FIT
1:1
100%

Артикул

Название

Примечание

Количество

1

11Y-78-31161

Beam

SN: 60001-UP

1шт.

2

11Y-78-31171

Support

SN: 60001-UP

1шт.

3

11Y-78-31180

Link

SN: 60001-UP

1шт.

4

11Y-78-31190

Link

SN: 60001-UP

2шт.

5

113-78-21130

Shank

SN: 60001-UP

3шт.

6

113-78-21140

Point

SN: 60001-UP

3шт.

7

113-78-21170

Pin

SN: 60001-UP

3шт.

8

113-78-21180

Pin

SN: 60001-UP

3шт.

9

114-72-21970

Pin

SN: 60001-UP

3шт.

10

01010-81025

Bolt

SN: 60001-UP

3шт.

11

01643-31032

Washer

SN: 60001-UP

3шт.

12

07143-10505

Bushing

SN: 60001-UP

8шт.

13

07145-00050

Seal, Dust

SN: 60001-UP

16шт.

14

01010-81230

Bolt

SN: 60001-UP

20шт.

15

01643-51232

Washer

SN: 60001-UP

20шт.

16

04082-00212

Lock

SN: 60001-UP

10шт.

17

07020-00000

Fitting, Grease

SN: 60001-UP

10шт.

18

09241-50160

Pin

SN: 60001-UP

8шт.

19

11Y-78-31230

Pin

SN: 60001-UP

2шт.

20

01010-82475

Bolt

SN: 60001-UP

12шт.

21

01643-32460

Washer

SN: 60001-UP

12шт.

22

09601-50000

Plate, Name (Limited Supply), EU Regulation

SN: 60001-UP

1шт.

23

04418-13060

Screw

SN: 60001-UP

4шт.

24

11Y-78-31211

Bracket

SN: 60001-UP

2шт.

25

01010-81225

Bolt

SN: 60001-UP

4шт.

26

01643-31232

Washer

SN: 60001-UP

4шт.

27

07094-10315

Clamp

SN: 60001-UP

8шт.

28

07095-00316

Cushion

SN: 60001-UP

4шт.

29

01010-81260

Bolt

SN: 60001-UP

2шт.

30

01643-31232

Washer

SN: 60001-UP

2шт.

31

01010-81255

Bolt

SN: 60001-UP

2шт.

32

01643-31232

Washer

SN: 60001-UP

2шт.

33

11Y-78-31242

Hose Assembly, Red

SN: 60001-UP

1шт.

34

11Y-78-31281

Hose Assembly, Blue

SN: 60001-UP

1шт.

35

02781-00313

Union

SN: 60001-UP

2шт.

36

07002-11823

O-ring

SN: 60001-UP

2шт.

37

02896-11009

O-ring

SN: 60001-UP

2шт.

38

11Y-78-31512

Bracket

SN: UP

-1шт.

Выбрано товаров: 38