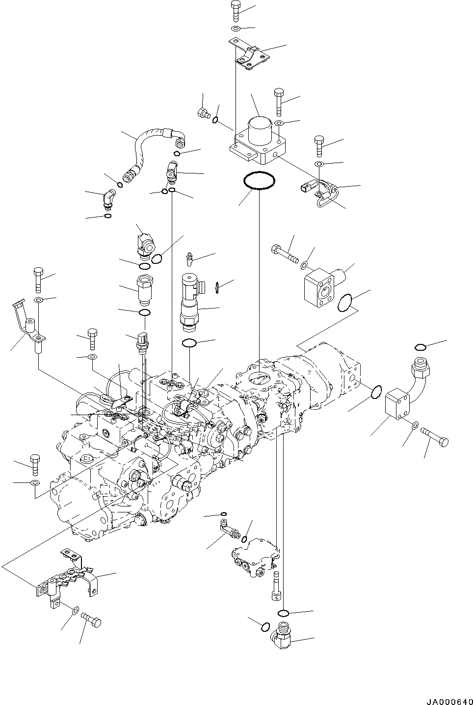
Запчасти Komatsu D37EX-22 ГИДРАВЛ МАСЛ. НАСОС, КОМПОНЕНТЫ (№-) ГИДРАВЛ МАСЛ. НАСОС

Схема запчастей Komatsu D37EX-22 - ГИДРАВЛ МАСЛ. НАСОС, КОМПОНЕНТЫ (№-) ГИДРАВЛ МАСЛ. НАСОС
3
4
5
6
9
10
11
54
51
42
45
48
47
46
52
53
2
1
8
7
44
43
27
26
30
28
34
31
32
53
52
50
49
38
37
18
19
21
20
12
41
13
40
16
17
14
15
22
23
24
25
29
33
35
36
39
51
55
56
25
24
25
FIT
1:1
100%

Артикул

Название

Примечание

Количество

1

02782-10628

Elbow

SN: 60001-UP

1шт.

2

07002-12434

O-ring

SN: 60001-UP

1шт.

3

02896-11018

O-ring

SN: 60001-UP

1шт.

4

11Y-62-33940

Elbow

SN: 60001-UP

1шт.

5

07000-13030

O-ring

SN: 60001-UP

1шт.

6

02896-11018

O-ring

SN: 60001-UP

1шт.

7

01010-80855

Bolt

SN: 60001-UP

4шт.

8

01643-30823

Washer

SN: 60001-UP

4шт.

9

21W-62-41980

Elbow

SN: 61149-UP

1шт.

9

02782-1021A

Elbow

SN: 60001-61148

1шт.

10

07002-11423

O-ring

SN: 60001-UP

1шт.

11

02896-11008

O-ring

SN: 60001-UP

1шт.

12

11Y-62-31382

Tube

SN: 60001-UP

1шт.

13

07000-13042

O-ring

SN: 60001-UP

1шт.

14

01010-81065

Bolt

SN: 60001-UP

4шт.

15

01643-31032

Washer

SN: 60001-UP

4шт.

16

11Y-62-31650

Tube

SN: 60001-UP

1шт.

17

07000-12075

O-ring

SN: 60001-UP

1шт.

18

01643-31032

Washer

SN: 60001-UP

4шт.

19

07372-21050

Bolt

SN: 60001-UP

4шт.

20

07040-11007

Plug

SN: 60001-UP

1шт.

21

07002-11023

O-ring

SN: 60001-UP

1шт.

22

207-62-72160

Tee

SN: 60001-UP

1шт.

23

02782-10311

Elbow

SN: 60001-UP

1шт.

24

07002-11423

O-ring

SN: 60001-UP

2шт.

25

02896-11009

O-ring

SN: 60001-UP

3шт.

26

203-62-32561

Nipple

SN: 60001-UP

1шт.

27

07002-12434

O-ring

SN: 60001-UP

1шт.

28

02782-10628

Elbow

SN: 60001-UP

1шт.

29

02896-11018

O-ring

SN: 60001-UP

1шт.

30

07002-12434

O-ring

SN: 60001-UP

1шт.

31

11Y-62-33892

Elbow

SN: 60001-UP

1шт.

32

20B-27-11210

Bleeder

SN: 60001-UP

1шт.

33

02896-61018

O-ring

SN: 60001-UP

1шт.

34

07002-13334

O-ring

SN: 60001-UP

1шт.

35

02761-003A3

Hose

SN: 60001-UP

1шт.

36

11Y-06-31442

Bracket

SN: 60001-UP

1шт.

37

01010-81060

Bolt

SN: 60001-UP

1шт.

38

01643-31032

Washer

SN: 60001-UP

1шт.

39

11Y-06-31241

Bracket

SN: 60001-UP

1шт.

40

01010-81020

Bolt

SN: 60001-UP

2шт.

41

01643-31032

Washer

SN: 60001-UP

2шт.

42

11Y-06-31221

Bracket

SN: 60001-UP

1шт.

43

01010-81020

Bolt

SN: 60001-UP

2шт.

44

01643-31032

Washer

SN: 60001-UP

2шт.

45

04434-51710

Clip

SN: 60001-UP

1шт.

46

04434-52112

Clip

SN: 60001-UP

1шт.

47

07095-20211

Cushion

SN: 60001-UP

1шт.

48

07095-20314

Cushion

SN: 60001-UP

1шт.

49

01010-81020

Bolt

SN: 60001-UP

2шт.

50

01643-31032

Washer

SN: 60001-UP

2шт.

51

600-051-2060

Clip

SN: 60001-UP

2шт.

52

01010-81020

Bolt

SN: 60001-UP

2шт.

53

01643-31032

Washer

SN: 60001-UP

2шт.

54

08034-20414

Band

SN: 60001-UP

1шт.

55

7861-93-1812

Sensor, Pressure

SN: 60542-UP

2шт.

55

7861-93-1811

Sensor, Pressure

SN: 60001-60541

2шт.

55

07002-61823

O-ring

SN: 60542-UP

1шт.

55

07002-11823

O-ring

SN: 60001-60541

1шт.

56

7861-93-3320

Sensor, Temperature

SN: 60001-UP

1шт.

Выбрано товаров: 60